Возращенная теплота
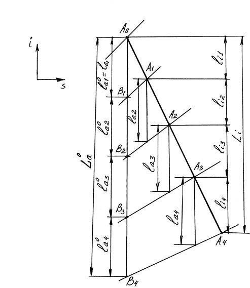
Рассмотрим процесс расширения рабочего тела в многоступенчатой турбине (рис.3.).

Рис.3. Процесс расширения рабочего тела в группе четырех ступеней без использования выходной энергии.
Предположим, что ступень работает без использования выходной энергии. Тогда располагаемый перепад энтальпий (располагаемая работа) группы ступеней
La=la1+ la2+ la3+…+ laz, (2.3)
Где la1, la2, … располагаемые работы турбинных ступеней.
По свойству Si диаграммы
,
и т.д. в связи с этим соотношения располагаемых работ можно записать в следующем виде
;
;
(2.4)
Просуммируя левые и правые части уравнений (2.4), получим
. (2.5)
Из рис. 3. видно, что
; обозначим
=QB. Здесь QB называется возращенной теплотой второго рода. Таким образом, располагаемая работа группы ступеней, работающих в определенном интервале давлений больше располагаемой работы одной ступени, работающей в том же интервале давлений. Это вызвано тем, что внутренние потери энергии через механизм трения повышают энтальпию рабочего тела на входе в турбинную ступень, начиная со второй, а это увеличивает располагаемую работу ступени. Наибольшую долю в возращенную теплоту вносит первая ступень, т.е. потери в ней небольшими частями реализуются во всех последующих ступенях группы, включая последнюю. Потери энергии в последней ступени возвращенной теплоты второго рода не дают.
Для оценки использования возращенной теплоты второго рода вводят коэффициент возращенной теплоты
, (2.6)
где
.
Коэффициент возращенной теплоты зависит от числа ступеней в группе и перепада давлений на группу. По статистическим данным у судовых турбин R=1,01¸1,07. Большие значения относятся к многоступенчатым главным паровым турбоагрегатам, меньшие – к газовым турбинам.
Дата добавления: 2015-07-18; просмотров: 876;
