Розрахунок та конструювання вузлів стику поясів
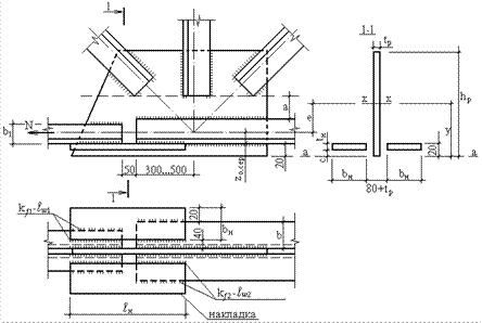
Ці вузли влаштовуються внаслідок обмеженості довжини прокату, а також в місцях різкого перепаду зусиль, де зміна перерізу пояса є раціональною. Стик можна влаштовувати в межах вузла і поза ним. Стик в межах вузла (рис.8.37) більш поширений, оскільки при такому рішенні фасонку можна включати в роботу стика. Стик розміщується на вузловій фасонці з проміжком 50 мм і зміщується в бік панелі з меншим зусиллям на 300…500 мм. Виступаючі полиці поясних кутиків в місці стику перекриваються двома окремими накладками з зовнішньої сторони пояса.
|
Рис. 8.37. Вузол стику поясів
Ширина кожної накладки bн призначається конструктивно, виходячи з ширини полиці b більшого поясного кутика і необхідних зазорів (2 см – виступ накладки за межі пера кутика, 4 см – мінімальна відстань між двома сусідніми швами)
bн = b – 4 см + 2 см.
Товщина накладки tн приймається конструктивно не меншою товщини полиці більшого поясного кутика. При конструюванні стиків необхідно дотримуватися основного правила: площа перерізу стикових елементів повинна бути не меншою за площу перерізу елементів, що стикуються.
Робота вузла з перерваними поясами досить складна. В місці відриву кутиків (в перерізі 1-1) зусилля буде передаватися через частину фасонки висотою
, яка включається в роботу стика, і дві поясні накладки, які в перерізі являють собою тавр. Центр ваги такого тавра не співпадає з центром ваги поясу, внаслідок чого в перерізі виникає позацентровий розтяг або стиск.
Попередньо розрахувавши шви приєднання стержнів решітки до фасонки та розробивши креслення вузла, можна визначити розміри тавра: hp – висота частини фасонки, яка включається в роботу стика,
(
- ширина полиці меншого поясного кутика); tp – товщина фасонки; с – виступ фасонки за межі накладки (с = 2 см – tн).
Визначається положення центра ваги таврового перерізу відносно довільно взятої осі (наприклад, осі а-а):
,
де Sa – статичний момент таврового перерізу відносно осі а-а; А – площа таврового перерізу.
Обчислюється момент інерції перерізу тавра Іх відносно його нейтральної осі х-х і моменти опору перерізу для крайніх верхніх та нижніх волокон:
;
.
Переріз сприймає поздовжнє зусилля N та згинаючий момент М від неспівпадання центрів ваги нижнього пояса ферми і тавра:
M = N · e ; e = y – (z0 + tн + с) ,
де N – зусилля в панелі пояса, в сторону якої винесений стик; е – ексцентриситет дії зусилля N по відношенню до центра ваги тавра.
Перевіряється напруження у фасонці з умови її роботи в пружній стадії (рис. 8.38):
- в нижніх фібрових волокнах
;
- в верхніх фібрових волокнах
.
|
Рис.8.38. До розрахунку міцності фасонки у вузлі стику
Напруження в накладках:
,
де А – площа перерізу тавра, A = 2 · bн · tн + hp· tp ; Wн – момент опору перерізу відносно осі х-х для фібрових волокон накладок.
Зварні шви, які прикріплюють кожну окрему накладку до виступаючих полиць поясних кутиків, розраховуються з умови рівноміцності з накладками на дію зусилля Nн = AнRygc = bнtнRygc (з умови міцності
), де Nн – несуча здатність накладки.
Необхідна довжина кожного з двох швів, які прикріплюють одну накладку до кутиків зліва від стику
,
те ж, справа від стику
.
Катети kf1 i kf2 залежать від товщини полиць кутиків і, як правило, різні.
Тоді довжина накладки lн = lw1 + lw2 + 5 см.
Прикріплення поясних кутиків меншого перерізу до фасонки зліва від стику розраховується на більше з двох значень зусиль:
1) значення зусилля в панелі пояса, за виключенням тієї частини, яку сприймають на себе дві накладки
;
2) не менше половини зусилля, що діє в панелі пояса
,
де 1,2 – коефіцієнт, який враховує нечіткість роботи стикової накладки.
Остаточне значення
- це зусилля, яке передається частиною фасонки, що включається в роботу стика. Розрахунок цих швів виконується аналогічно іншим стержням.
Шви, які прикріплюють поясні кутики більшого перерізу до фасонки (справа від стику), розраховуються за аналогією розрахунку поясних швів проміжних вузлів.
Дата добавления: 2015-08-26; просмотров: 977;
