Оптоэлектронные приборы. Работа оптоэлектронных приборов основана на электронно-фотонных процессах получения, передачи и хранения информации.
Работа оптоэлектронных приборов основана на электронно-фотонных процессах получения, передачи и хранения информации.
Простейшим оптоэлектронным прибором является оптоэлектронная пара, или оптрон. Принцип действия оптрона, состоящего из источника излучения, иммерсионной среды (световода) и фотоприемника, основан на преобразовании электрического сигнала в оптический, а затем снова в электрический.
Оптроны как функциональные приборы обладают следующими преимуществами перед обычными радиоэлементами:
полной гальванической развязкой «вход – выход» (сопротивление изоляции превышает 1012 – 1014 Ом);
абсолютной помехозащищенностью в канале передачи информации (носителями информации являются электрически нейтральные частицы – фотоны);
однонаправленностью потока информации, которая связана с особенностями распространения света;
широкополосностью из-за высокой частоты оптических колебаний,
достаточным быстродействием (единицы наносекунд);
высоким пробивным напряжением (десятки киловольт);
малым уровнем шумов;
хорошей механической прочностью.
По выполняемым функциям оптрон можно сравнивать с трансформатором (элементом связи) при реле (ключом).
В оптронных приборах применяют полупроводниковые источники излучения – светоизлучающие диоды, изготовляемые из материалов соединений группы АIII BV, среди которых наиболее перспективны фосфид и арсенид галлия. Спектр их излучения лежит в области видимого и ближнего инфракрасного излучения (0,5 – 0,98 мкм). Светоизлучающие диоды на основе фосфида галлия имеют красный и зеленый цвет свечения. Перспективны светодиоды из карбида кремния, обладающие желтым цветом свечения и работающие при повышенных температурах, влажности и в агрессивных средах.
Светодиоды, излучающие свет в видимом диапазоне спектра, используют в электронных часах и микрокалькуляторах.
Светоизлучающие диоды характеризуются спектральным составом излучения, который достаточно широк, диаграммой направленности; квантовой эффективностью, определяемой отношением числа испускаемых квантов света к количеству прошедших через p-n-переход электронов; мощностью (при невидимом излучении) и яркостью (при видимом излучении); вольт-амперными, люмен-амперными и ватт-амперными характеристиками; быстродействием (нарастанием и спадом электролюминесценции при импульсном возбуждении), рабочим диапазоном температур. При повышении рабочей температуры яркость светодиода падает и снижается мощность излучения.
Основные характеристики светоизлучающих диодов видимого диапазона приведены в табл. 32, а инфракрасного диапазона – в табл. 33.
Таблица 32 Основные характеристики светоизлучающих диодов видимого диапазона
| Тип диода | Яркость, кд/м2, или сила света, мккд | Постоянное прямое напряжение, В | Цвет свечения | Постоянный прямой ток, мА | Масса, г | |
| КЛ101 А – В АЛ102 А – Г АЛ307 А – Г | 10 – 20 кд/м2 40 – 250 мккд 150 – 1500 мккд | 5,5 2,8 2,0 – 2,8 | Желтый Красный, зеленый Красный, зеленый | 10 – 40 5 – 20 10 – 20 | 0,03 0,25 0,25 | |
Таблица 33. Основные характеристики светоизлучающих диодов инфракрасного диапазона
| Тип диода | Полная мощность излучения, мВт | Постоянное прямое напряжение, В | Длина волны излучения, мкм | Время нарастания импульса излучения, нс | Время спада импульса излучения, нс | Масса, г |
| АЛ103 А, Б АЛ106 А – Д АЛ107 А, Б АЛ108 А АЛ109 А АЛ115 А | 0,6 – 1 (при токе 50 мА) 0,2 – 1,5 (при токе 100 мА) 6 – 10 (при токе 100 мА) 1,5 (при токе 100 мА) 0,2 (при токе 20 мА) 10 (при токе 50 м А) | 1,6 1,7 – 1,9 1,35 1,2 2,0 | 0,95 0,92 – 0,935 0,95 0,94 0,94 0,9 – 1 | 200 – 300 – – | – – | 0,1 0,5 0,2 0,15 0,006 0,2 |
Светоизлучающие диоды в оптоэлектронных приборах соединяются с фотоприемниками иммерсионной средой, основным требованием к которой является передача сигнала с минимальными потерями и искажениями. В оптоэлектронных приборах используют твердые иммерсионные среды – полимерные органические соединения (оптические клеи и лаки), халькогенидные среды и волоконные световоды. В зависимости от длины оптического канала между излучателем и фотоприемником оптоэлектронные приборы можно подразделить на оптопары (длина канала 100 – 300 мкм), оптоизоляторы (до 1 м) и волоконно-оптические линии связи – ВОЛС (до десятков километров).
К фотоприемникам, используемым в оптронных приборах, предъявляют требования по согласованию спектральных характеристик с излучателем, минимуму потерь при преобразовании светового сигнала в электрический, фоточувствительности, быстродействию, размерам фоточувствительной площадки, надежности и уровню шумов.
Для оптронов наиболее перспективны фотоприемники с внутренним фотоэффектом, когда взаимодействие фотонов с электронами внутри материалов с определенными физическими свойствами приводит к переходам электронов в объеме кристаллической решетки этих материалов.
Внутренний фотоэффект проявляется двояко: в изменении сопротивления фотоприемника под действием света (фоторезисторы) либо в появлении фото-эдс на границе раздела двух материалов – полупроводник-полупроводник, металл-полупроводник (вентильные фотоэлементы, фотодиоды, фототранзисторы).
Фотоприемники с внутренним фотоэффектом подразделяют на фотодиоды (с p-n-переходом, МДП-структурой, барьером Шоттки), фоторезисторы, фотоприемники с внутренним усилением (фототранзисторы, составные фототранзисторы, фототиристоры, полевые фототранзисторы).
Фотодиоды выполняют на основе кремния и германия. Максимальная спектральная чувствительность кремния 0,8 мкм, а германия – до 1,8 мкм. Они работают при обратном смещении на p-n-переходе, что позволяет повысить их быстродействие, стабильность и линейность характеристик.
Наиболее часто в качестве фотоприемников оптоэлектронных приборов различной сложности применяют фотодиоды p-i-n-структуры, где i – обедненная область высокого электрического поля. Меняя толщину этой области, можно получить хорошие характеристики по быстродействию и чувствительности за счет малой емкости и времени пролета носителей.
Повышенными чувствительностью и быстродействием обладают лавинные фотодиоды, использующие усиление фототока при умножении носителей заряда. Однако у этих фотодиодов недостаточно стабильны параметры в диапазоне температур и требуются источники питания высокого напряжения. Перспективны для использования в определенных диапазонах длин волн фотодиоды с барьером Шоттки и с МДП-структурой.
Фоторезисторы изготовляют в основном из поликристаллических полупроводниковых пленок на основе соединения (кадмия с серой и селеном). Максимальная спектральная чувствительность фоторезисторов 0,5 – 0,7 мкм. Фоторезисторы, как правило, применяют при малой освещенности; по чувствительности они сравнимы с фотоэлектронными умножителями – приборами с внешним фотоэффектом, но требуют низковольтного питания. Недостатками фоторезисторов являются низкое быстродействие и высокий уровень шумов.
Наиболее распространенными фотоприемниками с внутренним усилением являются фототранзисторы и фототиристоры. Фототранзисторы чувствительнее фотодиодов, но менее быстродействующие. Для большего повышения чувствительности фотоприемника применяют составной фототранзистор, представляющий сочетание фото- и усилительного транзисторов, однако он обладает невысоким быстродействием.
В оптронах в качестве фотоприемника можно использовать фототиристор (полупроводниковый прибор с тремя p-n-переходами, переключающийся при освещении), который обладает высокими чувствительностью и уровнем выходного сигнала, но недостаточным быстродействием.
Многообразие типов оптронов определяется в основном свойствами и характеристиками фотоприемников. Одно из основных применений оптронов – эффективная гальваническая развязка передатчиков и приемников цифровых и аналоговых сигналов. В этом случае оптрон можно использовать в режиме преобразователя или коммутатора сигналов. Оптрон характеризуется допустимым входным сигналом (током управления), коэффициентом передачи тока, быстродействием (временем переключения) и нагрузочной способностью.
Отношение коэффициента передачи тока к времени переключения называется добротностью оптрона и составляет 105 – 106 для фотодиодных и фототранзисторных оптронов. Широко используют оптроны на основе фототиристоров. Оптроны на фоторезисторах не получили широкого распространения из-за низкой временной и температурной стабильности. Схемы некоторых оптронов приведены на рис. 130, а – г.
В качестве когерентных источников излучения применяют лазеры, обладающие высокой стабильностью, хорошими энергетическими характеристиками и эффективностью. В оптоэлектронике для конструирования компактных устройств используют полупроводниковые лазеры – лазерные диоды, применяемые, например, в волоконно-оптических линиях связи вместо традиционных линий передачи информации – кабельных и проводных. Они обладают высокой пропускной способностью (полоса пропускания единицы гигагерц), устойчивостью к воздействию электромагнитных помех, малой массой и габаритами, полной электрической изоляцией от входа к выходу, взрыво- и пожаробезопасностью. Особенностью ВОЛС является использование специального волоконно-оптического кабеля, структура которого представлена на рис. 131. Промышленные образцы таких кабелей имеют затухание 1 – 3 дБ/км и ниже. Волоконно-оптические линии связи используют для построения телефонных и вычислительных сетей, систем кабельного телевидения с высоким качеством передаваемого изображения. Эти линии допускают одновременную передачу десятков тысяч телефонных разговоров и нескольких программ телевидения.
В последнее время интенсивно разрабатываются и получают распространение оптические интегральные схемы (ОИС), все элементы которых формируются осаждением на подложку необходимых материалов.
Перспективными в оптоэлектронике являются приборы на основе жидких кристаллов, широко используемые в качестве индикаторов в электронных часах. Жидкие кристаллы представляют собой органическое вещество (жидкость) со свойствами кристалла и находятся в переходном состоянии между кристаллической фазой и жидкостью.
Индикаторы на жидких кристаллах имеют высокую разрешающую способность, сравнительно дешевы, потребляют малую мощность и работают при больших уровнях освещенности.
Жидкие кристаллы со свойствами, схожими с монокристаллами (нематики, наиболее часто используют в световых индикаторах и устройствах оптической памяти. Разработаны и широко применяются жидкие кристаллы, изменяющие цвет при нагревании (холестерики). Другие типы жидких кристаллов (смектики) используют для термооптической записи информации.
Оптоэлектронные приборы, разработанные сравнительно недавно, получили широкое распространение в различных областях науки и техники, благодаря своим уникальным свойствам. Многие из них не имеют аналогов в вакуумной и полупроводниковой технике. Однако существует еще много нерешенных проблем, связанных с разработкой новых материалов, улучшением электрических и эксплуатационных характеристик этих приборов и развитием технологических методов их изготовления.
Раздел 5. Устройства на приборах с зарядовой связью (ПЗС).
Тема 5.1. Принципы построения и действия ПЗС.
Приборы с зарядовой связью (ПЗС),как и транзисторы,обладают свойством универсальности,позволяющим использовать их в самых разнообразных устройствах.Они применяются в цифровых ЗУ большой информационной емкости.В оптоэлектронных приемниках изображений на основе ПЗС создают формирователи видеосигналов.В радиотехнических системах обработки информации ПЗС используют при разработке линий задержки ,фильтров различных типов,устройств спектрального анализа и обработки радиолокационных сигналов.
В данной главе рассматривается устройство,принцип действия и параметры элементов ПЗС,а также разновидности их конструкций.
Устройство,принцип действия.
Основными элементами ПЗС являются однотипные МДП – конденсаторы,сформированные на общей монокристаллической полупроводниковой подложке 1 p – типа (рис.1).Расположенные на слое диэлектрика 2 полоски затворов 3 образуют регулярную линейную систему или плоскую матрицу.Для большинства приборов подложку изготавливают из высокоомного кремния,диэлектриком служит диоксид кремния.Затворы с помощью алюминиевых или поликремниевых пленочных проводников присоединяют к управляющим шинам,на которые относительно заземленного электрода подложки подают импульсные управляющие напряжения.В рассматриваемом приборе три управляющих шины Ф1,Ф2,Ф3,поэтому он называется трехтактным.Для приборов с подложкой p-типа управляющие напряжения как правило имеют положительную полярность,а с подложкой n-типа – отрицательную.

При подаче напряжения высокого уровня,например,на шину Ф1 в приповерхностных областях полупроводниковой подложки под затворами,соединенными с этой шиной (первым,четвертым и т.д.),возникают потенциальные ямы для электронов.Электрический сигнал в ПЗС представлен не током или напряжением,как в микросхемах транзисторах на транзисторах,а зарядом – зарядовым пакетом.Принцип действия ПЗС основан на накоплении и хранении зарядовых пакетов в потенциальных ямах под затворами и на зарядовых пакетов в потенциальных ямах под затворами и на перемещении зарядовых пакетовмежду соседними элементами при изменении управляющих напряжений – тактовых импульсов.Взаимодействие соседних элементов осуществляется с помощью переноса зарядовых пакетов в полупроводниковой подложке в направлении,показанном стрелкой на рис.1,а.Это взаимодействие называют зарядовой связью,что отражено в названии прибора. Для того чтобы между соседними элементами обеспечивалась эффективная зарядовая связь,расстояния между затворами должны быть достаточно малыми по сравнению с толщиной обедненных слоев под затворами.Благодаря непосредственной зарядовой связи между соседними элементами в ПЗС не нужны сигнальные проводники,необходимые в интегральных микросхемах содержащих транзисторы.На поверхности большей части кристалла распологаются только управляющие шины,а сигнальнальные проводники используются лишь на входах и выходах ПЗС.
У поверхности подложки сформированы области 4 p+-типа,границы которых на рис.1,а показаны штриховыми линиями.Области p+-типа ограничивают часть подложки,расположенную под затвором,в которой перемещаются зарядовые пакеты.Поэтому ее называют каналом переноса.


Рассмотрим физические процессы в МДП – структуре,подробно описанные в [3],применительно к ПЗС,которые в отличие от МДП транзисторов работают только в импульсном режиме.Пусть при t=0 напряжение на затворе изменяется скачком от Uз =0 до Uз >Uпор,где Uпор- пороговое напряжение.В полупроводнике под затвором образуется потенциальная яма для электронов и в течение очень короткого отрезка времени (порядка времени диэлектрической релаксации) формируется слой с высоким удельным сопротивлением, в котором под действием поля удалены основные носители – дырки , а электроны еще не успели накопиться. Глубина потенциальной ямы максимальна на границе полупроводника с диэлектриком , здесь начинает накапливаться зарядовый пакет электронов Qn. Он появляется вследствие контролируемого переноса зарядов из соседней МДП-структуры и неконтролируемых процессов : тепловой генерации электронов в обедненном слое или на поверхности полупроводника,диффузии электронов из подложки.
Распределения поверхностного потенциала в МДП-структуры и неконтролируемых процессов : тепловой генерации электронов в обедненном слое или на поверхности полупроводника, диффузии электронов из подложки.
Распределение поверхностного потенциала в МДП-структуре в направлении, перпендикулярном затвору, для различных моментов времени приведены на рис.2.Координата x отсчитывается от границы полупроводник (П) – диэлектрик (Д). Штриховой линией показана граница диэлектрик – металл (М). По мере накопления зарядового пакета за счет тепловой генерации носителей заряда толщина обедненного слоя Lоб и поверхностный потенциал полупроводника фпов уменьшаются, а разность потенциалов на диэлектрике увеличивается. В установившемся режиме (t ) поверхностный потенциал уменьшается до значения фпор=2фтln(Na/ni), где Na – концентрация акцепторов в подложке; ni – концентрация собственных носителей. При этом у поверхности образуется инверсный слой n-типа, максимальный заряд электронов в котором
Qn макс =Cд(Uз-Uпор),
Где Cд=SзE0 Eд/d – емкость диэлектрика; Sз – площадь затвора.
Для работы ПЗС существенна зависимость поверхностного потенциала от величины зарядового пакета при заданном напряжении затвора (рис. 3). Эта зависимость приблизительно линейная:
фпов= - Qn/Cд.
При постоянном значении Qn поверхностный потенциал возрастает при увеличении напряжении затвора также приблизительно по линейному закону.
Приведенные зависимости позволяют наглядно проиллюстрировать работу ПЗС с помощью гидродинамической модели (рис.4, а-в). В этой модели потенциальная яма отождествляется с сосудом, зарядовый пакет Qn- с жидкостью, заполняющей этот сосуд, поверхностный потенциал, т.е. глубина потенциальной ямы,- с расстоянием h от поверхности жидкости, заполняющий этот сосуд, др верхнего края сосуда . В такой модели между объемом жидкости в сосуде и глубиной h (Qn) его незаполненной части существует линейная зависимость вида (11.2), а глубина пустого сосуда h(0) увеличивается пропорционально напряжению затвора (см. рис.11.4). Эта модель используется для пояснения процесса переноса зарядного пакета.
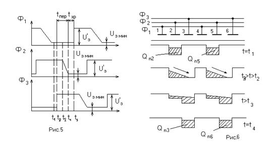
Рассмотрим процесс переноса зарядного процесса в ПЗС с трехактной схемой управления. Временные диаграммы управляющих импульсов для этого случая приведены на рис.5. Пусть в момент времени t1 на затворах, присоединенных к ширине Ф2 , напряжение высокого уровня U’3>Uпор и под вторым и пятым затворами накоплены зарядовые пакеты Qn2 и Qn5 (рис.6), а на затворах, присоединенных к шинам Ф1 и Ф3 – напряжение низкого уровня и под соответствующими затворами нет потенциальных ям и зарядовых пакетов. В момент времени t2 на затворы,соединенные с шиной Ф3 поступает напряжение высокого уровня и под ними практически мгновенно формируются пустые потенциальные ямы. На затворах шины Ф1 сохраняется напряжение низкого уровня.
Для нормальной работы ПЗС расстояние между соседними затворами должно быть достаточно малым, чтобы потенциальные ямы соседних элементов, на затворы которых подано напряжение U’3, сливались в единую потенциальную яму без барьера посередине, как показано на рис.11.6. для момента времени t3 >t >t2.

Рис.4

Перенос зарядочных пакетов становится возможным благодаря краевому эффекту. Он состоит в том, что размеры потенциальной ямы в плоскости пластины ( в направлении переноса зарядных пакетов) превышают размеры затвора, т.е. потенциальная яма образуется не только под затвором, но и некотором расстоянии от его краев. Размеры областей за границами затвора, в которых формируется потенциальная яма, увеличиваются с ростом напряжения на затворе. Только при достаточно больших напряжениях на соседних затворах и малых расстояниях между ними потенциальные ямы под соседними затворами перекрываются, образуя единую потенциальную яму.
Поскольку при t = t2 ( см. рис.6) в третьем элементе электронов нет, а во втором накоплен зарядовый пакет Qn2, то согласно зависимостям, показанным на рис.3., при одинаковых напряжениях на затворах U32 =U 33 =U’3 поверхностный потенциал под затвором 3 будет значительно выше, чем под затвором 2. В результате влияния зарядового пакета Qn2 при одинаковых напряжениях на затворах 2 и 3 в общей потенциальной яме возникает продольное электрическое поле, ускоряющее электроны в сторону третьего элемента.
В гидродинамической модели ПЗС процессу переноса зарядового пакета соответствует перетекание жидкости в пределах общего сосуда. После повышения напряжения в затворе 3 формируется общий сосуд, расположенный под двумя затворами и в промежутке между ними. Жидкость в этом сосуде при t > t2 распределена неравномерно и начинает перетекать под затвор 3. По мере выравнивания уровней жидкости под затворами 2 и 3 скорость его течения уменьшается. Чтобы ускорить перекачку жидкости, напряжение на затворе 2 при t > t3 постепенно понижают до значения U3 мин. Дно сосуда под этим затвором поднимается, и жидкость перемещается в сосуд, расположенный под затвором 3.
При t = t4 перенос зарядового пакета из второго элемента в третий заканчивается, при этом зарядовый пакет Qn2. В тот же период времени осуществляется аналогичный перенос зарядового пакета из пятого элемента в шестой. Направленность переноса зарядового пакетов Qn2 и Q n5 обеспечивается тем, что во время переноса на затворах 1 и 4 (шина Ф1) поддерживается низкое напряжение и под ними потенциальная яма не формируется. Для направленного переноса в рассмотренном случае используют трехтактные управляющие напряжения ( см. рис. 5). Для хранения и переноса одного зарядного пакета необходимо три элемента.
В момент времени t = t5 на шину Ф1 подается напряжение высокого уровня ( см. рис.5) и начинается перенос зарядовых пакетов Qn3 и Qn6 в следующие элементы. Таким образом интервал времени tпер = t 4-t2 соответствуют времени, отводимому для переноса зарядовых пакетов, а интервал t xp= t 5– t 4 – времени хранения.
Устройства ввода и вывода зарядовых пакетов являются обязательными структурными элементами ПЗС. Они позволяют преобразовать выходные сигналы ( уровни напряжения) в сигнальные зарядовые пакеты, а на выходе осуществлять обратное преобразование.
Рассмотрим устройство ввода электрического сигнала ( рис.7,а). Оно состоит из области 1 n+ - типа, которая образует с подложкой n+-p переход ( входной диод), входного омического контакта 2 к области 1 и входного затвора Ф вх. При простом способе ввода на вход подается сигнал отрицательной полярности, смещающий входной диод в прямом направлении, а к Ф вх прикладывается управляющее положительное направление. Наибольшее прямое смещение инжектирующего n+-p перехода обеспечивается в приповерхностной области, оно увеличивается с ростом разности напряжений на входе и на входном затворе. Зарядовый пакет инжектируется вначале из под n+- области под входной затвор ( рис.7, б), а затем переносится под первый затвор Ф1. Величина инжектируемого зарядового пакета увеличивается с ростом амплитуды входного сигнала по линейному ( приблизительно экспоненциальному ) закону. Кроме того, она зависит от времени инжекции, т.е. от тактовой частоты управляющих импульсов ( см. рис.5). Достоинство данного способа ввода электрического сигнала – высокое быстродействие ( время инжекции составляет несколько наносекунд).
В ряде случаев требуется обеспечить близкую к линейной зависимость величины инжектируемого зарядового пакета от входного напряжения. Она может быть получена в том же устройстве ввода (см. рис.7, а), если использовать иной режим его работы, называемый режимом инжекции – экстракции ( рис.7, в).

Информационный сигнал положительной полярности подают на Ф вх, а входной диод вначале смещают в прямом направлении. На этапе I обеспечивается максимальное заполнение электронами потенциальных ям под входным затвором и первым затвором Ф1, подают напряжение U’3 > U пор. На этапе II входной диод смещают в обратном направлении и экстрагируют электроны из-под затворов Ф вх и Ф1 в n+- область. При этом из-под входного затвора заряд экстрагируется полностью, а из-под первого он экстрагируется до уровня, соответствующего поверхностному потенциалу под входным затвором. Поскольку потенциальная яма входного затвора оказывается пустой, то поверхностный потенциал под этим затвором, как отмечалось выше, пропорционален напряжению на этом затворе, т.е. напряжению входного сигнала. Следовательно, величина зарядового пакета под первым затвором Ф1, пропорциональная поверхностному потенциалу под входным затвором, будет изменяться приблизительно линейно при изменении амплитуды входного сигнала.
Для вывода зарядового пакета на выходе используют устройство ( рис.
8, а), содержащее область 1 n+ - типа проводимости, омический контакт 2 к этой области и выходной затвор Фвых . Область 1 образует с подложкой выходной диод, который смещают в обратном направлении. Для этого на выходной контакт через резистор подают постоянное положительное напряжение, превышающее максимальное напряжение на Фвых. В некоторый момент времени на выходной затвор подают импульс положительной полярности, разрешающий вывод зарядового пакета. Если в последнем элементе Ф3 к этому моменту времени был накоплен зарядовый пакет, то он переместиться в потенциальную яму, расположенную под выходным затвором ( рис.8,б) , а затем в более глубокую потенциальную яму области n+- типа и, наконец, в выходную цепь - резистор, присоединенный к n+ - области. К выходному выводу подключают чувствительный усилитель на МДП - транзисторах, которые создаются на этой же подложке.
В ряде случаев необходимо осуществлять неразрушение считывание зарядового пакета. Для этого в качестве датчика поверхностного потенциала и связанной с ним величины зарядового пакета используют МПД - транзистор.
Тема 5.2 ПЗС в устройствах обработки сигналов памяти и приемниках изображения.
К числу основных параметров элементов ПЗС относятся: рабочая амплитуда управляющих напряжений, максимальная величина зарядового пакета, предельные ( минимальная и максимальная ) тактовая частоты, эффективность переноса зарядового пакета, рассеиваемая мощность.
Рабочая амплитуда управляющих напряжений на затворах определяется двумя основными условиями. Она должна быть достаточно большой для обеспечения требуемой величины зарядового пакета и полного смыкания обеденных слоев соседних элементов, чтобы под их затворами образовывалась общая потенциальная яма переносе зарядового пакета ( см. рис. 6). Чем меньше расстояние между амплитуда управляющих напряжений, типичные значения которой 10…20 В.
Максимальная величина зарядового пакета Qn макс является важным пакетом, характеризующим управляющую способность ПЗС. Она пропорциональна амплитуде управляющего напряжения и площади затвора. В элементе с размерами затвора 10*20 мкм и d = 0,1 мкм при /\ ф пов = 5 В Qn макс = 0,35 пКл. На практике выбирают вдвое меньшую величину для предотвращения потерь зарядового пакета, вызванных выходом части электронов из потенциальной ямы в подложку ( имеются в виду электроны, энергия которых достаточна для преодоления потенциального барьера).
Минимальная тактовая частота f т.мин обратно пропорциональна максимально допустимому времени хранения зарядового пакета в одном элементу. Это время ограничено, так как постепенно величина зарядового пакета изменяется вследствие неконтролируемого накопления электронов в потенциальных ямах под затвором. Эти электроны появляются в результате тепловой генерации носителей заряда в обедненном слое и на границе полупроводника с диэлектриком, а также за счет диффузии из подложки.
Для определения f т.мин рассмотрим режим работы ПЗС, в котором зарядовые пакеты в него не вводятся. Под всеми затворами, на которые подаются высокие напряжения, возникают потенциальные ямы для электронов. Термически генерируемые электроны будут собираться в этих ямах, образуя ток термогенерации, плотность которого обозначим jт. Если на затворы ПЗС подается непрерывная последовательность тактовых импульсов с частотой jт, то на выходе канала переноса в каждом такте появляется паразитный заряд Qп = SзN jт / f т, где N- число элементов для канала переноса. Паразитный заряд не должен превышать некоторую часть а максимального зарядового пакета, т.е.
Qп / Q n макс = jт N / f т Сд.уд /\ ф пов макс < a , где Сд.уд – удельная емкость диэлектрика;
/\ ф пов макс- максимальное изменение поверхностного потенциала при наличии под затвором заряда Q n макс. При N = 10 , d = 0,1 мкм, jт = 10 / cм , ф пов макс = 5 В и получаем f т > 60 кГц.
Для увеличения допустимого времени хранения зарядового пакета и уменьшения
f т.мин снижают концентрацию объемных центров рекомбинации, плотность поверхностных состояний и рабочую температуру.Типичные значения f т.мин = 30…300Гц.

Максимальная тактовая частота f т.макс обратно пропорциональна минимально допустимому времени переноса. При работе с максимальной тактовой частотой перенос зарядного пакета в следующий элемент начинается непосредственно после окончания его переноса в данный элемент. Минимально допустимое время переноса зарядового пакета связано с эффективностью его переноса.
Эффективность переноса определяется соотношением n = Qn(i+1) / Qni, где Qni,
Qn(i+1) – зарядовые пакеты в i- м элементе после переноса n < 1.Допустимое уменьшение зарядового пакете при многократных переносах зависит от типа устройства. При заданном допустимом уменьшении зарядового пакета эффективность переноса определяет максимальное число элементов, через которые может быть передан зарядовый пакет. При анализе переноса часто используют величину n = 1 – n ,называемую коэффициентом потерь. Для сложных устройств на ПЗС с большим числом переносов требуемые значения n = 0, 999…0,99999 и соответственно n = 10 …10 .
На рис.9 показаны типичные зависимости коэффициента потерь от тактовой частоты дл рассмотрения выше элементов ПЗС с поверхностным переносом для рассмотренных выше элементов ПЗС с поверхностным переносом зарядовых пакетов 1 и с объемным переносом 2 ( см.3 ) Потери зарядового пакета при переносе на высоких тактовых частотах в основном вызваны тем, что малое время, отводимое на пернос, часть электронов не успевает переместиться в соседний элемент и остается в предыдущем. Эти потери резко увеличиваются с ростом тактовой частоты, т.е. при уменьшении интервала времени, отводимого на перенос.
Минимально допустимое время на переноса зависит от требуемой эффективности переноса, длины затвора L3 и подвижности электронов. В конце переноса ( см. рис11.6) напряженность поля под вторым ( или пятым) затвором уменьшается. В это время заряд, оставшийся под затвором, очень мал и не влияет на распределение потенциала, поэтому потенциал под ним практически постоянный. Оставшаяся под затвором малая часть зарядового пакета /\ Q2 ( или /\Qт5) перемещается под соседний затвор в основном за счет диффузии, причем она убывает приблизительно по экспоненциальному закону вида /\Qn (t) –exp (- t / т диф), где т диф- постоянная времени, характеризующая диффузию электронов,
т диф – постоянная времени, характеризующая диффузию электронов, т диф = L / 2Dn. В соответствии с соотношением Эйнштейна коэффициент диффузии электронов Dn = ф т м n.
Чем больше требуемая эффективность переноса, тем большее время необходимо отвести на перенос зарядового пакета и тем ниже максимальная тактовая частота управляющих импульсов ( см. рис.9). На более низких тактовых частотах ( f т<< fт. макс) эффективность переноса достигает максимального значения, которое практически не зависит от тактовой частоты. На этих частотах зарядового пакета обусловлены захватом части электронов поверхностными ловушками . За время переноса ловушки не успевают отдать все захваченные ими электроны. Потери такого типа увеличиваются, если данный зарядовый пакет переносится через элементы, не содержащие перед этим другим зарядовых пакетов, так как в них поверхностные ловушки оказываются незаполненными
Для уменьшения потерь, связанных с поверхностными ловушками, используют фоновый заряд, вводимый во все элементы. При этом управляющее напряжение тактовых импульсов ( см. рис.5) понижают не до нуля, а до некоторого положительного значения U3 мин , равного, например, 2В. При этом в соответствующих элементах, где формируются неглубокие потенциальные ямы, сохраняется фоновый заряд заполняющий поверхностные ловушки. Тем самым уменьшаются потери зарядового пакета при переносе. Однако потери, связанные с захватом электронов поверхностными ловушками, не снижаются до нуля из=за краевого эффекта: фонового заряд занимает под затвором меньшую площадь, чем информационный зарядовый пакет, т.е. заполняет не все поверхностные ловушки, расположенные вблизи краев затвора. Кроме того, часть электронов захватывается ловушками, расположенными между затворами. Используя фоновый заряд, коэффициент потерь на частотах f т<< fт. макс можно снизить до 10 … 10 .
Рассеиваемая мощность элементов ПЗС очень мала . В стадии хранения она практически не рассеивается, так как текут очень малые токи термогенерации. Мощность рассеивается в элементах ПЗС только в режиме переноса зарядного пакета. Она увеличивается пропорционально тактовой частоте, амплитуде управляющего напряжения и менее 1 мкВт. Столь малая рассеиваемая мощность - одно из их главных достоинств.

Приборы с асимметричными элементами ( см.10 и 11) могут работать и при использовании одной шины управляющих импульсов. При этом на вторую шину подается постоянное напряжение, уровень которого находится посередине между высоким и низким уровнями напряжения. Схемы управления такими приборами намного проще, однако амплитуда управляющих импульсов должна быть приблизительно вдвое больше, чем в двухтактных ПЗС.
Одной из важнейших конструктивных разновидностей являются ПЗС с объемным каналом. В рассмотренных выше ПЗС использовался перенос зарядов в очень тонком слое полупроводника, расположенном вблизи его поверхности. Для них поверхностные состояния и низкая подвижность электронов у поверхности ограничивают эффективность переноса и максимальную тактовую частоту. Улучшить эти параметры прибора можно в том случае, если хранить и передавать зарядовые пакеты на достаточном удалении от поверхности полупроводника. Это условие реализуется в ПЗС с объемным каналом переноса. Структура такого прибора показана на рис.12,а. Для его создания в высокоомной положке р-типа ( концентрация акцепторов около 10 см ) диффузией или ионным легированием формируют тонкий ( толщина около 4 мкм) n-слой с концентрацией доноров около 2*10 см. На краях n-слоя размещаются входная и выходная области n+- типа, к которым создают омические контакты.

Прибор с объемным каналом переноса работает следующим образом. Предположим, что подложка и все затворы 1 заземлены, входная цепь разомкнута, а к выходному выводу через резистор подключен источник постоянного положительного напряжения ( 30 В), смещающий р-n переход между т- областью и подложкой в обратном направлении. При этих условиях в рассматриваемой структуре образуются не только приповерхностные обедненные области под затворами, но и обедненная область р-n перехода. Если положительное напряжение на n- слое достаточно велико, то приповерхностные подзатворные обедненные области смыкаются ( в вертикальном направлении) с обедненной областью р-n перехода. Под каждым затвором образуется единая обедненная область, энергия электронов в который меньше, чем в подложке и вблизи поверхности полупроводника.
Распределение потенциала в вертикальном направлении по сечению А-А структуры показано на рис.12, б ( кривая 1). Координата х отсчитывается от поверхности полупроводника. Распределение потенциала имеет максимум на глубине х = 3 мкм, т.е. внутри n- cлоя. Он соответствует минимуму потенциальной энергии электронов. Электроны, введенные в такую структуру, будут смещаться электрическим полем к области с минимальной потенциальной энергией. Следовательно, аналогично структуре с поверхностным каналом переноса эта структура способна накапливать и хранить зарядовые пакеты в потенциальных ямах под затворами. В отличие от ПЗС с поверхностным каналом переноса здесь в потенциальных ямах, расположенных в n-слое, накапливаются основные носители – электроны.
Как и в приборах с поверхностным каналом переноса, глубину потенциальной ямы в рассматриваемой структуре можно регулировать, изменяя напряжение на соответствующем затворе. Кривая 2 на рис. 12, б показывает, как влияет повышение напряжения на затворе до 10 В на распределение потенциала ( при пустой потенциальной яме). Заряды можно перемещать из данного элемента в соседний, изменяя напряжения на затворах точно так же, как в трехактных ПЗС с поверхностным каналом переноса ( см. 5). Поскольку минимум потенциальной энергии ( т.е. область накопления зарядовых пакетов) располагается на значительном расстоянии от границы полупроводник – диэлектрик , влияние поверхностных состояний резко ослабляется и увеличивается подвижностью электронов. Эти факторы приводят к увеличению подвижности электронов. Эти факторы приводят к увеличению максимальной тактовой частоты и снижению коэффициента потерь ( см. кривую 2 на рис. 9). Эффективность переноса ПЗС с объемным каналом на средних частотах определяется взаимодействием зарядовых пакетов с объемными ловушками. Концентрация объемных ловушек значительно ниже, чем поверхностных.
Важное достоинство ПЗС с объемным каналом – низкий уровень шумов, обеспечиваемый устранением взаимодействия зарядовых пакетов с поверхностными состояниями. Их недостатком является значительно меньшая величина максимального зарядового пакета, что обусловлено большим расстояние между затвором и областью накопления зарядов.
Тема 5.3. ПРИБОРЫ НА ЭФФЕКТЕ ГАННА
В 1963 г. американским физиком Ганном в полупроводниках —арсениде галлия GaAs и фосфиде индия InР с электронной электропроводностью было обнаружено явление генерации высокочастотных колебаний электрического тока в случае приложения к образцу постоянного напряжения, превышающего некоторое критическое значение. Оказалось, что частота колебаний зависит от длины образца и лежит в диапазоне нескольких гигагерц. Поскольку генерация высокочастотных колебаний в объеме не связана с наличием тонких и маломощных p-n-переходов, на приборах Ганна удалось построить СВЧ - генераторы значительно большей мощности, чем на других полупроводниковых приборах.
Генераторы Ганна, выполненные в форме квадратов со стороной 100—150 мкм, дают мощность в непрерывном режиме порядка нескольких милливатт на частотах 1—25 ГГц. Эти генераторы могут работать и в импульсном режиме, обеспечивая импульсную мощность порядка нескольких сотен ватт при к.п.д. 5—25%. Модификацией генератора Ганна является генератор с ограничением накопления объемного заряда (ОНОЗ). В режиме ОНОЗ кристалл арсенида галлии включается последовательно с колебательным контуром и нагрузочным резистором, Наличие контура обеспечивает легкость перестройки частоты. Переменное напряжение на контуре достаточно велико для того, чтобы во время отрицательной полуволны напряжение на образце падало ниже критического значения. При этом домен успевает разрушиться, так как время диэлектрической релаксации в слабом поле мало (порядка
с) по сравнению с периодом колебаний. В режиме ОНОЗ удается достигнуть большей мощности и на более высоких частотах (до сотен гигагерц) благодаря тому, что во время положительной полуволны домен не успевает сформироваться и в большей части образца дифференциальная проводимость остается отрицательной.
На эффекте Ганна, используется падающий участок вольтамперной характеристики, можно построить также СВЧ - усилитель. Например, усилитель на частоте 23—31 ГГц дает усиление по мощности 20 дБ.
Прибор па эффекте Ганна может быть использован как элемент логических схем. Быстродействие таких схем весьма высокое — несколько десятков пикосекунд на каскад. На рис. 9.23 показана простейшая схема импульсного усилителя на эффекте Ганна в триггерном режиме. В этой схеме напряжение батареи
выбрано так, что искажение на приборе Ганна
меньше Ut, не больше
(Ut и
— пороговые напряжения возникновения и исчезновения доменов). При подаче на вход усилителя короткого импульса с длительностью меньше пролетного времени с амплитудой Un>Ut—Uo прибор Ганна на время, равное пролетному времени То, переключается в состояние со сформированными доменами. Ток через прибор Ганна и сопротивление включенного последовательно с ним резистора нагрузки падают, благодаря чему образуется выходной импульс с полярностью,
|
противоположной входному импульсу, и длительностью, равной пролетному времени То. Такой усилитель может выполнять логическую операцию сравнения амплитуды импульса UH с заданной величиной
—
. Кроме того, он может быть использован как дискриминатор выходных импульсов по их ширине и амплитуде. При наличии дополнительного входа, показанного на рис. 9.23 пунктиром, схему усилителя можно использовать в качестве элемента ИЛИ, если прибор Ганна переключается одним импульсом, поданным на любой
из входов.
На эффекте Ганна могут быть созданы схемы, которые переводятся в режим самоподдерживающейся генерации одиночным включающим импульсом. Эта генерация может быть прекращена подачей импульса противоположной полярности. Такие схемы могут осуществлять функции элемента памяти.
• Функциональные приборы, построенные на эффекте Ганна, не имеют p-n-переходов и отдельных элементов.
|
Они выполняют свою функцию только благодаря свойствам материала и форме образца. Так, если изготовить кристалл арсенида галлия специальной формы то движущиеся домены можно использовать для генерации импульсов практически любой формы. Рассмотрим примеры.
В образце пирамидальной формы (рис. 9.24, а) электрическое поле уменьшается от катода к аноду. Поэтому при сравнительно малых напряжениях смещения домен распространяется только в ту часть прибора вблизи катода, в к второй
. С повышением напряжения смещения дрейфовый путьдомена увеличивается, а частота колебаний соответственно уменьшается. При дальнейшем повышении напряжения домен достигает анодa, после чего частота колебаний практически перестает зависеть от напряжения смещения. Осциллограмма тока, генерируемого прибором Ганна при различных напряжениях смещения, показана на рис. 9.24,6.
На рис. 9.25 приведены функциональные генераторы Ганна с заданной формой колебаний. В верхней части рисунка показана форма образцов, в нижней — зависимости тока от времени. В соответствии с отмеченным свойством приборов Ганна форма колебаний тока в течение пролетного времени воспроизводит профиль поперечного сечения образца (выступ на pис. 9.25, а и впадина на рис. 9.25, б). Следует отметить, что при малых напряжениях смещения частота колебаний, генерируемых прибором, падает с ростом напряжения. Когда напряжение будет достаточно велико для того, чтобы домен распространился до средней части образца с наибольшей площадью поперечного сечения, частота колебаний скачком уменьшится примерно в два раза, поскольку, миновав среднее сечение, домен достигнет анода. Следовательно, такой образец может быть использован в качестве переключателя частоты.
Одним из важных функциональных приборов на эффекте Ганна является аналого-цифровой преобразователь (рис. 9.26). Прибор имеет планарную конструкцию. Активный слой, имеющий форму «клина» с кодирующими прорезями, выращивают методом эпитаксии на полу изолирующей подложке.

Как и в приборах пирамидальной формы (см. рис. 9.24, а), путь, проходимый доменом, увеличивается с повышением напряжения смещения. При прохождении доменом кодирующей прорези ток уменьшается, а число всплесков, отнесенное к анодному пробегу домена, соответственно возрастает с повышением напряжения смещения. Приборы на эффекте Ганна могут быть использованы также в качестве основных элементов оптоэлектронных устройств: приемников, модуляторов, источников света и т. д.
Тема 5.4. ДИЭЛЕКТРИЧЕСКАЯ ЭЛЕКТРОНИКА :
В микроэлектронике широко применяются тонкие пленки металлов и диэлектриков. При переходе к тонким пленкам возникают новые явления и закономерности, не проявляющиеся в
массивных образцах и структурах. Для пленок типична возможность создавать управляемые эмиссионные токи, аналогичные токам в вакууме. При контакте неметаллического твердого тела с металлом, oобладающим меньшей работой выхода, приконтактная областьoобогащается свободными носителями заряда, эмиттированными из металла. В массивных образцах эти узкие приконтактные области повышенной электропроводимости не влияют на токовый режим, определяемый концентрацией свободных носителей заряда в объеме тела. В тонких же пленках эмитированные носители заряда могут доминировать во всем объеме, определяя закономерности токовых явлений. С точки зрения теории рассеяния носителей заряда любое неметаллическое твердое тело в толстом слое — полупроводник, а в тонком слое — диэлектрик.
Эффекты, связанные с протеканием эмиссионных токов в неметаллических твердых телах, не охватываются ни физикой полупроводников, ни физикой диэлектриков. Закономерности этих явлении, а также приборные и схемные разработки на их основе
составляют содержание нового раздела физики твердого тела и
электроники — диэлектрической электроники.
Если между двумя металлическими электродами поместить тонкую (порядка 1—10 мкм) диэлектрическую пленку, то мигрируемые из металла электроны заполнят всю толщину пленки и напряжение, приложенное к такой системе, создаст ток в диэлектрике.
• Диэлектрическая электроника изучает протекание токов, ограниченных объемным зарядим в диэлектриках, при термоэлектронной эмиссии из металлов и полупроводников, туннельной эмиссии и т. д.
Простейшими приборами диэлектрической электроники являются диоды и транзисторы, имеющие характеристики, аналогичные характеристикам электровакуумных приборов. Диэлектрический диод представляет собой пленочную структуру металл - диэлектрик - металл (рис. 9.27). Принцип действия диэлектрического диода отличен от принципа действия электровакуумного и полупроводникового диодов. Выпрямляющий эффект в диэлектрическом диоде определяется различием работ и выхода из истока и стока и может оказаться значительным за счет нанесения на диэлектрик контакта из материала с очень малой работой выхода. Поэтому в одном направлении возникают большие токи, а в
обратном направлении - исчезающие малые токи. Коэффициент
выпрямления диэлектрического диода достигает О4 и выше.
В диэлектрическом транзисторе управляющий электрод (затвор) размещен в тонком слое диэлектрика между истоком
и стоком. В некоторых типах триодов эмиссия происходит из полупроводника n-типа с электронной электропроводностью в высокоомный полупроводник р -типа с дырочной электропроводностью, который играет роль диэлектрика (рис. 9,28). Низкоомные области, образованные из полупроводника p-типа с высокой дырочной электропроводностыо, выполняют роль металлических ячеек сетки электровакуумного триода.
|

|
Подаваемое на эти области внешнее напряжение управляет значением тока, протекающего между истоком и стоком.
В другом типе диэлектрического транзистора (рис. 9.29) затвор находится вне диэлектрика CdS; его роль сводится к изменению распределения потенциала в диэлектрике, что существенно влияет на значение тока. Распространение получили транзисторы с изолированным затвором структуры МОП (металл—окисел — полупроводник) или МДП (металл — диэлектрик — полупроводник).
Приборы диэлектрической электроники удачно сочетают ряд достоинств полупроводниковых и электровакуумных приборов и лишены многих недостатков. Эти приборы микроминиатюрные, малоинерционные, обладают хорошими частотными характеристиками, низким уровнем шумов, мало чувствительны к изменениям температуры и радиации. Создание эмиссионных токов в диэлектриках не требует затрат энергии на нагрев эмитирующего электрода и решения проблемы теплоотвода.
Дата добавления: 2015-08-26; просмотров: 2107;
