Расчетные схемы электрических сетей
Режим электрической сети рассчитывается применительно к схеме замещения.
Схема получается в результате объединения схем замещения отдельных элементов сети.
В расчетной практике выделяют два вида электрических сетей и соответствующих им расчетных схем:
n разомкнутые;
n замкнутые.
Рис. 1
Принципиальные схемы этих сетей показаны на рис. 1а, 2а.
Схемы замещения при напряжении 110кВ и выше приведены на рис. 1б и 2б.
Схемы замещения местных сетей (U<=35кВ) - на рис. 1в и 2в.

Рис 2
К числу простейших замкнутых относятся кольцевые сети рис. 2, а также сети и отдельные электропередачи с двухсторонним питанием, связывающие друг другом независимые источники мощности рис. 3.

Рис. 3
Для упрощения расчетных схем с номинальным напряжением <=220кВ при упрощенных расчетах вводят понятие расчетной нагрузки.
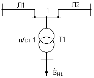
Возможность упрощения расчетной схемы посмотрим на примере (рис.4).

Рис. 4 а
В этой схеме к шинам подстанции 1, на которой установлен трансформатор Т1, подходят две линии районной эл.сети.
На рис. 4б показана схема замещения, характеризующая распределение мощностей в ветвях, связанных с узловой точкой 1.

Рис. 4 б
В этой схеме суммарная мощность, приходящая от линии к узлу 1 (проходящая по сопротивлениям 
, причем мощность
отличается от мощности нагрузки
на величину потерь в обмотках трансформатора (в сопротивлении Zт) и его потерь холостого хода, т.е.
.
Если перед расчетом режима всей сети предварительно определить мощность
(Sрас1), то она отразит влияние и емкостной проводимости (зарядной мощности линий) и потерь мощности в трансформаторе на режим ветвей расчетной схемы, примыкающей к т.1 и на режим всей рассчитываемой сети. В этом случае схема замещения упрощается и принимает вид (рис. 4в).

Рис. 4 в

- называется расчетной мощностью подстанции.
Вычисление расчетной мощности подстанции предшествует расчету режима сети
Т.к. напряжение в узловых точках схемы замещения пока неизвестны, то слагающие расчетной мощности должны определяться по номинальному напряжению сети:
;
; - зарядные мощности линий.
Потери в трансформаторах:
;
;
;
.
Расчет по номинальному напряжению обуславливает меньшую точность.
Дата добавления: 2015-08-21; просмотров: 1813;
