Параметры и показатели процесса лазерной резки
Для процесса лазерной резки можно выделить основные факторы, определяющие качество процесса резки. Среди них: плотность мощности и мощность лазерного излучения, скорость резки, размеры и конфигурация сопла для подачи газа, расстояние от среза сопла до поверхности материала, поглощательная способность поверхности материала, вид, состав и свойства разрезаемых материалов. Плотность подводимой в зону обработки мощности зависит, в свою очередь, от мощности лазерного излучения, его модового состава, поляризации и условий формирования (фокусного расстояния линз, величины и направления расфокусировки).
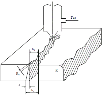
Качество реза определяют следующие показатели (рис.2): точность, шероховатость Rz , неперпендикулярность (клиновидность) j, протяженность зоны термического влияния, ширина реза b, количество грата (наплывы на нижней кромке разрезаемого металла).

Рис.2. Параметры реза
Точность резки характеризуется совпадением размеров вырезанной детали с заданными размерами.
Наиболее существенными факторами, влияющими на характеристики резов, являются энергетические параметры процесса, к которым относятся мощность и плотность мощности. В силу того, что тепловложение в материал зависит и от скорости резки, этот параметр также целесообразно рассматривать в совокупности с энергетическими.
Важным фактором, определяющим как характер протекания процесса резки металлов, так и размерные характеристики резов, являются плотность мощности Ef в зоне воздействия лазерного излучения на материал. Этот параметр − комплексная величина и зависит не только от мощности лазерного излучения, но и от условий его фокусировки, модового состава луча, его расходимости, диаметра пучка на выходе из резонатора и других факторов.
Ширина реза снижается с уменьшением диаметра пятна фокусировки df во всех группах материалов. Ширина реза зависит и от теплопроводности материала.
Наряду с плотностью мощности важным технологическим фактором, во многом определяющим размерные параметры обработки, является скорость резки. Однако варьирование скорости обработки имеет ограничения.
Для нержавеющих сталей, титановых и алюминиевых сплавов нижний предел допустимой скорости резки соответствует резкому ухудшению качества поверхности реза. Такие явления особенно характерны при скоростях обработки, лежащих ниже 0,3 – 0,5 м/мин. Слишком же высоким скоростям резки соответствует резкое снижение толщины разрезаемых деталей, поэтому обычно скорости резки не превышают 6 – 8 м/мин.
Эффективность процесса резки, как это видно из (2) зависит также от удельной энергии плавления металла Lпл. Для легкоплавких металлов удельная энергия плавления мала. Для алюминия она в 3 раза меньше, чем для железа. Однако алюминий режется лазерным лучом примерно с такой же эффективностью, как сталь. Видимо, это определяется небольшой по сравнению с железом поглощательной способностью алюминия. Отрицательное действие оказывает также высокая теплопроводность этого материала.
Дата добавления: 2015-08-21; просмотров: 3953;
