Допустимые отклонения центровки валов по полумуфтам
| Частота вращения ротора, мин. | Вид муфты | |
| Жесткая | Упругая | |
| 0,10 | 0,15 | |
| 0, 08 | 0,10 | |
| 0,06 | 0,08 | |
| 0,04 | 0,06 |
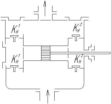
Если зазор в вертикальной плоскости между полумуфтами будет в верху будет больше чем внизу, то тогда необходимо П - образные стальные прокладки подложить под ближайшие к муфтам болты между станиной насоса и двигателя и рамой.
Важнейшим условием долговременной работы насоса и двигателя является горизонтальное положение рамы и соответственно оси ротора, отклонение от горизонтальности осей вала и рабочего колеса насоса и двигателя должны быть на 1м не более 0,04 мм , иначе будет возникать горизонтальная составляющая общей нагрузки ротора и подшипники будут быстрее выходить из строя.
Многоступенчатые насосы.
Многоступенчатые насосы выпускаются с горизонтальным и вертикальным валом. Насосы с горизонтальным валом выпускаются трех типов. Первый тип МС – многоступенчатые центробежные насосы с рабочими колесами одностороннего входа воды и вертикальной плоскостью разъема (рис.8а). При такой схеме соединения рабочих колес имеется существенный недостаток – возникает осевая нагрузка и при ремонте необходимо отсоединять всасывающий и напорный трубопроводы. У второго типа М (рис.8б) входом воды рабочие колеса расположены противоположно друг другу, что взаимно уравновешивает осевую нагрузку (количество рабочих колес у них четное). Кроме того, у этого типа насоса горизонтальный разъем корпуса. Третий тип МД (рис. 8в) с горизонтальным разъемом корпуса, первое рабочее колесо с двухсторонним входом воды, последующие колеса с односторонним входом также расположены попарно с противоположным входом воды.
В многоступенчатых насосах вода последовательно проходит через несколько рабочих колес, смонтированных в одном корпусе насоса, поэтому напор будет равен сумме напоров последовательно расположенных колес, пропускающих одно и то же количество воды.
Обозначения многоступенчатых насосов с горизонтальным валом:
Тип МС по старому ГОСТу обозначался в общем виде аМС – ns х i:
где а – диаметр всасывающего патрубка, уменьшенный в 25 раз, в мм;
ns – быстроходность, уменьшенная в 10 раз, мин;
i - число рабочих колес.
По новому ГОСТу тип насосов МС обозначается ЦНСQ – H:
где Q – подача, м3/час;
H – напор, м.
Например: ЦНС300 – 120, у которого подача 300 м3/час, напор 120 м.
Тип М по старому ГОСТу обозначался в общем виде аМ – nsxi, обозначения те же, что и у насосов типа МС.
По новому ГОСТу тип насосов М обозначается ЦНQ – H, где Q и H соответственно подача и напор.

Рис. 8 – Схемы движения воды в насосах
Конструкция насоса типа МС показана на рисунке 9.

Рис. 9 - Конструкция насоса типа МС
1 – напорный патрубок; 2 – направляющий аппарат; 3 – корпус секции; 4 – стяжная шпилька; 5 – защитно-уплотняющее кольцо; 6 – резиновый шнур; 7 – входная крышка со всасывающим патрубком; 8 – отверстие для подачи жидкости в уплотнение; 9 – упругая муфта; 10 – роликовый подшипник; 11 – кронштейн; 12 – сальниковый узел; 13 – кольцо гидравлического уплотнения; 14 – грундбукса; 15, 20, 21 – втулки соответственно распорно-защитная, дистанционная, разгрузки; 16 – рабочее колесо; 17 – вал; 18 – шпонка; 19 – щель подвода жидкости к гидравлической пяте; 22 – гайка-втулка; 23 – уплотнение в крышке подшипника; 24 – гидравлическая пята; 25 – защитно-уплотняющее кольцо
Ось всасывающего патрубка на рис. 9 условно показана вверх, на самом деле горизонтально пола машинного отделения, чтобы меньше было гидравлических сопротивлений при входе в насос.
Из всасывающего патрубка вода поступает в корпус насоса 7 и через кольцевой подвод к первому рабочему колесу 2. При выходе из рабочего колеса вода проходит через направляющий аппарат 3 на второе колесо и т. д. Рабочие колеса с односторонним входом воды. Направляющий аппарат имеет каналы, направляющие воду к кольцевому подводу на второе колесо. Сечение каналов в направляющем аппарате постепенно увеличивается, чтобы преобразовывать кинетическую энергию в потенциальную энергию. Секции направляющего аппарата и рабочие колеса взаимозаменяемые.
Из-за одностороннего входа воды на рабочее колесо ротор насоса испытывает значительные осевые усилия, направленные как у консольных насосов в сторону входа воды. Так как давление после каждой ступени возрастает и суммируется, то общая нагрузка на ротор будет большая, и весь ротор будет перемещаться в сторону входа воды на колесо. Для снятия осевых усилий служит разгрузочная шайба 24, которая на резьбе или болтах закрепляется на валу насоса за последним рабочим колесом. Жидкость из последнего рабочего колеса, через кольцевой зазор 21, поступает в разгрузочную камеру, из которой через патрубок 25 и трубку соединяется с всасывающей камерой первой ступени колеса. В связи с тем, что давление в промежуточной камере значительно больше, чем в разгрузочной камере, происходит разгрузка осевых усилий путем смещения ротора и уравновешивания давлений. Если ротор насоса под влиянием осевой силы движется вправо, то торцевой зазор между корпусом и шайбой уменьшается, давление в разгрузочной камере вследствие этого увеличивается и дальнейшее осевое продвижение ротора прекращается. Если давление на разгрузочную шайбу со стороны корпуса уменьшается, то за счет осевой нагрузки ротор перемещается вправо.
Назначение остальных деталей такое же как и у одноступенчатых насосов, наименование их дано в подрисуночной надписи.
Артезианские центробежные насосы.
К многоступенчатым насосам с вертикальным валом относятся артезианские насосы (глубинные насосы) для скважин. Артезианские насосы делятся на два вида:
1. насосы с трансмиссионным валом, у которых насос опускается в скважину, а двигатель располагается над скважиной;
2. насосы погружные, когда насос вместе с двигателем опускается в скважину.
Насосы с трансмиссионным валом отечественной промышленностью выпускаются типов А, НА и ЦТВ. Погружные насосы выпускаются единой серии ЭЦВ.
Насосы типов А и НА центробежные, артезианские (многоступенчатые), вертикальные, с трансмиссионным валом предназначены для подачи воды из высокодебитных скважин, иногда применяются на насосных станциях первого подъема для подачи воды а также как аварийные от затопления машинных залов особо ответственных насосных станций. В этих насосах электродвигатель располагается над устьем скважины и соединяется с насосом с помощью трансмиссионного вала (рис. 10).
Для того чтобы исключить вибрацию трансмиссионного вала, вал закрепляют промежуточными подшипниками с резино-металлическими вкладышами, смазываемыми водой. Масса вращающихся деталей насоса и трансмиссии воспринимается опорной пятой с радиально-упорными подшипниками, а масса всего насосного агрегата – опорным корпусом, установленным над скважиной.

Рис. 10 – Насосные установки с насосами типа АТН (а) и А (б)
В общем виде насосы данных типов обозначаются:
d скв A – nsxi ,
где d скв - минимальный диаметр скважины, в которую может быть опущен этот насос, уменьшенный в 25 раз и округленный;
ns- быстроходность, уменьшенная в 10 раз и округленная;
i – число рабочих колес.
Например, насос 24А – 18 х 1, 24х25=600 мм – минимальный диаметр скважины;
18х10= 180об/мин – быстроходность насоса;
1 – число рабочих колес.
У насосов серии ЦТВ гидравлическая часть с теми же параметрами, что и у насосов ЭЦВ. Обозначения: Ц – центробежный, Т – с трансмиссионным валом, В – для подачи воды.
Насосы типа АТН центробежные секционные, вертикальные, предназначены для подачи воды из артезианских скважин.
Пример обозначения: АТН14-1-6
Буквы, входящие в маркировку насоса, обозначают: А – артезианский, Т- турбинный, Н- насос. Цифры обозначают: 14 – минимальный диаметр обсадной колонны в мм, уменьшенный в 25 рази округленный; 1 – тип рабочего колеса (закрытое); 6 – число рабочих колес.
У этого типа насоса для увеличения подачи при минимальных размерах обсадной колонны применены рабочие колеса диагонального типа (как у гидравлической турбины).
Насосы типа ЭЦВ многоступенчатые, погружные вертикальные, для подачи воды из скважины, с рабочими колесами одностороннего входа.
Условное обозначение насосов этой серии в общем виде:
ЭЦВdскв – Q - H , где
Э – с электроприводом,
Ц – центробежный,
В – для подачи воды,
dскв – минимальный внутренний диаметр обсадной колонны в мм, уменьшенный в 25 раз и округленный,
Q – подача, м3/час,
H – напор, м.
Пример обозначения: ЦТВ8 – 40 – 60,
где 8 - минимальный внутренний диаметр обсадной колонны, уменьшенный в 25 раз и округленный в которой может быть размещен насос, мм;
40 – подача, м3/час;
60 – напор, м.
Погружные насосы ЭЦВ представляют собой многоступенчатые центробежные насосы с рабочими колесами одностороннего входа и могут применяться для подачи воды из артезианских скважин в системах водоснабжения, понижения уровня грунтовых вод, в насосных станциях первого подъема из открытых водоисточников и т.д.
На рисунке 11 показан разрез погружного насоса.

Рис. 11 – Электропогружной насос:
а – электродвигатель ПЭДВ: 1 – днище; 2 – диафрагма; 3 – корпус; 4 – пробка-винт; 5 – подпятник; 6 – пята; 7 – манжета; 8 – пескосбрасыватель; 9, 10 – резиновые кольца; 11, 13 – корпуса; 12 – подшипник;
б – насос: 1 – соединительная муфта; 2 – ступицы основания; 3 – вал; 4 – диск; 5 – обойма; 6 – направляющий аппарат; 7 – рабочее колесо; 8 – ступица верхнего подшипника; 9 – клапан; 10 – стяжка; 11 - головка
Корпуса секций насоса изготовляются из пластмассы или из пластмассы на металлической основе. Направляющие аппараты имеют спиральные отводы лопаточного типа с кольцевыми подводами воды на следующее рабочее колесо. У крупных насосов корпуса стальные или из чугуна.
Рабочие колеса у мелких насосов ЭЦВ имеют плавающую посадку, позволяющую перемещаться вдоль вала в пределах заданных допусков. У остальных насосов рабочие колеса закрепляются с помощью шпонок, расстояние между ними фиксируется распорными втулками, у крупных насосов имеются защитные втулки. Вес вращающихся деталей ротора воспринимается опорными кольцами или самоустанавливающейся резинометаллической гидродинамической пятой. Вал вращается в резинометаллическом или металлографитовом подшипнике. Входные отверстия для воды закрыты металлической сеткой. Корпус насоса стягивается стяжными болтами.
Рис. 12 – Насосная установка с насосом типа ЭЦВ
Насосы для перекачки сточных вод.
Для перекачки сточных вод применяются отечественные насосы с горизонтальным валом типа СМ, с вертикальным валом типа СДВ и погружные насосы типа ГНОМ, ЦМК, ИРТЫШ, и др., специальные массовые насосы с горизонтальным валом с односторонним входом, применяемые для перекачки сточных вод.
Условное обозначение насосов типа СМ:
Например, СМ100-65-250, где
100 – диаметр всасывающего патрубка, мм;
65 – диаметр напорного патрубка, мм;
250 – диаметр рабочего колеса, мм.
Данные насосы применяются для перекачки сточных вод с плотностью до 1050 кг/м3 и содержащих абразивных частиц по массе не более 1% и температурой до 1000 С.
Конструкция центробежного насоса типа СМ отличается от центробежных насосов для перекачки воды тем, что рабочее колесо имеет меньше лопаток и ширина лопаток больше. В крышке корпуса насоса и в верхней части спирального отвода имеются трапы для прочистки в случае засорения. К кольцу гидравлического уплотнения – сальнику должна подводиться чистая вода.
Для большой подачи сточных вод применяются вертикальные насосы типа СДВ (рис. 13), у них в спиральном отводе с противоположных сторон предусмотрены люки для прочистки (5), которые можно очищать колесо и корпус насоса при засорении отбросами. Для предохранения от абразивного износа устанавливаются сменные защитные диски, изготовленные из стали. Вал насоса вращается в подшипниках скольжения, имеющих разъемный резиновый или лигнофолевый вкладыш. Подшипник скольжения смазывается и охлаждается чистой водой из хозяйственного водопровода под давлением 0,1 МПа превышающим давление в напорном патрубке насоса. Подшипник скольжения защищен от проникновения транспортируемой жидкости специальным резиновым уплотнением.
Для защиты вала от износа под сальником предусмотрена защитная втулка или методом электронаплавки наносится защитное покрытие из коррозийно - стойкой стали.

Рис. 13 – Насос типа СДВ
1-защитное кольцо; 2-рабочее колесо; 3-регулируемое уплотняющее кольцо; 4-нижняя крышка корпуса; 5-люк-прочистка; 6-корпус; 7-защитные диски; 8-верхняя крышка корпуса; 9-подшипник скольжения; 10-торцевое уплотнение вала; 11-вал; 12-фундаментная плита
Центробежные моноблочные, канализационные погружные насосы (рис. 14) вместе с электродвигателем предназначены для перекачки фекальных и других сточных вод с плотностью до 1050 кг/м3 и содержащих абразивных частиц по массе не более 1% и температурой до 350 С.
Пример обозначения: ЦКМ 16/27 где 16 – подача м3/час; 27- напор, м.
Погружные насосы типа ГНОМ (рис.14) обозначаются:
ГНОМ 25x20, где 25 - подача м3/час; 20 - напор, м.

Рис. 14 – Конструкция погружного моноблочного насоса ГНОМ:
1 – ручка; 2 – напорный патрубок; 3, 4 – ротор и статор электродвигателя; 5 – корпус насоса; 6 – торцевое уплотнение; 7 – разделительная камера; 8 – обрезиненный отвод; 9 – рабочее колесо без переднего диска
Отличительные конструктивные особенности современных зарубежных насосв.
Погружные насосы фирмы ITT «FLYGT» предназначены для перекачки сточных вод имеют три типа рабочих колес: открытое колесо (тип F) (рис. 15), имеющие режущую кромку, закрытое однокольцевое колесо (тип С) и свободно –вихревое колесо (тип N). У насосов с рабочим колесом типа F засоряемость почти 100 %, но коэффициент полезного действия невысокий (около 60 %), у закрытого типа С к.п.д. доходит до 80 %, но высокая засоряемость (до 60-65 %). Поэтому ученые разработали свободно- вихревое колесо полуоткрытого типа N с засоряемостью 98 – 100 % и высоким к.п.д. 80 %.
Для насосов с большой подачей разработаны также самоочищающиеся осевые насосы. Усовершенствована противоизносная защита торцевого уплотнения, применена замкнутая система охлаждения двигателя, разработано торцевое уплотнение патронного типа.
Фирма «GRUNDFOS» выпускает одноступенчатые погружные блочные агрегаты типа АРВ с вертикальным нагнетательным патрубком и приемным сетчатым фильтром. Насос имеет износостойкое рабочее колесо из нержавеющей стали с высокой твердостью и оболочкой из резинотехнических изделий. Насос имеет поворотный напорный штуцер для вертикального и горизонтального монтажа к напорной линии. Высоконапорные насосы имеют два последовательно включенных рабочих колеса. Двигатели имеют специальное торцевое уплотнение с масляной запорной камерой со специальным физиологически инертным маслом и уплотнительным кольцом на валу.
У электродвигателей погружных насосов фирмы «GRUNDFOS» имеется специальное торцевое манжетное уплотнение из специальной резины. От осевого смещения ротора применяется гидравлическое выравнивание перепада давления. У крупных двигателей применяется опорное кольцо из металлокерамики (карбид вольфрама), что обеспечивает большой срок службы.
Для откачки воды из строительных котлованов этой же фирмой выпускаются насосы POMONA с электродвигателем или от двигателя внутреннего сгорания. Насос самовсасывающий и после первоначального заполнения постоянно сохраняет готовность к работе, может перекачивать жидкость с содержанием твердых включений от 3 до 30 мм.
При работе насосов с большим диапазоном подач и напоров применяются частотные преобразователи, позволяющие с их помощью изменять числа оборотов в больших пределах, а следовательно изменять в широких пределах все параметры насоса.
Немецкая фирма «WILO» поставляет широкий спектр насосов для системы отопления, водоснабжения, пожаротушения и канализации. Насосы моноблочные, необслуживаемые, т.е. имеют неразрезной вал и специальное скользящее торцевое уплотнение. Насосы выпускаются с сухим и мокрым ротором. Скользящее торцевое уплотнение представляет собой динамическое уплотнение и используется для герметизации зазора между вращающимся валом насоса и корпусом при среднем и высоком давлении. Динамическая область скользящего торцевого уплотнения состоит из двух гладких, износостойких поверхностей (например, кольца из карбида кремния или графита), которые сжимаются при воздействии аксиальных сил. Одно кольцо (скользящее) вращается вместе с валом, другое кольцо (ответное) стационарно установлено в корпусе. Кольца сжимаются при помощи пружины и давления жидкости. Средневзвешенный срок службы 2-4 года, но при этом нельзя допускать сухого хода насоса, т.е. без жидкости.

Рис. 16 – Одинарные насосы
Выпускаются также сдвоенные насосы, устанавливаемые на одной трубе, позволяющие увеличить подачу вдвое (рис. 17).

Рис.17 – Сдвоенные насосы
Изучение конструкций вихревых насосов.
Основная задача при изучении вихревых насосов – изучить их конструкцию, принципы действия и особенности их эксплуатации.
Вихревые насосы применяются при малых подачах и больших напорах. Подача колеблется в пределах 0,3-10 л/с, а напор 15-160 м.
Промышленностью выпускались и выпускают ряд конструктивных типов этих насосов: В – вихревой, ВК – вихревой консольный, ВКС – вихревой консольный самовсасывающий, ВКО – вихревой консольный обогревной, ЦВК – центробежно-вихревой консольный, ЦВС - центробежно-вихревой самовсасывающий.
Пример обозначения:
ВКС5-24 - вихревой консольный самовсасывающий 5 – подача, л/с 24 – напор, м.
Вихревые насосы широко применяются для перекачки чистых жидкостей без абразивных примесей с температурой до 85 0С для вихревых и 105 0C для центробежно - вихревых.
Обогревные насосы применяются для перекачки застывающих жидкостей (фенолы, парафины и др.) и отличаются от остальных насосов типа В дополнительной обогреваемой крышкой корпуса, имеющей обогревной канал. В обогревной крышке имеются отверстия для присоединения паропроводов.
Насосы самовсасывающие отличаются от насосов типа В дополнительным узлом состоящим из воздушного колпака и воздухоотвода, которые служат для обеспечения самовсасывания. Всасывающие и напорные патрубки расположены в верхней части корпуса насоса, поэтому эти насосы нужно заливать при первоначальном пуске его в работу. Способность вихревых насосов засасывать воду без заливки всасывающей трубы в последующем позволяет легко автоматизировать их работу.
Работа вихревых насосов основана на действии центробежной силы и ближе всего сходна с работой многоступенчатого насоса. При вращении рабочего колеса, представляющего собой стальной диск с лопатками, частичка жидкости за счет центробежной силы по лопатке будет перемещаться из точки А в точку Б (рис. 18).

Рис. 18 – Схема движения жидкости в вихревом насосе
При этом движении она приобретает скоростную энергию и энергию давления, с которой и выбрасывается в кольцевой отвод корпуса под некоторым углом по ходу вращения колеса. Так как давление у основания лопатки меньше чем на выходе из нее, то жидкость стремиться снова переместится в точку А1. Чтобы жидкость быстрее попала снова к основанию лопатки, диск между основанием лопатки и выходом выфрезерован по окружности. Частичка жидкости при этом ударяется под углом о кольцевой отвод и быстрее попадает снова на лопатку рабочего колеса. При этом рабочее колесо может совершить несколько оборотов (внизу у основания лопатки показано направление вращения). Таким образом, за время прохождения жидкостью пути от всасывающего патрубка к напорному, цикл повторяется несколько раз, и каждый раз происходит приращение энергии. Такое движение напоминает вихри, отсюда и название насоса. Такое же приращение энергии происходит и в многоступенчатом центробежном насосе, где жидкость переходит из одного колеса на другое.
Изучение конструкции вихревых насосов.
Вихревой насос состоит из гидравлической части и опорной стойки (рис. 19).

Рис. 19 - Вихревой насос В – 1,25/40
1 – корпус насоса; 2 – подводящие каналы; 3 – рабочее колесо; 4 – перемычка; 5 – крышка насоса; 6 – внутренняя крышка насоса; 7 – опорная стойка; 8 – сальниковое уплотнение; 9 и 10 – радиальные шарикоподшипники; 11 – отверстие для опорожнения насоса
Внутри чугунного корпуса от всасывающего до напорного патрубков, расположенных в верхней части, проходит кольцевой отводящий канал постоянного сечения. Перемычка 4 отделяет всасывающую часть от напорной. Напорный и всасывающий патрубки одинакового размера, названия могут менять в зависимости от направления вращения. Крышка к корпусу крепится с помощью шпилек и гаек. Внутренняя часть корпуса одновременно является конусом сальник и внутренней крышкой опорной стойки.
Рабочее колесо представляет собой стальной диск с фрезерованными по окружности пазами, образующими лопатки. Колесо посажено на валу на шпонке и фиксируется специальным болтом с шайбой. В месте выхода вала из корпуса насоса находится сальниковое уплотнение.
Приводная часть состоит из чугунной опорной стойки и вала. Опорами вала служат радиальные шарикоподшипники, у больших насосов радиально-упорные шарикоподшипники. Три отверстия , закрытые пробками, служат для заливки ,слива и контроля уровня масла.
Отверстие 11 в нижней части корпуса насоса служит для его опорожнения.
У вихревых насосов имеются существенные недостатки: низкий к.п.д. и увеличение мощности при уменьшении подачи.
К.п.д. вихревых насосов не превышает 50%. Во-первых, это связано с большими гидравлическими потерями при входе и выходе жидкости с лопаток рабочего колеса. Во-вторых, происходит быстрый износ перегородки между всасывающими и напорными патрубками. Поэтому за счет увеличения зазора между перегородкой и рабочим колесом жидкость из напорного патрубка вновь поступает во всасывающий патрубок.
Кроме того, у вихревых насосов малая область подач и напоров с высоким к.п.д., поэтому при уменьшении подачи потребляемая мощность возрастает.
Центробежно-вихревой насос СЦЛ-20-24а
Насос СЦЛ-20-24а – двухступенчатый центробежно-вихревой самовсасывающий с горизонтальным валом предназначен для перекачивания бензина, керосина и чистой воды от 30 до 40 м3/час при напоре от 65 до 40 м с температурой до 500С.
Первая ступень насоса выполнена с центробежным, вторая с вихревым рабочим колесом.
Основные детали насоса (рис. 20): алюминиевый корпус 13 с отводящим спиральным каналом для рабочего колеса центробежного насоса с односторонним входом жидкости (14) и кольцевым отводом для вихревого рабочего колеса (6), вала (16), крышки корпуса (7) и воздушного колпака (11).

Рис. 20 – Центробежно-вихревой насос СЦЛ-20-24а
1 – рабочая полость второй ступени; 2 – спускные отверстия; 3 – лопасти рабочее колеса; 4 и 20 – шарикоподшипники; 5 и 18 – обоймы узлов уплотнения вала; 6 – вихревое рабочее колесо; 7 –крышка корпуса; 8 – перемычка; 9 – воздухоотвод; 10 – напорный патрубок; 11 – алюминиевый колпак; 12 – промежуточная крышка; 13 – корпус; 14 – центробежное рабочее колесо; 15 – входной патрубок; 16 – вал; 17 – резиновые манжеты; 19 - сальниковое уплотнение; 21 – гайка; 22 – камера; 23 – отверстие для спуска в дренаж жидкости; 24 – втулка; 25 – прокладное кольцо; 26 – пружинные кольца; 27 – полость первой ступени; 28 и 29 – крышка подшипника
В верхней части корпуса расположен всасывающий патрубок (15), а в верхней части воздушного колпака – напорный патрубок (10 и 11).
Часть канала с промежуточной крышкой (12) образует полость первой ступени алюминиевым рабочим колесом (14) с односторонним входом, имеющим шесть лопаток. В остальной части канала, ограниченной промежуточной крышкой (12) и алюминиевой крышкой корпуса (7), находится полость второй ступени с вихревым рабочим колесом (6). Вихревое рабочее колесо представляет собой бронзовый диск с выфрезерованными по окружности пазами, образующими двадцать четыре лопатки (3), разделенные диском. Рабочие колеса закреплены на валу насоса призматическими шпонками, а центробежное колесо дополнительно фиксируется стопорными кольцами (26).
Вал насоса стальной, имеет две опоры в виде шарикоподшипников (4) и (20). Осевая сила воспринимается шарикоподшипником (20).
Обоймы (5 и 18) узлов уплотнения вала вставлены в корпус и крышку насоса с прокладкой. В обойме расположены три резиновые самоуплотняющие сальники – манжеты (17), отделенные одна от другой прокладными кольцами (25). Манжеты сжаты специальной гайкой (21) через втулку (24). Между обоймой и ограничителем имеется камера (22) для спуска в дренаж жидкости, просачивающейся через сальник.
Насос СЦЛ-20-24а при первоначально залитом корпусе может работать как самовсасывающийся с вакуумметрической высотой всасывания до 5,5 м.
На напорном фланце корпуса расположен алюминиевый колпак (11) для обеспечения самовсасывания.
В корпусе под колпаком установлен воздухоотвод (9) для отделения воздуха от перекачиваемой жидкости в начале работы насоса.
Для первоначального пуска необходимо залить перекачиваемой жидкостью только корпус, чему способствует расположение всасывающего и напорного патрубков насоса в верхней части.
Например, насос перекачивает воду из водоисточника потребителю:
При подключении насоса, за счет центробежной силы вода с рабочего колеса одностороннего входа будет передаваться на вихревое колесо, поэтому за счет образовавшегося вакуума будет захватываться воздух из всасывающего трубопровода. При смешивании воздуха с водой образуется водно-воздушная эмульсия, которая поступит в круглый по форме воздуховод. В воздуховоде водно-воздушная эмульсия начинает вращаться, при этом за счет центробежной силы, частички воды (т.к. они тяжелее воздуха) будут прижиматься к цилиндрической поверхности воздуховода и снова через отверстия в нижней части сливаться в корпус насоса, а воздух по боковым каналам выходить в воздушный колпак.
Таким образом, при быстром вращении ротора, воздух из всасывающей трубы выйдет через воздушный колпак в напорный патрубок, а вода за счет атмосферного давления будет поступать к всасывающему патрубку.
При остановке насоса вода остается в корпусе и ее достаточно, чтобы снова запустить насос.
Напорный патрубок воздушного колпака расположен горизонтально и при этом может быть повернут в любую сторону через деление в 360.
Привод насоса осуществляется электродвигателем через эластичную муфту. Вал насоса вращается против часовой стрелки, если смотреть со стороны привода.
Порядок разборки насоса:
1. отвернуть гайки и снять крышку подшипника 28. снять прокладку.
2. при помощи приспособления для съема подшипников, лопастного колеса и промежуточной крышки, вынуть подшипник 20 вместе с обоймой сальников 5, 18 и ограничителем 19. Для этого необходимо ввести в специальный паз в корпусе болты приспособления и ввернуть их в в имеющиеся на обойме уши с резьбовыми отверстиями. Затем, уперев болт в упорный вал, вращать его за рукоятку до тех пор, пока подшипник и обойма сальника не выйдут из расточки корпуса. Вынуть прокладку.
3. отвернуть гайки и снять крышку подшипника 29. снять прокладку.
4. отвернуть болт, крепящий подшипник 4, вынуть шайбу-замок и при помощи приспособления снять подшипник вместе с обоймой сальника и ограничителем из расточки крышки корпуса. Вынуть прокладку.
5. вынуть втулку из подшипника.
6. отвернуть гайки и снять крышку корпуса. Снять прокладку.
7. снять вихревое рабочее колесо 6 при помощи того же приспособления. Для съема вихревого рабочего колеса и промежуточной крышки последовательно в рабочее колесо и промежуточную крышку ввернуть болты М8. Вращая упорный болт за рукоятку упором в вал, снять рабочее колесо 6 и промежуточную крышку 12.
8. отвернуть боковые нажимные болты, крепящие промежуточную крышку и вынуть ее из корпуса насоса. Вынуть прокладку.
9. вынуть вал вместе с рабочим колесом центробежного насоса.
10. снимать рабочее центробежное колесо с вала без необходимости не рекомендуется.
11. отвернуть гайки и снять колпак 11. Снять прокладку.
12. расконтрогаить, отвернуть болты и снять воздухоотвод.
При разборке разобраться с конструкцией насоса, назначением деталей, снять размеры рабочих колес.
Сборка насоса.
Сборка насоса производится в обратной последовательности. При сборке необходимо следить за тем, чтобы вал собранного насоса свободно проворачивался от ручки.
Водокольцевые насосы.
Водокольцевые насосы предназначены для создания вакуума или небольшого избыточного давления.
Водокольцевые вакуум насосы используются для создания вакуума во всасывающей линии и корпусе центробежного насоса, расположенного с положительной высотой всасывания, для его заливки перед пуском. Кроме того, водокольцевые насосы используются как воздуходувки для создания избыточного давления (3-22 м) при использовании сжатого воздуха в технологическом процессе очистки сточных вод (в аэротенках).
Водокольцевые насосы выпускаются следующих типов: КВН – консольный вакуум- насос, ВВН – водокольцевой вакуум-насос и ВК – водокольцевой компрессор (воздуходувка).
Конструкция КВН – консольного вакуум- насоса показана на рисунке 21.

Рис. 21 – Конструкция водокольцевого насоса
1 – колесо; 2 – отверстия; 3 – уплотняющее кольцо; 4 – радиальные лопатки; 5 – крышка корпуса; 6 –; 7 – корпус; 8 - внутренняя крышка сальника; 9 и 11 – шарикоподшипники; 10 – вал; 12 – шпильки; 13 - напорное отверстие; 14 – входное отверстие; 15 – фланец; 16 и 18 – чугунные крышки; 19 – сальниковое уплотнение; 20 – пружинное кольцо; 21 – спускное отверстие
На вал насоса консольно на шпонке насажено рабочее колесо (1), представляющее собой диск с радиальными лопатками (4). Для торцевой смазки водой высверлено шесть отверстий. Всасывающий патрубок (14) и напорный (13) расположены в верхней части корпуса насоса (6). К ним с помощью фланцев с прокладками на шпильках присоединяются всасывающий и напорный трубопроводы. Рабочее колесо расположено эксцентрично по отношению к крышке (5) и корпусу насоса. Между крышкой и корпусом насоса устанавливается резиновое уплотнительное колесо. Зазоры между крышкой корпуса и рабочим колесом, а также корпусом насоса должны быть минимальными.
Особое значение у вакуум-насоса имеет сальник, который должен быть воздухонепроницаем. Уплотнение сальника состоит из корпуса (7), отлитого как одно целое с корпусом, чугунной крышки сальника (8), сальниковой набивки (19) и кольца (3), закрепленного на валу пружинным стопорным кольцом (20).
Чугунная опорная стойка (17) служит станиной вакуум-насоса, к фланцу которой шпильками присоединен корпус насоса. В опорной стойке расположены два шарикоподшипника (9 и 11), служащие опорами для вала (10). Чугунные крышки (16) и (18) фиксируют положение шарикоподшипников, смазка которых осуществляется солидолом или литолом.
Принцип действия вакуум-насоса заключается в следующем. Звездообразное рабочее колесо (рис. 22) расположено эксцентрично по отношению к цилиндрической крышке и корпусу насоса. При концентрическом расположении колеса, при его вращении, под действием центробежной силы образовывалось бы водяное кольцо концентрично относительно оси вращения, а между лопатками были бы равные по объему воздушные камеры 1,2,3,4,5,6 (рис. 22).

Рис. 22 – Схемы водокольцевого вакуум-насоса
При эксцентричном расположении колеса водяное кольцо, образующееся за счет центробежной силы, в верхней части касается втулки колеса, а в нижней части отходит от втулки на величину эксцентриситета. Поэтому при вращении колеса в отсеках 1,2,3 между втулкой лопатками и водяным кольцом будет образовываться вакуум. Через серповидный вырез в корпусе насоса А и связанный с ним всасывающий патрубок будет засасываться воздух. Во второй половине в отсеках 4,5,6 водяное кольцо будет прижиматься к основанию лопаток, т.е. сжимать воздух, который через серповидный вырез будет выбрасываться в напорный патрубок. Перед пуском вакуум-насос должен быть залит водой.
При работе насоса необходимо чтобы через него постоянно циркулировала вода для поддержания постоянного объема водяного кольца и для отвода тепла. Для этой цели к отсасывающей линии подводится трубопровод от специального циркуляционного бочка или водопровода. Обработанная вода вместе с воздухом выбрасывается обратно в циркуляционный бачек или в канализацию. Циркуляционная вода должна быть чистой без абразивных примесей.
Нагрев насоса не должен превышать 40-500С. Регулирование нагрева производится изменением количества циркуляционной воды.
Обычно для создания вакуума и заливки центробежных насосов применяют два вакуум насоса один рабочий, а второй резервный. Для гарантированного запуска центробежных насосов, чтобы исключить влияние небольших подсосов воздуха через стыки, сальники задвижек и сальники насосов применяют вакуум - котлы. Схема вакуумной установки приведена на рисунке 23.

Рис. 23 - Схема вакуумной установки
1- центробежные насосы; 2 – вакуум-насосы; 3 – циркуляционный бачек;
4 – вакуумметр
Воздуходувки и турбовоздуходувки.
Объемные насосы
Принцип действия объемных насосов заключается в вытеснении жидкости из некоторого объема.
Объемные насосы делятся на две большие группы:
1- поршневые или плунжерные;
2- роторные (к ним относятся шестеренчатые, винтовые, крыльчатые, лабиринтные, и др.).
Наибольшее распространение в быту и при производстве строительных работ получили поршневые и плунжерные насосы.
Основное достоинство поршневых или плунжерных насосов заключается в возможности подачи незначительного объема воды под большим давлением, простота устройства и возможность пуска насоса в работу без заполнения его водой. Недостатки этих насосов: большие размеры и вес, необходимость устройства большого фундамента, быстрый износ клапанов, неравномерность подачи воды и низкий к.п.д. установки.
Классификация поршневых насосов.
Поршневые насосы классифицируются по конструкции рабочей части вытеснителя, по роду действия, по числу цилиндров и по типу привода насоса в действие.
По конструкции рабочей части вытеснителя поршневые насосы делятся на две группы – собственно поршневые и плунжерные (скальчатые) насосы.
У насосов первого типа основными деталями являются цилиндр с хорошо обработанной поверхностью и двигающийся поршень. Поршень представляет собой цилиндр с канавками, в которых размещаются уплотнительные кольца. Диаметр поршня значительно больше его длины.
Плунжерные насосы отличаются от поршневых тем, что роль поршня выполняет плунжер (скалка) и уплотнительные кольца размещены в цилиндре. Плунжер имеет цилиндрическую форму его длина значительно больше диаметра. Плунжерные насосы обладают большим напором чем поршневые.
По роду действия поршневые насосы разделяют на насосы одинарного (или простого) двойного или дифференциального действия.
В насосах одинарного действия за один ход поршня происходит один такт работы: или всасывание или нагнетание. В таких насосах имеется одна рабочая камера, поршень и два клапана – всасывающий и нагнетательный (рис. 24). Поршень имеет одну рабочую плоскость вытеснения.

Рис. 24 – Схемы поршневых штанговых насосов:
а – обычной конструкции; б – дифференциального действия; 1 – всасывающая труба; 2 – цилиндр; 5 – штанга; 6 – напорный трубопровод; 7 - плунжер
В насосах двойного действия имеются две рабочие камеры, один общий цилиндр, поршень и четыре клапана (два всасывающих и два нагнетательных) (рис. 25). В отличие от насосов одинарного действия у таких насосов рабочими являются обе плоскости поршня.

Рис. 25 – схема поршневого насоса двухстороннего действия
По числу цилиндров различают насосы с одним цилиндром и с двумя (например, в буровых установках для подачи глинистого раствора применяют сдвоенные насосы двойного действия).
По типу привода различают насосы ручные и приводные (от электродвигателя или двигателя внутреннего сгорания).
Основные детали поршневых насосов и их назначение.
Клапаны являются ответственными деталями насосов и служат для разобщения и соединения рабочей камеры или цилиндра насоса с всасывающей и нагнетательной трубой. Клапаны могут быть всасывающими и нагнетательными.
По характеру работы и конструкции различают следующие типы клапанов:
1. подъемные, двигающиеся прямолинейно, обычно вверх или вниз нормально к своей рабочей поверхности;
2. откидные, шарнирные и створчатые, вращающиеся около неподвижной оси, параллельно опорной плоскости.
Движение клапана при открытии или закрытии отверстия может происходить:
a) под действием веса клапана, такие клапаны называются весовыми или грузовыми;
б) под действием нагружающей клапан особой пружины, такие клапаны называются пружинными;
в) под действием распределительного механизма (как у двигателя автомобиля) открывающего и закрывающего клапан, такие клапаны называются с принудительной посадкой.
Кроме того, клапаны могут быть с притертой опорной поверхностью или уплотнением (прокладкой) из кожи или резины. Насосы с притертыми клапанами могут перекачивать только чистую воду, а с уплотнением опорной поверхности загрязненную жидкость (с включением песка).
Подъемные клапаны могут быть с плоской, конусной или шаровой опорной поверхностью.
Конструкции клапанов.
По своей конструкции клапаны могут быть тарельчатые (рис. 23), конические и шаровые.
На рис. 26 показан весовой одиночный тарельчатый клапан с плоской опорной поверхностью и нижними направляющими ребрами. Тарелка (2) имеет металлическую притертую нижнюю поверхность, которая должна соприкасаться с седлом (1) клапана. Седло представляет собой коническую втулку, которая запрессована в корпусе насоса. В клапанной коробке устанавливается особый прилив, представляющий собой ограничитель (5) хода клапана.
Ограничитель хода применяется почти во всех клапанах. Он не должен давать клапану выпадать из седла, в то же время при нормальной работе насоса клапан не должен ударяться об ограничитель хода.

Рис. 26 – Тарельчатый клапан:
1 – седло клапана; 2 – тарелка; 3 – направляющие ребра клапана; 4 – стержень4 5 – ограничитель хода клапана

Рис. 27 – Пружинный клапан:
1 – седло; 2 – тарелка; 3 – направляющий стержень4 4 – пружина; 5 – упорная шайба
На рис. 28 показан откидной клапан. Ось вращения таких клапанов в большинстве случаев горизонтальна, седло же может иметь горизонтальную или наклонную поверхность. Поверхность клапана имеет прокладку из кожи или резины.

Рис. 28 – Откидной клапан:
1 – ограничитель хода; 2 – резина
Гладкий шаровой клапан (рис. 29) должен иметь притертую опорную поверхность. Ход клапана вверх тоже ограничен упором.

Рис. 29 – Шаровой клапан
Изучение конструкции клапанов всех типов, назначение их деталей студенты на имеющихся насосах выполняют самостоятельно.
Поршни
По форме поршень представляет собой дискообразное цилиндрическое тело, совершающее возвратно-поступательное движение внутри цилиндра. Поршни изготовляют из чугуна, стали или других материалов. Для плотного прилегания поршня к стенке цилиндра устанавливаются металлические уплотнительные кольца или кожаные манжеты. Цилиндры обычно изготавливаются их чугуна, иногда из стали.
Воздушные колпаки.
Для выравнивания подачи воды на поршневых насосах устанавливают воздушные колпаки. Кроме того, для выравнивания подачи воды на всасывающем и нагнетательном трубопроводах устанавливаются отдельные воздушные колпаки. Принцип работы воздушных клапанов показан на примере поршневого насоса двойного действия.
Изучение конструкции поршневых насосов
Поршневой штанговый насос ВЛ-3А.
Насос выпускается в агрегате с приводной водоподъемной лебедкой ВЛ-3А и применяется для подъема воды из трубчатых колодцев при высоте подъема до 40..60 м и подачей до 6 м3/час. Этот насос наиболее простой из всех насосов вытеснения по устройству и принципу действия.

Рис. 30 – Штанговый насос типа ВЛ-3А
1 – цилиндр; 2 – поршень с нагнетательным клапаном; 3 – всасывающий клапан
Основные детали насоса: штанга, 1 - цилиндр, 2 - поршень с нагнетательным клапаном, 3 - всасывающий клапан.
Цилиндр выполнен из стальной трубы диаметром 100мм, внутренняя поверхность его хорошо обработана.
Поршень – полый чугунный стакан, на который надеты 2-3 металлических кольца и кольцевая гайка. Между кольцами зажимаются кожаные манжеты. Количество манжет зависит от требуемого напора и подбирается так, чтобы на каждую манжету приходилось 20 м напора. На верхнюю часть поршневого стакана навинчивается фонарь, внутри которого находится шаровой клапан, имеющий во время работы насоса ограниченный ход в пределах фонаря. На нижнюю часть цилиндра навинчивается муфта с буртиком, который удерживает детали всасывающего клапана и позволяет закрепить их между трубой и муфтой.
Всасывающий клапан состоит (сверху вниз) из фонаря, шарика, диафрагмы с выточкой под шарик и сороудерживающей решетки.
Привод в действии насоса осуществляется с помощью водоподъемной лебедки, состоящей из шкива для привода от двигателя, редуктора и кривошипо-шатунного механизма превращающего вращательное движение в возвратно-поступательное движение штока-штанги. Штанга ввинчивается в фонарь поршня и добавляется по длине до нужных размеров (в зависимости от глубины установки насоса). На водоподъемной лебедке (рис. 30) монтируется патрубок для отвода воды от насоса.
Чтобы получить более равномерную подачу воды, в месте присоединения приводной трубчатой штанги к водоподъемной лебедке имеется плунжер, площадь которого равна половине площади поршня насоса. При движении штанги вверх в напорный трубопровод вытесняется одна половина забранного объема, а при движении вниз – другая половина.
Конструкция лебедки позволяет менять длину хода поршня, а следовательно, и подачу насоса путем перестановки пальца шатуна на рабочих шестернях.
При выполнении лабораторной работы студенты должны снять основные размеры насоса и определить подачу поршневого насоса.
Объем жидкости засасываемый за один ход поршня определяется по формуле:
, (1)
где F – площадь поршня, дм2;
S – длина хода поршня, дм.
Идеальная (теоретическая) подача может быть определена как:
, (2)
где n – частота вращения кривошипа, об/мин.
Так как площадь поршня равна
, то теоретическая подача в л/с будет равна:
, (3)
где D – диаметр поршня, дм.
Действительная подача меньше теоретической подачи вследствие запаздывания закрывания всасывающего и напорного клапанов, утечек через клапаны, сальниковые и поршневые уплотнения.
, (4)
В целом объемный к.п.д. составляет 0,9…0,99 и зависит от размера насоса.
Принцип действия насоса заключается в следующем. При движении поршня вверх под ним в цилиндре образуется вакуум. Под действием атмосферного давления вода поднимает всасывающий клапан и заполняет этот вакуум в цилиндре вслед за ходом поршня. При движении поршня вниз под действием силы веса клапана и от давления воды на него всасывающий клапан закрывается, а нагнетательный открывается, пропуская воду в надпоршневое пространство. В первом случае произошло всасывание, во втором -нагнетание. Далее процесс повторяется до тех пор, пока движется поршень.
Таким образом, за один цикл хода поршня вверх произошло всасывание и при опускании его вниз нагнетание, поэтому такие насосы называются одинарного или простого действия.
Ручной насос РН-1
Насос предназначен для перекачки незагрязненной жидкости без абразивных примесей.
Основные части насоса: поршень, цилиндр, клапанные коробки с всасывающими и нагнетательными клапанами, приводная ручка с валом и кривошипом.

Рис. 31 – Насос РН – 1
Насосный цилиндр выполнен вместе с корпусом, в виде чугунной отливки. С внешней стороны цилиндра в корпусе имеются два канала, образующие всасывающее (нижний канал) и нагнетательное пространства. В месте прохода приводного вала через корпус устанавливается сальник. В торцевых частях корпуса к насосу крепятся клапанные коробки, с двумя клапанами каждая: верхним – нагнетательным и нижним – всасывающим. По типу клапаны конические, тарельчатые, гравитационные с направляющими стержнями. Обычно клапана чугунные, а для перекачки коррозирующих жидкостей – бронзовые. Доступ к каналам и клапанам возможен через крышки клапанных коробок.
Поршень насоса двухсторонний, составленный из двух стальных дисков, соединенных металлическим стержнем. В середине стержня имеется прорезь для кривошипа приводного вала. Для перекачки текучих жидкостей на поршень устанавливаются уплотнительные кольца бронзовые или стальные. Насос двойного действия, поэтому при движении поршня вправо в левой части цилиндра создается вакуум, поэтому перекачиваемая жидкость по нижнему каналу приподнимает всасывающий клапан и через отверстие в клапанной коробке поступает в цилиндр. При ходе поршня влево жидкость из цилиндра будет поступать в левую клапанную коробку, закроет всасывающий клапан, откроет нагнетательный и по верхнему каналу поступит в напорный патрубок.
В то время как в левой части цилиндра идет вытеснение жидкости, в правой части идет процесс всасывания. При обратном ходе поршня в правой части идет процесс вытеснения. Таким образом, за один двойной ход поршня дважды совершается всасывание и дважды нагнетание. Поэтому такой насос называется насосом двойного действия.
Подача насосов типа РН-1 и РН-2 соответственно равна 0,72 и 1,44 м3/час, напор в пределах 30 м.
Ручной поршневой насос БКФ.
Отечественной промышленностью выпускаются два типа насоса: БКФ-2 и БКФ-4 с подачей 0,84 м3/час и 4 м3/час при числе качаний 40-60 в минуту. Напор насосов в пределах 30 м.
Принцип действия насосов, такой как РН-1.
Основные части насоса:
- корпус с цилиндром и клапанной коробкой, всасывающим и нагнетательным патрубками;
- поршень с уплотнительными кольцами;
- клапаны всасывающие и нагнетательные;
- приводная рукоятка с валом и кривошипно-шатунным механизмом.

Рис. 32 – Насос БКФ
1 – корпус насоса; 2 – поршень; 3 – всасывающий и напорный клапана; 4 – приводной механизм
Студенты должны разобраться с конструкцией и принципом действия самостоятельно. При этом необходимо знать, какого действия данный насос (простого или двойного), по каким каналам вода будет поступать из всасывающего патрубка в цилиндр и из него в напорный патрубок.
Приводной поршневой насос двойного действия 23П-17К
Насосы такой конструкции известны как «калифорнийские» (к) и выпускаются оно нескольких типоразмеров, в зависимости от чего меняется их подача. Производство из очень ограничено т.к. имеются более экономичные и менее металлоемкие центробежные насосы.
Основные части насоса:
· Корпус насоса (1) выполнен из чугуна. Вместе с корпусом выполнены всасывающая камера и гнезда для двух всасывающих клапанов. С обеих сторон корпус закрывается крышками, в передней крышке, со стороны привода имеется отверстие для штока с сальником. Сальник служит для предотвращения утечки воды из цилиндра.
· Нагнетательная камера с воздушным колпаком (6) служит для приема воды из цилиндра во время работы и отвода ее в нагнетательный патрубок. Воздушный колпак необходим для выравнивания подачи воды насосом. Между корпусом и нагнетательной камерой устанавливается диафрагма с двумя нагнетательными клапанами.
· Клапаны (всасывающие и нагнетательные) одного типа – тарельчатые пружинные с резиновым или кожаным уплотнением, что дает возможность откачивать воду из строительных котлованов при производстве работ.
· Поршень чугунный диск с уплотнением из кожаных манжет.
· Приводной механизм состоит из рабочего и холостого шкивов, двух шестерен для уменьшения хода поршня, коленчатого вала и шатуна.
Вся конструкция крепится на единой металлической раме.

Рис. 33 – Поршневой насос двойного действия 23П-17К
1 – корпус насоса; 2 – нагнетательная камера; 3 – всасывающие и нагнетательные клапаны; 4 – поршень; 5 – приводной механизм; 6 – металлическая рама
По принципу действия насос аналогичен насосам типа РН и БКФ. В цилиндре образуются две рабочие полости, отдельно каждая работает как насос простого действия
Подача левой (со стороны привода) полости цилиндра несколько меньше чем правой, т.к. часть объема занята штоком.
Подача насоса по формуле (4) усреднена по времени.
Мгновенный объем жидкости, подаваемый насосом равен:
, (5)
F- площадь поршня, дм2
v – скорость движения поршня, которая изменяется от нуля до максимального значения при среднем положении поршня.
Согласно теории кривошипно-шатунного механизма можно считать, что изменение мгновенной скорости подчиняется синусоидальному закону, т.е.:
, (6)
- радиус кривошипа;
-угол поворота кривошипа в единицу времени t.
Тогда мгновенная подача будет равна
(7)
График подачи воды простого действия показан на рис. 34(а).

Рис. 34 – Графики подачи воды поршневым насосом:
а – насос одинарного (простого) действия;
б – насос двойного действия
Подача изменяется от 0 до Qmax
Степень неравномерности подачи насоса простого действия составит:
/Qср=3,14
У поршневых насосов двойного действия синусоиды через фазу
складываются, т.к. в одной части цилиндра идет всасывание, в другой – нагнетание. График подачи поршневого насоса показан на рис. 34(б).
Степень неравномерности у насосов двойного действия составит:

Но, так или иначе когда поршень будет находиться в крайних мертвых точках подача будет равна нулю. Для выравнивания подачи служат воздушные колпаки. У насоса 23П-17К он установлен над нагнетательными колпаками. Выравнивание происходит за счет сжатия воздуха находящегося в воздушном колпаке. При среднем положении поршня в цилиндре подача будет Qmax, уровень воды в колпаке поднимется, и воздух в нем будет сжат. При положении поршня в крайних точках (кривошип находится в горизонтальном положении) подача осуществляется только за счет сжатого воздуха, который будет вытеснять воду из воздушного колпака.
Однако полностью устранить неравномерность в подаче воды не удается. Для лучшего выравнивания подачи воды иногда устанавливают дополнительно воздушные колпаки на всасывающем и напорном трубопроводе.
Крыльчатый насос «Альвейера».
Крыльчатый насос «Альвейера» применяют для перекачки незагрязненной жидкости. Принцип действия аналогичен поршневому насосу. Наибольшее распространение получили крыльчатые насосы двойного действия.
Основные детали насоса: корпус, крышка, крыло с двумя нагнетательными клапанами, диафрагма с двумя всасывающими клапанами и приводной вал с рукояткой.
Рис. 35 – Крыльчатый насос «Альвейера»
1, 6 – всасывающая и нагнетательная трубы; 2 – неподвижная диафрагма; 3 – крыло; 4 – откидной клапан; 5 - корпус
Корпус насоса – чугунная отливка с обработанной внутренней цилиндрической поверхностью и двумя патрубками (всасывающим и нагнетательным).
Крышка корпуса чугунная, крепится к корпусу болтами, в центре имеется отверстие для прохода вала с сальником.
Крыло насоса из чугуна, надевается на стальной вал. В крыле два отверстия, перекрываемые шарнирными (откидными) клапанами.
Диафрагма в виде «А»-образной неподвижной перегородки устанавливается в корпусе насоса над всасывающим отверстием. В диафрагме два отверстия, перекрываемые откидными клапанами.
Работает насос следующим образом. При повороте крыла по часовой стрелке в левой части образуется вакуум за счет увеличения объема между крылом и диафрагмой и под действием атмосферного давления вода приоткрывает всасывающий клапан и поступает в освободившееся пространство. При обратном движении крыла всасывающий клапан закрывается под тяжестью собственного веса, а нагнетательный открывается и пропускает воду в напорный патрубок. В правой половине процесс происходит аналогично.
Ручной диафрагмовый насос С-205А («Лягушка»)
.
Диафрагмовые насосы такого типа (рис. 36) применяются при ремонтных и строительных работах для откачки грунтовых и других загрязненных вод (из котлованов, траншей, канализационных и водопроводных колодцев). Принцип работы данного насоса такой же, как у поршневого насоса.
Рис. 36 – Ручной диафрагмовый насос С-205А
Основные детали насоса:
· Чугунный корпус (в виде чаши) с всасывающим патрубком, всасывающим клапаном шарнирного (откидного) типа;
· Крышка корпуса с проушинами в верхней части для крепления приводного механизма и по периметру для крепления с корпусом;
· Съемный нагнетательный патрубок с нагнетательным клапаном шарнирного (откидного) типа;
· Резиновая диафрагма с проушиной для крепления привода;
· Приводной рычаг.
Резиновая диафрагма, зажатая между корпусом и крышкой, совершает с помощью приводного рычага колебательные движения. При подъеме диафрагмы нагнетательный клапан закрыт, вода под действием атмосферного давления поступает по всасывающему шлангу через всасывающий патрубок и всасывающий клапан в корпус насоса. При опускании диафрагмы всасывающий клапан закрывается и вода, приподнимая нагнетательный клапан (под действием давления диафрагмы) поступает в нагнетательный патрубок.
Подобные насосы выпускались промышленностью и с механическим приводом.
Насос перед пуском следует залить водой. Подача его не более 7 м3/час, высота всасывания до 5,5 напор около 6 м.
Дата добавления: 2015-07-10; просмотров: 8295;
