Прецизионные ОУ
Эти усилители малой Uсм. К140УД13 (КМДП) Uсм=0,005мВ
3) Быстродействующие– отличаются большей частотой единичного усиления f1>10МГц, К140УД11, К154УД3.
4) Микромощные ОУ или батарейные – напряжение питания плюс минус 3В. К140УД12, К153УД4, К154УД1
5) Мощные ОУ отличаются Iвых>1А
6) Высоковольтные ОУUвых мах до 19В
3)Входные цепи ОУ - На входе ОУ ставят дифференциальные каскады.
Выходные цепи ОУ – это эмиттерные повторители или однотактный или двухтактный каскад.
4)Основные схемы включения ОУ
ОУ без ООС не включаются, т.к. гигантский коэффициент приводит к тому, что сигналы усиливаются до max значения, т.е. происходит ограничение сигнала. Существует единственная схема включения ОУ без ООС – это компараторное включение. Существует две основные схемы включения ОУ:
1) Инвертирующая схема включения ОУ
2) Не инвертирующая схема включения ОУ
Инвертирующая схема включения ОУ
ОУ – это усилитель постоянного тока, имеющий большой коэффициент усиления по напряжению, большое входное и малое выходное сопротивление, для получения возможности усиливать.
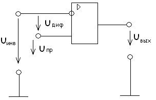
ОУ имеет два входа и один выход.
| Рис.55 |
Для ОУ различают три входных напряжения
| Рис.56 |
- для инвертирующего входа Uвых всегда противоположно по фазе Uпр
- для не инвертирующего входа Uвых всегда совпадает по фазе с Uпр.
Напряжение Uдиф между инвертирующими и не инвертирующими входами называют дифференциальным напряжением.
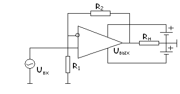
Операционный инвертирующий усилитель
Признак схемы: Uвх подается на инвертирующий вход, а прямой вход соединен с общей точкой. ООС обязательна.
| Рис.57 |
Свойства:
- Uвых всегда противоположно по фазе Uвх
- Uвых=-(R2/R1)*Uвх, где R2/R1 = Киос – желаемый коэффициент усиления Uвх с учетом отрицательной обратной связи – ООС. R1,R2 – резисторы цепи ООС, задающий этот коэффициент.
- Входное сопротивление схемы Rвх=R1
- выходное сопротивление Rвых=Rвых ОУ/1+Кu/ Киос, где Rвых ОУ – выходное сопротивление ОУ без ООС, Кu – коэффициент усиления ОУ без ООС.
Не инвертирующий усилитель на ОУ
Признак схемы: Uвх подается на прямой вход, а инверсный вход применяется для создания ООС.
| Рис.58 |
Свойства:
- Uвых всегда совпадает по фазе Uвх
- Uвых=Кuoc*Uвх, где Кuoc=1+R2/R1, желаемый коэффициент усиления Uвх, R2,R1 – резисторы цепи ООС, задающий этот коэффициент.
- Rвх=Rвх ОУ*(1+Ku/Kuoc)
- Rвых=Rвых ОУ/1+Кu/ Киос, где Ku - коэффициент усиления ОУ без ООС.
Дата добавления: 2015-08-11; просмотров: 1397;
