Динамические компрессоры.
Центробежные компрессоры. Центробежные компрессоры по принципу действия аналогичны центробежным насосам. Они имеют одно или несколько лопастных колес, при вращении которых развивается центробежная сила, сообщающая газу кинетическую энергию, преобразующуюся затем в энергию давления. В данном случае рабочим телом, в отличие от центробежных насосов, является газ, сжатие которого сопровождается уменьшением объема. По величине создаваемого избыточного давления центробежные компрессоры носят следующие наименования:
турбокомпрессоры - рабочее давление более 0,3 МПа;
турбогазодувки - от 0,01 до 0,3 МПа;
вентиляторы - до 0,01 МПа.
Турбогазодувки отличаются от турбокомпрессоров числом рабочих колес (ступеней сжатия): первые имеют 1 - 4, а вторые до 16 и более.
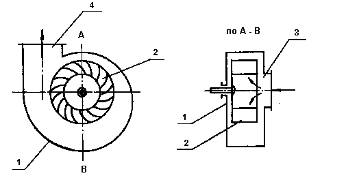
Турбогазодувки и турбокомпрессоры. Одноступенчатая тербогазодувка показана на рис.7.35.

Рис.7.34. Схема одноступенчатой турбогазодувки:
1 - корпус; 2 - рабочее колесо; 3 - направляющий аппарат; 4 - всасывающий патрубок; 5 - нагнетательный патрубок.
Работает турбогазодувка следующим образом. В спиралевидном корпусе 1 вращается рабочее колесо 2 с лопастями внутри направляющего аппарата 3, в котором происходит преобразование кинетической энергии газа в потенциальную энергию давления. Направляющий аппарат представляет собой два кольцевых диска соединенных между собой лопатками с наклоном, противоположным наклону лопастей рабочего колеса.
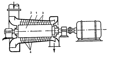
Схема многоступенчатой турбогазодувки представлена на рис.7.35.

Рис.7.35. Схема многоступенчатой турбогазодувки:
1 - корпус; 2 - рабочее колесо; 3 - направляющий аппарат; 4 - обратный канал.
Работает она следующим образом. Газ, пройдя через первое колесо 1 и направляющий аппарат 3 с более высоким давлением поступает через обратный канал 4 на следующее рабочее колесо. Диаметры рабочих колес турбогазодувки постоянны, но ширину их с учетом изменения объема газ при сжатии уменьшают в направлении от первого колеса к последнему. Таким путем достигается возможность сжатия газа в каждой последующей ступени без изменения скорости вращения и формы лопастей рабочих колес.
Степень сжатия в турбогазодувках не превышает 3, поэтому в турбогазодувках сжимаемый газ между ступенями не охлаждают.
Для получения более высоких степеней сжатия, чем в турбогазодувках, применяют турбокомпрессоры, по устройству аналогичные турбогазодувкам, но имеющие значительно большее число рабочих колес. В турбокомпрессорах по мере перехода к ступеням более высокого давления уменьшается не только ширина, но и диаметр рабочих колес. В связи с значительной степенью сжатия газа в турбокомпрессорах и соответствующим увеличением температуры газа производят его охлаждение, которое осуществляют путем подачи холодной воды в специальные каналы внутри корпуса, либо в выносных промежуточных холодильниках. Давление нагнетания в турбокомпрессорах достигает 2,5 - 3,0 МПа.
Центробежные вентиляторы. Центробежные вентиляторы условно делятся по величине избыточного давления на вентиляторы низкого давления (р < 103 Па); среднего давления (р=103- 3×103 Па) и высокого давления (р= 3×103- 104 Па).

Рис.7.36. Схема центробежного вентилятора низкого давления:
1 – корпус; 2 – рабочее колесо; 3, 4 – всасывающий и нагнетательный патрубки.
На рис.7.36 показана схема вентилятора низкого давления. В спиралеобразном корпусе 1 вентилятора вращается рабочее колесо 2 с большим числом лопаток. Отношение ширины лопатки к ее длине зависит от развиваемого давления и является наименьшим для вентиляторов высокого давления. Газ поступает по оси вентилятора через патрубок 3 и удаляется из корпуса вентилятора через нагнетательный патрубок 4. Лопатки вентилятора обычно выполняют загнутыми вперед (угол b2> 90°, см.рис.7.3), или загнутыми назад (b2< 90°) по направлению вращения колеса. При лопатках, загнутых вперед, заданный напор получают при меньшей окружной скорости колеса, соответственно, при меньшем его диаметре, чем при лопатках загнутых назад; однако гидравлическое сопротивление последних ниже.
Рабочие колеса вентиляторов низкого и среднего давления, обладающих большими производительностями, имеют относительно большую ширину. Для того, чтобы обеспечить прочность и жесткость широких колес, окружная скорость их ограничивается (не более 30 - 50 м/с). Поэтому рабочие колеса таких вентиляторов изготавливаются с лопатками, загнутыми вперед (b2= 120° - 150°), не считаясь с понижением гидравлического к.п.д. hгвентилятора.
У вентиляторов высокого давления, обладающих меньшей производительностью, ширина колес относительно невелика. Поэтому их лопатки обычно загнуты назад.
Характеристики центробежных вентиляторов подобны характеристикам центробежных насосов (см. рис.7.6), а зависимость производительности, напора и мощности от числа оборотов выражается уравнениями (7.27) - (7.28). Рабочий режим устанавливается по точке пересечения характеристики центробежного вентилятора с характеристикой сети (см. рис.7.8). Мощность на валу вентилятора Nвнаходят по уравнению
(7.68)
где
- производительность вентилятора, м3/с; Н - напор вентилятора, м; r - плотность газа, кг/м3; hв= lгhvhмех- к.п.д. вентилятора, определяемый произведением коэффициентов подачи lv, гидравлического lги механического lмехк.п.д.
Напор вентилятора Н рассчитывают с помощью уравнения (7.12) или определяют по рабочей точке (см. рис.7.8).
Осевые компрессоры и вентиляторы. Схема осевого компрессора показана на рис.7.37.

Рис.7.37. Схема осевого компрессора:
1 - корпус; 2 - ротор; 3 - лопасти; 4 - направляющий аппарат.
В корпусе 1 вращается с большой скоростью ротор 2 на котором расположены лопасти 3, имеющие форму винтовой поверхности. Газ захватывается лопастями и перемещается вдоль оси компрессора, получая при этом от лопастей и вращательное движение. Для устранения вращательного движения газа на внутренней поверхности корпуса укреплены неподвижные лопатки, образующий направляющий аппарат 4 по каналам которых газ поступает в напорный патрубок. Осевые компрессоры имеют значительное число ступеней (10 - 20) и работают без охлаждения газа. Они имеют высокий к.п.д., обеспечивают высокую производительность (более 20 м3/c), но создаваемое ими давление не превышает 0,5 - 0,6 МПа.
Осевые вентиляторы имеют сходство с осевым компрессором в том, что газ в нем движется вдоль оси вентилятора.
На рис.7.38 изображена схема осевого вентилятора. Такой вентилятор имеет корпус 1 в виде короткого участка цилиндрической трубы, в котором расположено рабочее колесо пропеллер с лопатками 2, изогнутыми по винтовой поверхности. При вращении рабочего колеса лопатки захватывают газ и перемещают его вдоль оси колеса. Вследствие низкого сопротивления, оказываемого вентилятором движущемуся потоку газа, и незначительности потерь на трение газа о лопатки, к.п.д осевых вентиляторов существенно выше, чем у центробежных.

Рис.7.38. Схема осевого вентилятора:
1 – корпус; 2 – пропеллер с лопатками.
В то же время напор, развиваемый осевыми вентиляторами, в 3 - 4 раза меньше, чем у центробежных вентиляторов, поэтому осевые вентиляторы применяют для перемещения больших количеств газа при незначительном сопротивлении сети.
Дата добавления: 2015-07-10; просмотров: 1424;
