Основные алгоритмические структуры
Изображены следующие блок-схемы: а -композиция, или следование; б -альтернатива, илиразвилка, в иг - блок-схемы, каждую из которых называютитерацией, илициклом (с предусловием (в), с постусловием (г)). S1 и S2 представляют собой в общем случае некоторые серии команд для соответствующего исполнителя, В - это условие, в зависимости от истинности (Т) или ложности (F) которого управление передаётся по одной из двух ветвей. Можно доказать, что для составления любого алгоритма достаточно представленных выше четырех блок-схем, если пользоваться их последовательностями и/или суперпозициями.
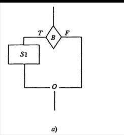
Блок-схема «альтернатива» может иметь и сокращенную форму, в которой отсутствует ветвь S2. Развитием блок-схемы типа альтернатива является блок-схема «выбор».

Развитие структуры типа «альтернатива»;
а) - неполная развилка; б) - структура «выбор»
Мы завершили рассмотрение основных структурных элементов алгоритмов: следования, развилки и цикла (повторения), являющихся базовыми элементами. Еще в 1966 году К. Бойм и Д. Якопини доказали, что алгоритм решения любой логической задачи можно составить из этих трех структур. С их помощью можно представлять любые линейные, разветвляющиеся и циклические алгоритмические процессы
Дата добавления: 2015-08-08; просмотров: 953;
