Классификация тепловизоров и получение ими изображения
Тепловизионные приборы предназначены для наблюдения объектов по их собственному излучению. Принцип действия приборов этого типа основан на преобразовании излучения инфракрасного (ИК) диапазона в видимый диапазон длин волн излучения. Спектральный диапазон, в котором работают тепловизоры, определяется интервалами длин волн в области максимума энергии излучения наблюдаемых объектов в соответствующих окнах прозрачности атмосферы. Обычно это интервалы длин волн от 3,5 до 5,5 мкм или от 8 до 13,5 мкм. Современные тепловизоры позволяют обнаруживать объекты, имеющие температурные контрасты до десятых и даже сотых долей градусов, формируют изображение в телевизионном или близком к телевизионному стандартах и находят, в связи с этим широкое применение в промышленности, медицине и военном деле.
Первым тепловизионным прибором, появившимся в конце 20-х годов, был эвапорограф, принцип действия которого основан на визуализации фазового рельефа масляной пленки, образующейся на поверхности мембраны при проекции на противоположную сторону этой мембраны теплового изображения. Эвапорогафы имели низкую пороговую чувствительность, большую инерционностью и давали изображение с очень малым контрастом.
В 40-е годы наметились две тенденции в развитии тепловизионных приборов. К первой группе приборов относятся тепловизоры, в которых для преобразования оптического сигнала ИК-диапазона в электрический сигнал используется принцип оптико-механического сканирования (ОМС), а ко второй группе приборов – тепловизоры с электронным сканированием. В тепловизорах первого типа используются одноэлементные или многоэлементные ИК приемники излучения (ПИ) мгновенного действия, а в тепловизорах второго типа в качестве ПИ используются ИК видиконы, пириконы, а сейчас уже и матричные приемники излучения, так называемые фокальные матрицы, работающие в режиме накопления зарядов и основанные на различных физических принципах.
Большинство используемых в настоящее время тепловизионных приборов построены по первому принципу, но в связи с успехами в технологии производства матричных приемников излучения появились приборы без оптико-механического сканирования, которые не только не уступают, но даже превосходят приборы первого типа по потребительским свойствам [1,2,3].
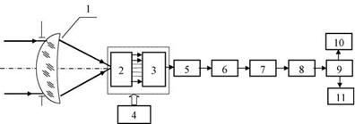
На рис.1.1 представлена обобщенная функциональная схема тепловизора с фокальной ИК матрицей.

Рис. 1.1 Обобщенная функциональная схема тепловизора с фокальной матрицей: 1 – оптическая система; 2 – фокальная матрица с предусилителями; 3 – мультиплексор; 4 – система охлаждения; 5 – корректор неоднородности характеристик чувствительных элементов; 6 – аналого-цифровой преобразователь; 7 – цифровой корректор неоднородности; 8 – корректор неработающих ячеек; 9 – формирователь изображения; 10 – дисплей; 11 – цифровой выход.
Фокальные ИК матрицы могут иметь размерность 128х128, 256х256 и даже 512х512 элементов при размере этих чувствительных элементов 30х30 мкм2. Фокальные матрицы изготавливаются как функционально законченные фотоприемные устройства (ФПУ), включающие систему охлаждения, предусилители, мультиплексор, корректор неоднородности характеристик чувствительных элементов, аналого-цифровой преобразователь, блоки цифровой обработки и формирователь выходных сигналов. Сигналы с выхода такого ФПУ могут передаваться на видеоконтрольное устройство (ВКУ) телевизионного типа либо в цифровом виде в блоки цифровой обработки.
На рис.1.2 представлена обобщенная функциональная схема тепловизора с системой (ОМС).

Рис. 1.2 Обобщенная функциональная схема сканирующего тепловизора: 1 – оптическая система; 2 – блок оптико-механического сканирования; 3 – приемник излучения; 4 – система охлаждения; 5 – электронный тракт; 6 – видеоконтрольное устройство; 7 – система синхронизации.
Система ОМС, в общем случае, должна обеспечивать обзор пространства предметов – сканирование, как в направлении строк (по горизонту), так и по кадру (в вертикальном направлении), что иллюстрируется рис.1.3.
Существует множество схем сканирующих тепловизоров, различающихся методами сканирования, обработки сигналов и представления выходного изображения. Эти различия, во многом, обусловлены топологией ПИ, используемых в тех или иных приборах. В частности, в тепловизорах с системами ОМС могут использоваться одноэлементные, а также многоэлементные ПИ в виде линеек или матриц (см.рис.1.4). Кроме этого, в качестве видеоконтрольного устройства, помимо широко применяемых ТВ-мониторов, используются различного рода устройства с линейками светодиодов и оптико-механическими системами развертки.

Рис. 1.3 Функциональная схема тепловизора со сканированием по строкам и кадру: 1 – объектив; 2 и 3 – сканирующие зеркала; 4 – приемник излучения; 5 электронный тракт; 6 – видеоконтрольное устройство.

Рис. 1.4 Методы сканирования: а) – сканирование одноэлементным ПИ; б) – последовательное сканирование линейкой чувствительных элементов; в) – параллельное сканирование линейкой чувствительных элементов; г) параллельно- последовательное сканирование матричным ПИ.
Различают следующие методы сканирования пространства предметов и развертки при формировании выходного изображения: последовательное, параллельное и параллельно-последовательное. При последовательном сканировании или развертке осуществляется изменение направления визирной оси и преобразование сигнала поочередно вдоль каждой из строк изображения с последующим переходом на каждую следующую строку. Такое сканирование или развертка могут осуществляется при использовании одноэлементных ПИ или СД, а также ПИ или СД в виде линеек, элементы которых ориентированы вдоль строки.
При параллельном сканировании или развертке площадки ПИ или СД, выполненные в виде линейки, ориентированы перпендикулярно направлению движения визирной оси. При параллельно-последовательном сканировании или развертке используются ПИ и СД в виде линеек или матриц, а обзор поля производится последовательно по зонам.
В соответствии с наиболее целесообразными сочетаниями типов сканирования, обработки сигналов и развертки тепловизионные приборы с системами ОМС строят на основе следующих 4-х основных принципов:
– параллельное сканирование, параллельная обработка видеосигналов и параллельная развертка (рис.1.5);

Рис. 1.5 Тепловизор с параллельным сканированием и параллельной разверткой изображения: 1 – объектив; 2 – сканирующее зеркало; 3 – линейка светодиодов; 4 – линейка ПИ; 5 – окуляр.
– параллельное сканирование, параллельная обработка сигналов с последующим их преобразованием (мультиплексированием) для вывода изображения на ТВ-монитор (рис.1.6);

Рис. 1.6 Тепловизор с параллельным сканированием и параллельной обработкой сигналов с последующим мультиплексированием для вывода изображения на ТВ монитор: 1 – объектив; 2 – сканирующее зеркало; 3 – линейка ПИ; 4 – линейка светодиодов; 5 – проекционный объектив; 6 – передающая телевизионная трубка (матрица ПЗС); 7 – ТВ монитор.
– параллельно-последовательное сканирование и развертка с параллельной обработкой сигналов (рис.1.7);

Рис. 1.7 Тепловизор с параллельно-последовательным сканированием, параллельной обработкой сигналов и параллельно-последовательной разверткой изображения: 1 – объектив; 2 – сканирующее зеркало; 3 – матрица светодиодов; 4 – матрица ПИ; 5 – окуляр.
- последовательная обработка сигналов с преобразованием сигнала для вывода на ТВ-монитор (рис.1.8).

Рис. 1.8 Тепловизор с последовательным сканированием линейкой ПИ и преобразованием сигналов для вывода изображения на ТВ монитор: 1 – объектив; 2 и 3 – сканирующие зеркала; 4 – линейка ПИ; 5 – линии задержки с сумматором; 6 – видеоусилитель; 7 – ТВ монитор.
Дата добавления: 2015-08-01; просмотров: 1891;
