По конструктивным особенностям
Конструктивные особенности учитываются путем определения минимальной конструктивной высоты фундамента и назначением глубины фундамента не менее данного значения.

Окончательно принимается глубина заложения максимальная из вышеперечисленных: 
7.2.4
8.2.4 Определение размеров подошвы фундамента l×b методом Лалетина.
Форма и площадь подошвы фундамента определяется конфигурацией в плане возводимой наземной конструкции.
Определение требуемых размеров подошвы фундамента ведется одновременно с вычислением расчетного давления на грунт основания по методу Лалетина.
Определяем размеры подошвы фундамента исходя из условия, что среднее давление по подошве фундамента от основного сочетания расчетных нагрузок при расчете по деформациям меньше расчетного сопротивления основания.
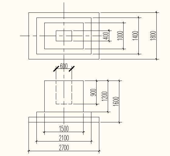
Сечение колонны 600х400 мм. Глубина заложения фундамента 1,7 м. Инженерно-геологические условия соответствуют скважине на рис. 2. Физико-механические характеристики грунтов соответствуют табл. 1. Колонна нагружена вертикальной нагрузкой с расчетным значением на уровне обреза фундамента N0II = 224 т, изгибающей нагрузкой с расчетным значением изгибающего момента M0II = 0 т·м, горизонтальной нагрузкой с расчетным значением Т0II = 0 т. Схема нагрузок представлена на рис.1.
Размеры подошвы фундамента определяли графическим методом (методом Лалетина).
Среднее давление по подошве фундамента определяли по формуле:

Соотношение сторон подошвы фундамента принимали равным соотношению сторон сечения колонны:
.
Коэффициент
принимали в зависимости от предварительного значения эксцентриситета, определенного по формуле:

Для
принимаем
.
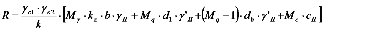
Расчетное сопротивление грунтов основания определяли по формуле:
=
=1.2*1.1/1*(0.61*1*b*1.94+3.44*4.7*1.94+(3.44-1)2*1.94+6.01*0.12)
Несущим слоем является суглинок желто-бурый со значением
=220.
Mγ = 0,61,
Mq = 3,44,
Mc = 6,01.
Коэффициенты условий работы:
γс1 = 1,2,
γс2 = 1,1.
Коэффициент k = 1, так как характеристики грунтов определены по данным испытаний. Коэффициент kz = 1 как b < 10.
т/м3 – расчетный удельный вес грунтов, залегающих выше подошвы фундамента;
т/м3 – расчетный удельный вес грунтов, залегающих ниже подошвы фундамента;
Значения d1 = 4,6 м, db = 2.
Таким образом, получаем значения:
| в | Р | R |
| 152,3333 | 55,53288 | |
| 40,33333 | 57,09496 | |
| 19,59259 | 58,65705 | |
| 12,33333 | 60,21914 | |
| 8,973333 | 61,78123 | |
| 7,148148 | 63,34332 | |
| 6,047619 | 64,9054 | |
| 5,333333 | 66,46749 | |
| 4,843621 | 68,02958 | |
| 1,67 | 56,5456 | 56,57947 |
Таблица 5 – Значения сопротивлений в соответствии с шириной

Рисунок 2 – Графический метод выбора ширины фундамента.
Графики пересекаются в точке с абсциссой b = 1,67 м, принимаем конструктивно b = 1,8 м.
Тогда, соответственно, длина фундамента L = 1,8*1,5= 2,7 м.
3.3 Конструирование фундамента
Рисунок 3 – Конструкция фундамента мелкого заложения
Далее следует принять окончательные размеры фундамента с учетом давления по краям подошвы фундамента (краевые давления) и среднее давление по подошве фундамента. Найденные величины должны удовлетворять условиям:

Объем фундамента:
м3.
Объем общий:
м3.
Объем грунта:
м3.
Вес фундамента:
тс.
Вес грунта:
тс.
Вычисляем значение R в соответствии с найденными размерами фундамента:


Дата добавления: 2015-07-30; просмотров: 1678;
