Технологические автоматы
Автомат – устройство, выполняющее по заданной программе без непосредственного участия человека все операции в процессах получения, преобразования, передачи и распределения (использования) энергии, материалов и информации. Программа автомата задается либо в его конструкции (автомат с жестким рабочим циклом), либо извне в виде управляющей программы или с помощью копировальных (моделирующих, задающих) устройств.
Технологический автомат – это рабочая машина, которая самостоятельно выполняет все рабочие и холостые ходы, кроме операций наладки и устранения отказов в работе. Конструктивным признаком автомата является наличие полного комплекта механизмов рабочих и холостых ходов (целевых механизмов автоматов), выполняющих все
действия, необходимые для получения годной продукции.
В массовом производстве, как отмечалось, наибольшее распространение получили машины и агрегаты циклического действия, в которых рабочие и холостые ходы периодически повторяются через определенный интервал времени, называемый рабочим циклом. За каждый рабочий цикл выдается либо одно изделие, либо порция (партия) изделий.
Технологические автоматы предназначены для автоматического выполнения одной или ограниченного набора технологических операций при изготовлении изделия. В массовом производстве автоматы ориентированы на определенные технологические операции и на определенный объект обработки и являются специальным или специализированным оборудованием. Структура автомата представлена на рис. 2.
В составе технологического автомата можно выделить: технологическую машину, предназначенную для выполнения требуемой технологической операции (или их набора); загрузочно-разгрузочное устройство, предназначенное для автоматической подачи заготовок на рабочую позицию технологической машины и удаления обработанных изделий; устройство управления, обеспечивающее требуемый рабочий цикл автомата.
Накопитель заготовок обеспечивает автомат необходимым запасом заготовок для автоматической работы в течение заданного времени. Изготовленные изделия удаляются в накопитель изделий. Автомат функционирует в определенной производственной или технологической среде, с которой взаимодействует (рис. 3).
С внешней технологической средой автомат связан через материальный и информационный потоки. Материальный поток включает движение поступающих в автомат заготовок и материалов, удаляемых обработанных изделий и технологических отходов. Информационный поток автомата определяется поступающими извне командами и управляющими сигналами, а также информационными сигналами, генерируемыми устройствами автомата и несущими информацию о его состоянии. Для "жесткого" автомата информационный поток минимален. Этот поток определяется ограниченным набором команд, поступающих извне, и осведомительных сигналов, выдаваемых системой управления автомата (например, команды: "пуск", "стоп", "режим" и др.; сигналы: "автоматическая работа", "наладка" и др.).
На рис. 4 приведен пример автомата для механической обработки деталей. Этот автомат осуществляет сверление отверстий в небольших деталях и выполнен на базе двухшпиндельного сверлильного станка. Станок оснащен бункерным загрузочным устройством 4, из которого заготовки поштучно выдаются в ориентированном положении на транспортные лотки 3 и скатываются в двухместное зажимное приспособление 1.
Зажим ориентированных заготовок осуществляется с использованием управляемого пневматического привода 2. После зажима заготовок кулачковый механизм 5 обеспечивает рабочую подачу шпинделей 8 для выполнения операции сверления.
После сверления и отвода шпинделей происходит освобождение обработанных деталей, и по отводящим лоткам 9 они скатываются в приемную тару. Конечные выключатели 6 и 7 используются для контроля положения рабочих шпинделей при управлении автоматом.
При жесткой автоматизации разработка средств автоматизации ведется с ориентацией на конкретный объект производства или на ограниченную номенклатуру таких объектов.
Рассмотрим в качестве примера автоматический токарный станок, схема которого представлена на рис. 5. На передней бабке 1 станка, оснащенного автоматическим патроном 2 для зажима обрабатываемой заготовки, установлен лотковый магазин 3 для заготовок. Используются штучные заготовки в виде валиков определенной длины и диаметра. Для подачи заготовок в патрон станка применен секторный питатель 4, который захватывает заготовку из магазина и перемещает ее в патрон станка.
После окончания загрузки станка цикловая система управления станком обеспечивает требуемый рабочий цикл обработки. Обработанная деталь гидравлическим механизмом 5 удаляется из патрона станка.
При изменении размеров обрабатываемой заготовки необходимо изменить настройку патрона станка (при этом может потребоваться замена кулачков), настроить лоток магазина, заменить и настроить захватные устройства питателя и разгрузочного механизма. Может потребоваться и перестройка цикловой системы управления.
Трудоемкость и стоимость таких работ значительна и экономически целесообразна только в том случае, когда затраты распределяются на большое число изготовленных между перенастройками деталей, что незначительно увеличивает себестоимость обработки. Все сказанное справедливо для любых технологических автоматов с "жестким" рабочим циклом.
Элементы системы управления автоматов связаны с их конструкцией. Используются два основных принципа управления "жесткими" технологическими автоматами: механическое управление от профилированных кулачков и цикловое управление с получением информации о состоянии автомата от предусмотренных в конструкции автомата датчиков.
На рис. 6 показана кулачковая система управления технологическим автоматом. В качестве примера рассмотрен автоматический токарный металлорежущий станок. Для управления рабочим циклом автомата используется кулачковый вал 1 с закрепленными на нем кулачками 2 и 3. Вал вращается с помощью специального привода. Время одного оборота вала равно длительности рабочего цикла автомата.
При управлении от кулачкового вала траектория взаимного перемещения объекта обработки 5 и обрабатывающего инструмента 4 определяется торцевым 2 и радиальным 3 кулачками, закрепленными на вращающемся валу 1. Рычаг 6 передает движение торцевого кулачка 2 объекту обработки 5. Профили обеих кулачков должны быть согласованы. Величина и скорость перемещений определяется профилем кулачков. При изменении траектории взаимного движения кулачки приходится заменять.
Пример использования кулачкового управления в токарном кулачковом автомате для фасонного точения деталей приведен на рис 7. На этом рисунке приняты следующие обозначения: а) – система с поступательным движением толкателей; 1 – передний суппорт; 2 – задний суппорт; 3 – балансир; 4 – упор; 5 – кулачок; 6 – пружина; 7 – распределительный вал; б) – система с качательным движением толкателей.
Кулачки распределительного вала вращаются одновременно и обеспечивают строгую синхронность перемещения рабочих органов станка. Профиль кулачков состоит из цилиндрических и наклонных участков. При взаимодействии с цилиндрическим участком балансир 3 не поворачивается относительно оси и поэтому рабочий орган не изменяет своего положения. На наклонных участках кулачка балансир 3 поворачивается относительно оси и передает движение рабочему органу. Профиль кулачков соответствует требуемой программе движения исполнительных органов.
Для кулачков следует выбирать такую форму и размеры отдельных участков профиля, чтобы обеспечить оптимальную скорость и ускорение рабочего органа, а также минимальное время на выполнение холостых ходов.
В случае циклового управления (рис. 8) устройство управления получает информацию о положении объекта управления 2 от конечных или путевых выключателей S1 и S2. Включая или реверсируя электродвигатель М привода, устройство управления обеспечивает требуемое позиционирование объекта 2 с помощью ходового винта 1. Упор 3 взаимодействует с конечными выключателями. Величина перемещений определяется установкой конечных выключателей или упоров. При перестройке подобной системы приходится изменять положение конечных выключателей и перестраивать цикл устройства управления.
Пример токарного автомата с цикловым управлением показан на рис. 9. Автомат изготавливает гладкий валик. Обрабатываемая заготовка последовательно обтачивается проходным резцом 3 и отрезается отрезным резцом 2. Привод суппортов осуществляется от электродвигателей М1 и М2 с устройствами управления А и В. Конечные положения суппортов контролируются конечными выключателями a1, а2, в1, в2.
Для автоматической обработки необходимо обеспечить следующий цикл работы устройств рассматриваемого токарного автомата:
1. Пуск. Начало цикла.
2. Обточка детали. Срабатывает устройство управления, и двигатель М1 перемещает продольный суппорт из положения 1 (нажат выключатель a1) в положение 2 (нажат выключатель a2).
3. Отрезка детали. Срабатывает устройство управления В, и мотор М2 перемещает отрезной суппорт из положения 1 (нажат выключатель в1) в положение 2 (нажат выключатель в2).
4. Возврат продольного суппорта в исходное положение. Устройство управления А включает мотор М1 в реверсном направлении. В конце хода выключатель a1 нажат, а выключатель а2 отпущен.
5. Возврат отрезного суппорта в исходное положение. Устройство управления В включает мотор М2 в реверсном направлении. В конце входа выключатель в1 нажат, а выключатель в2 отпущен.
6. Стоп. Окончание рабочего цикла.
Система управления автоматом должна контролировать состояние конечных выключателей (датчиков положения рабочих органов автомата) и выдавать управляющие сигналы на электродвигатели приводов. Управляющие сигналы формируются на основе проверки выполнения логических условий перехода к очередному такту рабочего цикла автомата.
Цикловое управление получило широкое распространение в технике автоматизации массового производства и используется для управления разнообразным оборудованием.
Принципиальная схема циклового манипулятора с пневматическим приводом показана на рис. 10. Пневмоцилиндр ЦП обеспечивает вертикальное перемещение руки манипулятора. Подача воздуха в пневмоцилиндр обеспечивается двухпозиционным распределителем ЗП с электромагнитным управлением. Горизонтальное движение руки имеет привод от пневмоцилиндра ЦP, управляемого двухпозиционным распределителем ЗР с электромагнитным управлением. Конечные выключатели S1, S2,S3, S4 являются датчиками сигналов обратной связи. Конечные положения перемещающихся органов определяются упорами, не показанными на схеме.
Таким образом, состояние привода в каждый момент времени определяется комбинацией сигналов, поступавших от конечных выключателей S1, S2, S3, S4и включением или выключением управлявших электромагнитов К1 и К2 распределителей. Состояние конечных выключателей S1, S2, S3, S4с помощью схемы включения преобразуется в потенциальные сигналыХ1, Х2, Х3, Х4. Эти сигналы подаются на вход системы управления СУ. В зависимости от значения входных сигналов X и требуемой последовательности перемещений система управления СУ вырабатывает сигналы управления У1 и У2 распределителями К1 и К2. Необходимая последовательность сигналов управления определит рабочий цикл.
Технологические автоматы, построенные с использованием изложенных принципов, могут иметь различное назначение. Так, в самых разных отраслях промышленности получили распространение фасовочно-упаковочные автоматы.
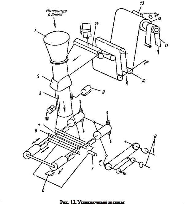
Принципиальная схема упаковочного автомата, используемого в шинной и резинотехнической промышленности, показана на рис.11.
Поступающая в автомат полиэтиленовая плёнка оборачивается вокруг трубчатого шаблона (рукавообразователя), находящегося в формирующем элементе 2, и сваривается нагревательным элементом продольного шва 3. В результате получается цилиндрическая полиэтиленовая трубка. Порошковый ингредиент с весового дозатора поступает в упаковочный автомат через загрузочную воронку 1 и направляющую трубу. Он засыпается в сформированную полиэтиленовую трубку.
Нагревательный стыковочный элемент 4 заваривает нижний поперечный шов пакета. Одновременно ножом 7 отрезается готовый мешок с порошком. Верхний стык мешка заваривается нагревательным стыковочным элементом 5. Этот стык отрезает одновременно дно следующего мешка.
Продольная сварка осуществляется бесконтактным способом струей нагретого сжатого воздуха. В механизме продольной сварки 3 предусмотрена возможность регулирования зазора между сварочной головкой и пленкой. Поперечная сварка осуществляется сваривающей головкой, на которой смонтированы три нагревательных элемента 4 и 5, покрытых лакотканью. Для охлаждения нагревательных элементов по каналам сварочной головки циркулирует вода. Охлаждаются также нагретые швы.
Протяжка плёнки производится двумя обрезиненными роликами, получающими вращение от электродвигателя. Для прерывания процесса протяжки плёнки во время осуществления сварки предусмотрены две электромагнитные муфты. Для приёма материала от весов предусмотрена загрузочная воронка 1, выполненная из листовой резины и расположенная внутри металлической решётки, которая, в свою очередь, приводится в движение для предотвращения зависания материала.
В конструкции автомата имеются также счетчик мешков 6, управляющие кулачковые валы 8, вибратор 9, компенсатор натяжения пленки 10, тормоз рулона 11, рулон пленки 12, датчик диаметра рулона 13, тормоз заправки 14.
В автомате имеется уплотнение, представляющее собой резиновую камеру, в которую во время загрузки материала в пакет подаётся воз
|
дух, в результате чего плёнка обжимается вокруг трубы, предотвращая пыление из зоны загрузки, что улучшает качество швов. В целом конструкция автомата исключает контакт с вредными пылящими материалами, позволяет получить высокое качество шва.
Автомат успешно применяется в промышленности для упаковки ингредиентов резиновых смесей и может быть использован для упаковки других сыпучих и порошковых материалов: химикатов, моющих средств, цемента, гипса, различных пищевых продуктов (мука, сахар, соль и др.).
Рассмотренные выше автоматы обеспечивают циклическое повторение определенного программой набора операций. Такие автоматы характерны для дискретного производства, результатом которого являются отдельные изделия. Наряду с дискретным производством существует и непрерывное производство, типичным примером которого может служить нефтехимическое и химическое производство.
Целый ряд продуктов такого производства выпускается в массовых количествах (крупнотоннажное производство) с использованием непрерывных технологических процессов. При их автоматизации основной задачей является непрерывное обеспечение требуемых параметров технологического процесса, обеспечивающих необходимую производительность и качество при выпуске продукции. Технологическими автоматами в непрерывном производстве являются технологические аппараты и установки, реализующие операции технологического процесса в автоматическом режиме.
В качестве примера на рис. 12 показана схема дистилляционной колонны для отделения метанола от воды, работающая в автоматическом режиме. Технологический процесс разделения осуществляется в технологической установке – дистилляционной колонне, через которую непрерывно прокачивается технологический продукт, представляющий собой смесь метанола с водой.
Входной поток создается насосами, которые на схеме не показаны. Колонна взаимодействует с двумя теплообменниками, в которые поступают вода, охлаждающая дистиллят, и пар для подогрева остатка. Для штатного протекания технологического процесса разделения компонентов необходимо поддерживать требуемые значения уровня жидкости в теплообменниках и концентрацию для дистиллята и остатка.
Автоматизация процесса осуществляется за счет применения автоматических регуляторов уровня LC и концентрации QC, которые обеспечивают требуемые параметры технологического процесса при изменении условий его протекания (изменение свойств исходного потока, изменение температуры и другие возмущающие воздействия). Наличие автоматического регулирования технологических параметров процесса обеспечивает его оптимальное протекание при необходимой производительности и качестве продукта. Для непрерывных процессов характерной чертой их автоматизации является необходимость автоматизации управления процессом.
Отдельные технологические автоматы позволяют автоматизировать одну или ограниченное число основных технологических операций. Вспомогательные технологические операции требуют самостоятельных средств автоматизации. При автоматизации технологических процессов в первую очередь в автоматизации нуждаются операции складирования и накопления, операции транспорта и загрузки-разгрузки автоматического оборудования.
При проектировании технологического автомата исходят, прежде всего, из необходимости обеспечить его требуемую производительность. Производительность автомата определяется следующим образом
,
где To – основное время обработки изделия,
Tв – вспомогательное время рабочего цикла автомата (время загрузки-разгрузки и других вспомогательных операций),
Tор – суммарные затраты времени, вызванные организационно-техническими причинами и отнесенные на один рабочий цикл автомата (приведенные потери времени),
Pо – производительность абсолютного автомата,
η – коэффициент использования автомата по времени.
Для повышения производительности необходимо сокращать составляющие времени рабочего цикла автомата. Другим путем повышения производительности технологического автомата явля-ется совмещение во времени отдельных технологических опе-раций (основных и вспомога-тельных). Наиболее эффективно совмещение во времени основ-ных операций технологического процесса с операциями транс-портировки. Реализация этого принципа осуществляется в роторных автоматах.
Схема роторного автомата приведена на рис. 13. В составе автомата можно выделить следующие элементы: 1, 2, 3 – зубчатые колеса привода; 4, 10 – ползуны перемещения инстру-ментальных блоков; 5, 11 – неподвижные копиры, 6 – центральный вал; 7, 9 – несущий орган транспортного ротора; 8 – инструментальный блок; 12, 14 – транспортные роторы, 13 – рабочий ротор.
Роторы автомата непрерывно вращаются за счет привода. При этом транспортный ротор 14 осуществляет подачу заготовки на рабочий ротор 13, где она закрепляется на рабочей позиции. При вращении рабочего ротора инструмент в блоках 8 подводится к заготовке копирами 5 и 11 и происходит обработка заготовки. При этом движения подачи осуществляются за счет подбора необходимого профиля копиров. Обработанная заготовка снимается транспортным ротором 12 и удаляется из автомата.
Обработка на роторном автомате идет при непрерывном движении заготовки и инструментов. Все движения обеспечиваются вращением рабочего ротора и взаимодействием закрепленных на нем ползунов, имеющих направляющие для линейных перемещений, с профильными копирами (использовано кулачковое управление рабочими движениями автомата).
Роторный автомат целиком ориентирован на реализацию конкретного технологического процесса (для конкретного изделия) и является жестким специальным средством автоматизации. Основное достоинство роторного автомата – возможность получения высокой производительности. Увеличение производительности роторного автомата возможно за счет увеличения числа рабочих позиций рабочего ротора.
Дата добавления: 2015-07-30; просмотров: 7063;
