Турбинная ступень с диффузором.
4.1. Устройство и рабочий процесс.
Диффузоры предназначены для преобразования части кинетической энергии рабочего тела в потенциальную энергию давления.
Если предположить, то давление перед и за турбинной ступенью определяются внешними условиями, то установка диффузора за обычной ступенью приведет к понижению давления за рабочим колесом, так как давление за диффузором будет равно выходному давлению ступени без диффузора. На рис. 9 приведена схема ступени с диффузором и изменение давления и скорости по длине проточной части.

Рис. 9. Схема проточной части ступени с диффузором и изменения давления и абсолютной скорости по длине проточной части: - ступень без диффузора; --- ступень с диффузором.
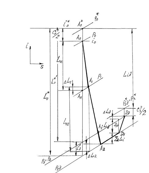
Понижение давления в рабочей решеткой увеличивает располагаемую работу ступени, повышая ее тепловую эффективность. На рис. 10. представлен рабочий процесс турбинной ступени с диффузором. Из рисунка видно, что располагаемая работа повышается на величину Lд, что равносильно увеличению ее КПД. Изменение энтропии, вызванное внутренними потерями энергии в сопловой и рабочей решетках на диаграмме отмечено процессом А1Д1, а действительный процесс в диффузоре изображен линией Д1Д2.
Использование диффузора целесообразно в одиночных ступенях или последних ступенях группы. В первых и промежуточных ступенях группы энергия с выходной скоростью практически полностью используется в последующих.
Эффективность ступени с диффузором будет тем выше, чем больше скорость с2 за рабочей решеткой. Увеличение скорости с2 наблюдается при изменении режима работы, особенно при отклонении частоты вращения от номинальной. Однако, с увеличением скорости имеет место существенное изменение угла выхода потока a2. Поэтому для обеспечения высоко КПД диффузора его следует выполнять лопаточным, а лопатки поворотными.
Потери энергии в диффузоре можно определить по формуле (см. рис.10):
, (4.1)
где
-газодинамический КПД диффузора.

Рис. 10. Рабочий процесс в Si - диаграмме турбинной ступени с диффузором.
Увеличение располагаемой работы ступени с диффузором на величину
приведет к повышению КПД, если при этом увеличится внутренняя работа. Для увеличения внутренней работы ступени с диффузором должны выполняться три условия:
1) должна быть достаточно велика выходная энергия из рабочей решетки;
2) диффузор должен быть аэродинамически совершенен, т.е. иметь высокий КПД;
3) скорость с3 должна быть существенно меньше с2.
Третье условие сводиться к тому, чтобы сжимающая способность диффузора, определяемая отношением площадей fд, была достаточно велика.
Поскольку
, то
. (4.2)
Прирост внутреннего КПД за счет установки за ступенью лопаточного диффузора можно определить по выражению
. (4.3)
В уравнении (4.3) неизвестные величины определяются по уравнениям [8]:
;
;
;
,
.
В силу того, что с2=с2д формулу (4.3) можно привести к более простому виду:
. (4.4)
Формула (4.4) наглядно указывает факторы, обеспечивающие прирост КПД, вследствие добавления диффузора и позволяет произвести достаточно точную количественную их оценку.
Дата добавления: 2015-07-18; просмотров: 1171;
