Водоопреснительная установка
Водоопреснительная установка предназначена для получения дистиллята из морской воды и снабжения им всех потребителей, таких как КПС, системы охлаждения, бытовые потребители и т.д.
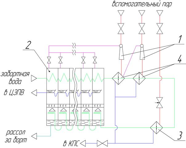
Принципиальная схема ВОУ представлена на рис.17.

Рис. 17. Принципиальная схема ВОУ
На рис.17 представлено следующее оборудование:
1. эжекторы для отсоса ПВС и создания разрежения;
2. собственно ВОУ;
3. водоподогреватель;
4. конденсаторы эжекторов.
Принцип действия ВОУ следующий: забортная вода, проходя ряд поверхностей теплообмена (конденсаторы 4 и водоподогреватель 3) попадает в секции установки, где с помощью эжекторов 1 поддерживается разрежение. В условиях разрежения начинается интенсивное кипение забортной воды, пар собирается в секциях установки у подволока, где проходят трубы холодной забортной воды. При соприкосновении с данными трубами пар конденсируется. Конденсат стекает на специальные поддоны и выводится из установки к потребителям. ВОУ выполнена таким образом, что в каждой последующей секции установки разрежение выше, чем в предыдущей. Это необходимо, чтобы интенсифицировать процесс вскипания в последних секциях, т.к. забортная вода, не выпарившаяся в первой секции установки, попадает во вторую и так далее, при этом солесодержание в данной воде возрастает.
Невыпарившаяся забортная вода с высоким солесодержанием удаляется из установки за борт.
К водоопреснительным установкам предъявляются следующие основные требования:
1) надежность работы и обеспечение спецификационного качества дистиллята и производительности установки в течение длительного срока (обычно не менее 1500—2000 час.) без чистки греющих элементов;
2) простота конструкции и обслуживания, безотказность в действии, в частности, при качке, удобство разборки, ремонта и очистки поверхностей нагрева;
3) лёгкая автоматизация работы установки.
Дата добавления: 2015-07-18; просмотров: 2477;
