Деаератори.
Термічні деаератори застосовуються для деаерації живильної води ПГ і реакторів (при одноконтурній схемі), а також живильної води теплових мереж, першого контура і так далі.
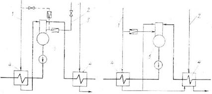
Вони включаються в систему регенеративного підігріва. При цьому застосовуються дві схеми під’єднання їх до відборів турбін:
-деаератор може бути підключений як окремий регенеративний підігрівач;
-може бути підключений перед основним поверхневим підігрівачем як окремий ступінь підігріва того ж відбору (рис.8.3.).

Рис.8.3.Схеми включення деаератора.
1,2,3-від послідовних відборів турбіни; 4-регенеративний підігрівач; 5-деаератор.
По схемі а) при зміні навантаження турбіни деаератор або працює на змінному тиску, або тиск в ньому вибирається помітно меншим від Ротб і підтримується постійним з допомогою дроселювания.
На змінному тиску погіршуються умови роботи живильних насосів, дроселювання пари призводить до зменшення теплової економічності. При значному зниженні тиску пари у відборі необхідно передбачити додаткове підведення пари з вищестоячого відбору. Така схема застосовується на електростанціях з базовим навантаженням або на ТЕЦ при приєднанні деаератора до виробничого відбору.
По схемі б) деаератор і наступний за ним підігрівач складає разом один ступінь підігріва. Дроселювання пари на вході в деаератор тут ніяк не відображується на тепловій економічності. Тому ця схема знайшла найбільш широке розповсюдження.
Деаератори живильної води парогенератора на сучасних електростанціях працюють при Р=0,6-0,7 МПа. Деаерація води випарників і пароперетворювачей відбувається при Р=0,12 МПа, а деаерація подживлючой води теплових мереж – або при Р=0.12 МПа, або під вакуумом.
У відповідності з вимогою ДСТУ для установок з Р від 0,4 до 10 МПа вміст кисня в деаерированій воді не повинен перевищувати 20 мкг/кг, а при Р > 10 МПа – 10 мкг/кг. Вода в деаераторі при цьому повинна підігріватися до температури дуже близької до температури насичення. В деаераторі електростанції підігрів води ведеться паром в приладах, змішуючого струмного, плівкового і барботажного типу.
В нинішній час розповсюджені деаератори струмного типу і апарити, в яких наряду з теплообміном і десорбцією, що відбуваються при омиванні паром струмів води, ці процеси здійснюються також в умовах барботування.
Розглянемо схеми деаераційної установки надлишкового тиску а) і вакуумну б) (рис.):

Рис.8.3.(1). Схеми деаераційної установки надлишкового тиску а) і вакуумну б).
1-підвод деаеруючої води; 2-охолоджувач випару; 3-ежектор; 4-у дренажний бак; 5-підвод пари; 6-деаераторна колонка; 7-бак-акумулятор; 8-живильний насос.
Установка в основному складається з деаераційної колонки, бака-акумулятора і охолоджувача випару. В вакуумному деаераторі є також ежектор, що підтримує вакуум в деаераторі.
Підігрів і дегазація здійснюється в основному в колонках. Баки-акумулятори служать для збору і зберігання певного запасу води. Однак прилади для деаерації встановлюються також і в баках. Запас води в баках блочних електростанцій повинен відповідати витраті її в ПГ на протязі п'яти хвилин.
Для нормальної деаерації разом з газами, що не конденсуються необхідно відводити 1,5-2кг пари на кожну тону деаерованої води. Пароповітряна суміш (випар) відводиться до охолоджувача випару, де основна частина пари конденсується, віддаючи тепло, що спрямовується в деаератор.
Розглянемо конструктивну схему деаераторної колони атмосферного струмного деаератора (рис. 8.2). Вода підводиться до верхньої частини колонки і через водозлив зливається на верхню тарілку. Тарілка має отвори діаметром 5-6мм., розміщені по всій кільцевій поверхні тарілки. Через ці отвори вода дощем падає на нижню тарілку, а звідти через такі же отвори на наступну. По висоті встановлюються 4-8 тарілок. Одні з них дископодібні, інші – кільцеподібні. Пар підводиться в нижню частину колонки і, багаторазово перетинаючи струми, конденсується на поверхні води. Випар удаляється з верхньої частини колонки, а деаерована вода стікає вниз в бак-акумулятор. Деаератор має декілька штуцерів для підведення води. Основний потік підводиться до верхніх штуцерів. Дренажи, що мають звичайно більш високу температуру – в нижні.

Рис.8.3.(2). Схем деаераторної колони атмосферного струмного деаератора.
1-підвод деаеруємої води; 2-відвод випару; 3-тарілка деаератора; 4-підвод гріючої пари.
Для деаераторів підвищеного тиску, окрім деаераційних тарілок, використовуються також барботажні прилади.

а)
Рис.8.3.(3).а). Барботажные устройства.

Дата добавления: 2015-08-26; просмотров: 1245;
