Машины с погружными пневмоударниками
На рудниках получили распространение станки ударно-вращательного бурения с погружными пневмоударниками (БП) для бурения глубоких (до 50 м) скважин в породах средней крепости и крепких. Наибольшее распространение получили станки типа НКР (НКР-100МА, НКР-100МПА) оборудованные вращательным и подающим механизмами и погружным пневмоударником. Станки в конструктивном отношении выполняются обычно аналогично станкам вращательного бурения с пневматической подачей и при соответствующих режимах работы могут использоваться для бурения разведочных скважин резцовыми и алмазными коронками.
Основная особенность буровых машин с погружными пневмоударниками заключается в том, что ударное действие и вращение осуществлены двумя независимо работающими механизмами. Наличие ударного механизма в пневмоударнике исключает передачу удара поршня через колонну штанг, что исключает снижение механической скорости бурения с увеличением глубины скважины. Вращение и подача става штанг осуществляется непрерывно от вращателя с податчиком. В качестве привода вращателя используются электродвигатели или пневмодвигатели, что позволяет плавно регулировать частоту вращения бурового става от 0 до 2.5 с-1.
К машинам с погружными пневмоударниками относятся полуавтоматические буровые станки типа НКР и самоходные буровые станки для подземных разработок СБП-155/320, СБСП-56/320 и БП-160С (ГОСТ 26698-85). Станок НКР предназначен для бурения скважин в любом направлении по рудам и породам средней крепости, включая крепкие, диаметром 105-110мм и глубиной до 50 м.
Полуавтоматический буровой станок НКР-100МА (главные конструкторы П. М. Емельянов и Э. Г. Чернилов) позволяет бурить скважины диаметром 85-105 мм, глубиной до 50 м. Двухшарнирное установочное приспособление станка позволяет бурить скважины в любом направлении.

Рисунок .1. Буровой станок НКР-100МА: 1—подающий патрон; 2 - пульт управления; 3 - ручная лебедка; 4 - распорная колонка; 5-подающий цилиндр; 6-оградительный щиток; 7 - буровой став- 8—пневмоударник; 9 — электродвигатель; 10 — салазки с роликом; 11 — редуктор
При применении станка НКР-100МА механизируются спуск и подъем бурового става, развинчивание резьбовых соединений штанг. Буровые штанги диаметром 63,5 мм имеют большие проходные сечения для сжатого воздуха, что обеспечивает повышенную производительность, вследствие малого падения давления в буровом ставе.

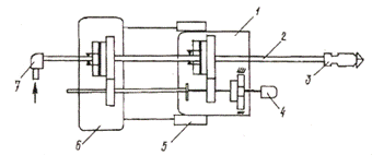
Рисунок 2. Принципиальная схема конструкции станка НКР—100: 1-редуктор с пневмозахватами; 2-буровая штанга; 3-погружной пневмоударник; 4-двигатель; 5—пневмоподатчик; 6-подающий патрон; 7-муфта для подвода сжатого воздуха
Буровой станок НКР100МА (рис. 2.) состоит из редуктора с пневмозахватами, подающего патрона с двумя пневмодатчика-ми, двигателя, бурового става, пневмоударника, распорной колонки. Пневмозахват удерживает и вращает буровой став, когда подающий патрон производит перезахват штанги. Подающий патрон предназначен для подачи и вращения бурового инструмента во время бурения или при выдаче его из скважины. При необходимости бурить глубокие восстающие скважины устанавливают два дополнительных подающих цилиндра (НКР-100МВА и НКР-100МПВА).
Распорная колонка служит для установки станка в рабочей камере и закрепления его для бурения скважин в нужном направлении. Применяют колонки для горизонтального и вертикального бурения, которые различаются длиной трубной стойки.
Буровой став из отдельных свинченных между собой штанг (длиной 1.2 м каждая) предназначен для подачи пневмоударника в скважину, подвода к нему сжатого воздуха и крутящего момента.
Таблица 1 . Техническая характеристика станков НКР-100
| Тип станка | Диаметр скважины | Глубина бурения, | Усилие подачи, | Частота вращения | Крутящий момент, | Масса, |
| мм | м | кН | с~1 | Н.м | ||
| НКР100МА | 1.3 | |||||
| НКР100МВА | 1.3 | |||||
| НКР100МПА | ||||||
| НКР100МПВА |
Для бурения станок НКР100МА устанавливают в камеры. Горизонтальные и слабонаклонные скважины бурят из камер высотой 2,2 м и сечением 2,8х2,8 м. При бурении вертикальных скважин высота камеры должна быть 2,5—2,9 м. Если скважины бурят из выработок большой высоты, то колонка может быть установлена горизонтально. Перед началом работ кровля и стенки буровой камеры должны быть тщательно обобраны и при необходимости закреплены. После этого в камеру подводят электроэнергию, сжатый воздух и воду. В буровую камеру необходимо подавать воздух для проветривания в количестве не менее 6 м3/мин. Отработанный шлам необходимо удалять из камеры по канавкам или через дренажную скважину. Очень важно, чтобы грязь при работе не попадала внутрь штанг и в клапан пневмоударника. Штанги устанавливают на чистые стеллажи в вертикальном положении. Свечи при подъеме инструмента размещают на специальных подставках. После замены, бурового инструмента буровой снаряд вновь вводят в скважину. Когда конец штанг подойдет к подающему патрону, спуск снаряда прекращают, наращивают новую свечу и снова продолжают спуск. Операцию повторяют до тех пор, пока пневмоударник не дойдет до забоя. После спуска штанг навертывают муфту, включают агрегат и продолжают бурение.
При ударно-вращательном бурении буровой машиной является погружной пневмоударник. Пневмоударники изготовляются двух типов: с индексом П для открытых горных работ и с индексом ПП для подземных горных работ. Цифра, стоящая за буквами, указывает на диаметр скважины в миллиметрах, а следующая за ними — ударную мощность в киловаттах.
По ГОСТ 13879-73 погружные пневмоударники выпускаются четырех основных типоразмеров соответственно для бурения скважин диаметром 105, 125, 160 и 200 мм с ударной мощностью не менее 2.2; 3.1; 4.3 и 5.8 кВт при давлении сжатого воздуха 0.5 МПа. Технические характеристики пневмоударников приведены в табл. 2.
Таблица 2 . Техническая характеристика пневмоударников
| Наружный | Масса | |||||||
| Тип пневмо- | Диаметр | диаметр | Масса | Ход | Число | Энергия | Ударная | пневмо- |
| ударника | долота, мм | пневмо-ударника, мм | ударника, кг | ударника, мм | ударов,с-1 | ударов, Дж | мощность кВт | ударника, кг |
| М-29Т | 1.75 | 1.73 | ||||||
| ПП-105-2.4 | 2.8 | 93.2 | 2.4 | 16.8 | ||||
| ПП-105-2.2 | 3.2 | 32.5 | 73.5 | 2.2 | 15.5 | |||
| П-105-2.6 | 3.0 | — | 2.6 | 22.6 | ||||
| П-155-4.1 | 5.5 | 4.3 | ||||||
| П-200 | 19.3 | — | 7.9 |
Конструкция и принцип работы пневмоударника следующие (рис 3): он состоит из цилиндра 2, в котором перемещается поршень 3, передней головки 5, буровой коронки 4, закрепленной шпонкой 6 в головке, и переходника 1. Воздухораспределение в пневмоударниках осуществляется так же, как в перфораторах. В пневмоударнике ПП-105-2.2 применено самораспределение сжатого воздуха поршнем. При холостом ходе поршня 3 сжатый воздух поступает через переходник и каналы 12 в камеру обратного хода 13 цилиндра. Из камеры прямого хода 7 в это время происходит выхлоп по проточке 11 и отверстиям 10. При рабочем ходе поршня выпуск сжатого воздуха в полость 7 происходит по каналам 9, в то время как из полости 13 происходит выхлоп.
Продувка скважины осуществляется отработанным воздухом через продувочный канал 8.

Рисунок 3. Пневмоударник ПП-105-2,2
Применительно к горным условиям рудников на Лениногорском полиметаллическом комбинате был создан буровой станок ЛПС-ЗА (главный конструктор С. П. Юшко), который предназначен для бурения скважин диаметром 150 мм на глубину до 35 м в любом направлении.
Дата добавления: 2015-05-28; просмотров: 3589;
