Системы видеонаблюдения
Телевизионные системы сбора и регистрации информации на ж.-д. транспорте [21] применяются для обзора сортировочных станций и пассажирских платформ, территорий вокзала, переездов, контейнерных площадок; для коммерческого осмотра поездов; для наблюдения за экипировкой локомотивов и проверки прибытия поезда в полном составе.
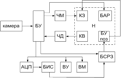
Телевизионные установки (рис.2.5) в упрощенном виде содержат несколько передающих камер и дистанционное управление (фокусировка, диафрагмирование, поворот и наклон камеры и пр.). Рассмотрим, например, блок схему устройства считывания номеров единиц подвижного состава с помощью видеокамер (рис.2.6).

Рис. 2.5. Упрощенная структурная схема систем видеонаблюдения

Рис. 2.6. Блок-схема устройства считывания номеров единиц
подвижного состава с помощью видеокамер
Устройство (рис.2.6.) работает следующим образом. Видеосигнал с импульсной телекамеры по кабельной линии связи поступает в блок управления БУ на усилитель и селектор, выделяющий синхросигналы из телевизионного сигнала. Синхросигналы, усиливаясь, передаются в блок автоматического регулирования скорости вращения магнитного диска БАР и делителя частоты. С выхода делителя частоты кадровые синхроимпульсы поступают на блок синхронизации разрешения записи и позиционирования БСРЗ.
При «записи» видеосигнал поступает на видеоконтрольное устройство ВУ, аналого-цифровой преобразователь АЦП и частотный модулятор ЧМ. Телевизионный сигнал от ЧМ поступает в канал записи КЗ и записывается на магнитный диск. Видеомагнитофон ВМ производит запись телевизионного сигнала. При «чтении» частотно-модулированный сигнал считывается с магнитного диска, усиливается в канале воспроизведения КВ накопителя Н и поступает на частотный демодулятор ЧД и через БУ включается ВУ. Разрешение записи управляется с помощью блока управления позиционированием видеоголовок «БУпоз».
Заключение
Ввиду ограничения объема конспекта лекций были рассмотрены не все вопросы, касающиеся технического обеспечения ССИ. Сопряжение компьютеров и микропроцессорных устройств с датчиками, построение информационных систем на базе агрегатных комплексов, техническое исполнение и характеристики преобразователей будут рассмотрены отдельно в специальном методическом пособии.
Дата добавления: 2015-12-08; просмотров: 586;
