Тракторы
Назначение: применяют для транспортирования на прицепах строительных грузов и оборудования по грунтовым и временным дорогам, вне дорог, в стесненных условиях, а также передвижения и работы навесных и прицепных строительных машин.
Классификация:
по назначению
· сельскохозяйственные
· промышленные классов
· специальные (для горных, подводных, подземных и других специальных работ).
По конструкции ходового оборудования различают
· Гусеничные
· колесные тракторы.
По типу системы поворота
· с передними управляемыми колесами (рис. 2.5, а)
· со всеми управляемыми колесами
· с шарнирно сочлененной рамой (рис, 2.5, б).
Параметры:

Достоинства:
Пневмоколесные тракторы обладают
· сравнительно большими скоростями передвижения
· высокой мобильностью и маневренностью
Гусеничные тракторы характеризуются
· надежным сцеплением гусеничного хода с грунтом
· высокой проходимостью
· высокой маневренностью
· малым радиусом поворота
Недостатки:
Пневмоколесные тракторы
· Плохая проходимость
Гусеничные тракторы
· Низкая скорость передвижения

Рис. 3. Пневмоколесные тракторы
а) с передними управляемыми колесами; б) со всеми управляемыми колесами и шарнирно сочлененной рамой; в) рама; 1 – передняя полурама; 2) – задняя полурама; 3 – универсальный шарнир.

Рис. 4. Гусеничные тракторы
а) с передним расположением двигателя; б) с задним и средним расположением двигателя

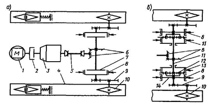
Рис. 5. Схемы механических трансмиссий гусеничных тракторов
а) с фрикционным механизмом поворота; б) с планетарным;1 – двигатель; 2 – фрикционная дисковая муфта сцепления; 3 – коробка передач; 4 – гусеницы; 5 – соединительные валы; 6 – главная передача; 7 – многодисковые фрикционные муфты (бортовые фрикционы); 8 – ленточный тормоз; 9 – бортовые редукторы; 10 – ведущие звездочки; 11 – вал; 12 – солнечные шестерни; 13 – тормоза; 14 - водила
Дата добавления: 2015-08-21; просмотров: 840;
