Однофазный управляемый выпрямитель со средней точкой
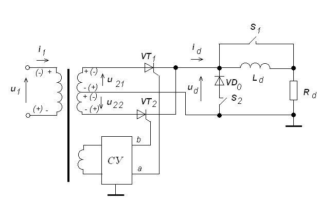
Рассмотрим схему однофазного управляемого выпрямителя со средней точкой изображенную на рисунке 14.1.

Рисунок 14.1 - Схема однофазного управляемого выпрямителя
со средней точкой
Схема состоит из трансформатора, вторичная обмотка которого имеет среднюю точку; двух тиристоров, момент открытия которых определяется управляющими импульсами, поступающими со схемы управления СУ. Момент поступления управляющих импульсов может быть сдвинут относительно начала синусоиды напряжения на некоторый угол a, который называют углом управления.
Дата добавления: 2015-08-14; просмотров: 2247;
