Типы тепловых электростанций
Для привода электрических генераторов на ТЭС России применяют, как правило, паровые турбины мощностью до 1200 МВт и (ограниченно) газовые турбины мощностью до 100–150 МВт.
Паротурбинные электростанции, вырабатывающие один вид энергии - электрическую, оснащают турбинами конденсационного типа и называют конденсационными электростанциями (КЭС). Эти станции называют сокращенно ГРЭС (государственные районные электрические станции).
Атомные конденсационные электрические станции называют сокращенно АЭС. На АЭС устанавливают паровые турбоагрегаты мощностью до 1000 МВт.
На электростанциях, вырабатывающих и отпускающих два вида энергии - электрическую и тепловую, устанавливают паровые турбины с конденсацией и регулируемыми отборами пара, частично - турбины с противодавлением. Такие тепловые электростанции называют теплоэлектроцентралями: на органическом топливе - ТЭЦ, на ядерном топливе - АТЭЦ.
На ТЭЦ и АТЭЦ осуществляют комбинированное производство и отпуск двух видов энергии — электрической и тепловой. Централизованное теплоснабжение потребителей с использованием отработавшей теплоты турбин и выработкой электроэнергии на базе теплового потребления называют теплофикацией.
Турбины соответствующего типа называют теплофикационными.
Современные тепловые электрические станции имеют преимущественно блочную структуру. ТЭС с блочной структурой составляется из отдельных энергоблоков. В состав каждого энергоблока входят основные агрегаты - турбинный и котельный и связанное с ними непосредственно вспомогательное оборудование. Переход к блочной структуре ТЭС обусловлен в основном применением промежуточного перегрева пара и необходимостью упрощения схемы главных паропроводов и трубопроводов питательной воды, а также требованиями обеспечения четкой системы автоматизации и регулирования основных агрегатов и их вспомогательного оборудования.
На КЭС в России установлены моноблоки 150 и 200 МВт с параметрами пара перед турбиной 13 МПа, 540/540 °С; 300, 500 и 800 МВт с параметрами пара 24 МПа, 540/540 °С.
На ТЭЦ России работают преимущественно турбины мощностью по 100, 135 и 175 МВт на паре с параметрами 13 МПа, 555 °С, без промежуточного перегрева пара, а в наиболее крупных городах - по 250 МВт, на паре со сверхкритическими параметрами и промежуточным перегревом пара с параметрами 24 МПа, 540/540 °С.
На АЭС применяют ядерные реакторы на тепловых нейтронах типов ВВЭР и РБМК на насыщенном водяном паре с начальным давлением 6,0 - 6,5 МПа.
Таблица 3.2. Число часов использования установленной
мощности
| Тип электростанции | Годовое число часов использования установленной мощности |
| Базовые | Более 5000 |
| Полупиковые | 3000 - 4000 |
| Пиковые | Менее 1500 |
Рис. 3.9. График электрической нагрузки
К базовым электростанциям относятся в первую очередь АЭС, наиболее современные и мощные КЭС, в значительной мере ТЭЦ, а также ГЭС без регулирования стока воды.
Для покрытия максимума (пика) нагрузки целесообразно использовать газотурбинные установки достаточной единичной мощности. Для снятия пиков нагрузки широко применяют гидроэлектростанции (ГЭС) с регулируемым стоком воды. Сооружают гидроаккумулирующие сточные электростанции (ГАЭС), закачивающие воду в верхние водохранилища и использующие ее энергию днем, в часы пиков нагрузки.
В полупиковой области электрической нагрузки могут работать энергоблоки до 300 МВт. Работа АЭС в этой области встречает значительные трудности.

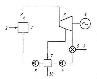
Рис. 3.10. Принципиальная схема КЭС:
1 - котел (парогенератор); 2 - топливо; 3 - турбина; 4 - электрический генератор; 5 - конденсатор; 6 - конденсатный насос; 7 - регенеративный подогреватель; 8 - насос парового котла

Рис. 3.11. Принципиальная тепловая схема ТЭЦ:
а - промышленная ТЭЦ; б - отопительная ТЭЦ; 7 - сборный бак конденсата; 9 - потребитель теплоты; 10 - подогреватель сетевой воды; 11 - сетевой насос; 12 - конденсатный насос сетевого подогревателя; остальные обозначения те же, что и на рис. 3.10

Рис. 3.12. Промышленная ТЭЦ с паровой турбиной с противодавлением:
5 - промышленный потребитель пара; 6 - насос обратного конденсата с производства;9 - потеря пара и конденсата у потребителя; 10 - добавочная вода для выполнения потерь; остальные обозначения те же, что и на рис. 3.10
Дата добавления: 2015-08-11; просмотров: 1958;
