А) - зверху вниз; б ) - зверху вверх; в) - знизу вверх; г)- знизу вниз.
Схеми зверху–вниз (рис. 3.а) та зверху–вверх (рис. 3.б) доцільно застосовувати у випадку, коли припливне повітря в холодний період року має температуру нижчу від температури приміщення. Припливне повітря у цьому випадку нагрівається за рахунок повітря приміщення.
Схеми знизу–вверх (рис. 3.в) і знизу–вниз (рис.3.г) рекомендовано використовувати тоді, коли припливне повітря в холодний період року підігрівається та його температура вища від температури внутрішнього повітря.
Якщо у виробничому приміщенні виділяються гази та випари з густиною, яка перевищує густину повітря (випари кислот, бензину, гасу), то загальнообмінна вентиляція повинна забезпечити видалення 60 % повітря з нижньої зони приміщення та 40 % – з верхньої (рис. 3 а і 3 г). Якщо густина газів менша за густину повітря, то видалення забрудненого повітря здійснюється у верхній зоні ( рис 3 б і рис. 3.в).
Повітрозабірні пристрої необхідно розташовувати в місцях, де повітря не забруднене пилом та газами. Вони повинні знаходитися не нижче 2 м від рівня землі, а від викидних каналів витяжної вентиляції по висоті – не нижче 6 м і по горизонталі – не ближче 25 м.
Повітря після очищення через повітропроводи (витяжку) виводиться на висоті не менше ніж 1 м над гребенем даху. Забороняється робити викидні отвори у вікнах.
В умовах промислового виробництва найбільш розповсюджена припливно–витяжна система вентиляції із загальним припливом повітря у робочу зону та місцевою витяжкою шкідливих речовин безпосередньо у місцях їх утворення.
|
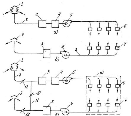
Схема припливно–витяжної вентиляції показана на рис 4.
Рис. 4. Схема припливно-витяжної вентиляції:
а) – припливна; б) – витяжна; в) припливно витяжна з рециркуляцією.
1 – повітрозабірник; 2 – повітропроводи; 3 – фільтр; 4 – калорифер; 5 – відцентровий вентилятор; 6 - припливні насадки; 7 – витяжні насадки; 8 – пристрій для очистки витяжного повітря; 9 – пристрій для виводу витяжного повітря; 10 – об’єм приміщення , в якому здійснюється обмін повітря; 11 – повітропровід для рециркуляції повітря; 12 – рециркуляційна заслінка (шибер).
Припливна вентиляція використовується на виробництвах, де підвищені вимоги до повітря робочої зони з точки зору його чистоти або створення необхідного мікроклімату, тобто, якщо необхідно його підігріти, охолодити або зволожити.
Витяжна вентиляція використовується на виробництвах, на яких таких вимог немає.
У виробничих приміщеннях, де виділяється значна кількість шкідливих газів, випарів, пилу, об’єм витяжки повинен бути на 10% більшим ніж потік припливного повітря, щоб шкідливі речовини не витіснялись у суміжні приміщення з меншим їх вмістом.
Припливно-витяжна вентиляція з рециркуляцією повинна використовуватися в основному у холодний період року для економії тепла, витраченого на підігрів припливного повітря.
Місцева вентиляція
Місцева вентиляція забезпечує обмін повітря безпосередньо біля робочого місця. Для місцевої вентиляції використовують пристрої у виді місцевих відсмоктувачів.
Вона буває припливною або витяжною.
Місцева припливна вентиляція використовується для створення необхідних умов (мікроклімату) повітряного середовища в обмеженій зоні виробничого приміщення, в яку подається припливне повітря заданих параметрів, виконується у вигляді повітряних душів, оазисів, повітряних і повітряно-теплових завіс.
Повітряне душування використовується в гарячих цехах на робочих місцях, які характеризуються дією променевого потоку теплоти інтенсивністю більше 350 Вт/м3. Повітряний душ представляє собою направлений на працівника потік повітря з швидкістю обдування 1...3,5 м/с в залежності від інтенсивності випромінювання.
Повітряні оазиси дозволяють покращати метеорологічні умови на обмеженій площі приміщення, яка для цього відокремлюється з усіх сторін легкими пересувними перегородками й заповнюється повітрям більш холодним і чистим, ніж повітря приміщення.
Повітряні та повітряно–теплові завіси призначені для запобігання надходженню в приміщення значних мас холодного зовнішнього повітря за необхідності частого відкривання дверей чи воріт. Завіси бувають повітряні – з подачею повітря без підігріву, і повітряно–теплові – з підігріванням повітря в калориферах.
Використання місцевої витяжної вентиляції базується на вловлюванні та виведенні шкідливих речовин безпосередньо біля джерела їх утворення. Якщо боротьба з пилом за допомогою загальнообмінної вентиляції дає малий ефект, то місцева вентиляція дає змогу повністю усунути запилення у приміщенні.
До установок місцевої витяжної вентиляції належать: витяжні зонти, відсмоктувальні панелі, бортові відсмоктувачі, активовані відсмоктувачі (створюють додаткові потоки), витяжні шафи, вентиляційні камери та кабіни, захисно–обезпилюючі кожухи, аспіровані укриття, в яких підтримується розріджене повітря, пилегазоприймачі, лійки.
Розрахунок штучної загальнообмінної вентиляції
Розрахунок штучної вентиляції полягає у визначенні кількості повітря, яке необхідно подати або видалити з приміщення, і опору в системі вентиляції. На основі цих даних вибираємо тип вентилятора згідно з його аеродинамічною характеристикою; визначаємо потужність електродвигуна даного вентилятора, вибираємо тип електродвигуна.
Розрахунок подачі необхідної кількості повітря у приміщення, проводять за такими даними:
- кількістю шкідливих виділень (теплоти, вологи, випарів, газів, пилу);
- кількістю людей, яка знаходиться в приміщенні;
- кратністю повітрообміну;
- швидкістю руху повітря в повітропроводі.
1. Для приміщень із надлишковим виділенням тепла кількість припливного повітря визначається за формулою
, (1)
де L1 – кількість припливного повітря за одиницю часу , м3/год;
– надлишкова теплота в приміщенні, кДж / год;
С – питома теплоємність повітря за незмінного тиску, що дорівнює 1 кДж/кг×К;
– густина припливного повітря, кг / м3;
і
– відповідно температури повітря робочої зони та зовнішнього середовища,°C.
2. Для приміщень, в яких виділяються шкідливі гази чи випари , повітрообмін визначають за їх кількістю
, (2)
де
– надлишкова кількість шкідливих речовин (випарів, газів, пилу), які виділяються в приміщенні, кг/год;
– ГДК шкідливих виділень у повітрі приміщення, мг/м3;
Со– концентрація цих виділень у зовнішньому повітрі, мг/м3.
3. Під час виділення у приміщенні надлишкової вологи кількість припливного повітря визначають за формулою:
, (3)
де
– маса надлишкової вологи вприміщенні, кг/год,
,
– відповідно вміст вологи у повітрі внутрішньому та зовнішньому, г/кг.
4. Для приміщень, де немає шкідливих виділень (або кількість їх незначна), приплив (витяжку) повітря можна визначити за кратністю повітрообміну k (відношення об'єму вентиляційного повітря L до об’єму приміщення V)
. (4)
Кратність повітрообміну показує, скільки разів протягом години необхідно замінити весь об'єм повітря для створення оптимального мікроклімату.
5. При значній кількості людей, які знаходяться в приміщенні , необхідна кількість повітря визначається за формулою:
, (5)
де І – це мінімальна кількість повітря, яка повинна подаватися на одну людину (працівника) відповідно до санітарних норм (якщо на одного працівника припадає до 20 м3 об’єму приміщення , то І = 30 м3/год.; якщо об’єм більше 20 м3 , то І = 20 м3/год);
nл– кількість людей, яка одночасно знаходиться в приміщенні.
6. Під час розрахунку місцевої витяжної вентиляції кількість повітря, що вилучається місцевою витяжкою (зонт, панель, шафа), можна обчислити за формулою:
, (6)
де F – площа перерізу повітропроводу, м2,
v – швидкість руху вилученого повітря в цьому повітропроводі (приймається від 0,5 – 1,7 м/с в залежності від токсичності газів та випарів).
Визначивши L для даних умовз наведених вище формул обчислюють поперечний переріз повітропроводу:
, (7)
де vр - швидкість руху повітря в повітропроводі, м/с (вибирається за таблицею з довідника).
Враховуючи розрахункові площі перерізів повітропроводів (fр), за табличними даними підбирають стандартні діаметри при круглому поперечному перерізі або розміри при прямокутному поперечному перерізі.
Необхідний тиск для подачі повітря повітропроводами визначають з урахуванням втрат тиску на тертя на ділянках повітропроводу і місцевих опорах пристроїв (фільтр , калорифер , вентилятор, насадки тощо ) .
Втрати тиску на тертя кожної ділянки та у вітках розраховуються за формулою:
, (8)
де Pтр – втрати тиску на ділянці повітропроводу, Па;
R – питомі втрати тиску на 1 м довжини повітропроводу, Па/м;
l – довжина ділянки або вітки, м.
Питомі втрати тиску можуть бути визначені за табличними даними або за формулою
, (9)
де
– коефіцієнт опору тертя, який залежить від шороховатості стінок повітропроводу (для сталевих повітропроводів
= 0,02);
vф – фактична швидкість повітря, м/с;
d – діаметр повітропроводу, м;
– густина повітря, Н/м3;
g – прискорення вільного падіння, м/с2;
– приймають за табличними даними.
Втрати тиску в місцевих опорах розраховують послідовно для кожної ділянки і у вітках за формулою:
, (10)
де Z – місцеві втратитиску в пристроях , Па,
– коефіцієнт місцевих опорів, які приймають за табличними даними.
Загальні втрати тиску на кожній розрахунковій ділянці і у вітках складають
(11)
Вибір вентиляційного обладнання
Знаючи необхідний повітрообмін L і загальні втрати тиску, проводять вибір вентилятора за його аеродинамічною характеристикою .
Необхідна потужність електродвигуна вентилятора визначається за формулою, кВт:
, (12)
де Nвент – потужність електродвигуна вентилятора, кВт;
L – продуктивність вентилятора, м3/год.;
Н – тиск, створюваний вентилятором, Па;
К – коефіцієнт запасу ( К=1,1–1,5 );
– коефіцієнт корисної дії вентилятора ( 0,5–0,8 ).
Визначивши Nвент за довідником (каталогом), вибирають відповідний тип електродвигуна для цього вентилятора.
Загальні санітарно-гігієнічні вимоги до умов праці електрохімічних виробництв
1. Для оздоровлення та покращення умов праці в місцях, де виділяються шкідливі гази, пара та пил, потрібно мати надійну місцеву вентиляцію. Опалювальна, вентиляційна та освітлювальна системи повинні створювати максимально комфортні умови праці.
2. Припливно-витяжна вентиляція у всіх робочих приміщеннях повинна забезпечувати нормальну чистоту, вологість та температуру повітря, яка в зимовий період повинна бути в межах 15-20 °С.
Температура повітря з припливної вентиляції повинна бути нижчою температури тіла людини.
Опалювальну та вентиляційну системи необхідно періодично провіряти та підтримувати у справному стані. Системи загальної та місцевої вентиляції необхідно включати за 15 хв до початку роботи і виключати через 15 хв після закінчення її, а вентиляційні системи для ціанистих ванн не пізніше ніж за 30 хв до початку роботи.
Якщо вентиляційна система не працює - роботи припиняються або виконуються в протигазах.
Якщо є ознаки, що в повітрі є шкідливі або ядовиті гази, тоді роботи призупинюються, робітники залишають виробничі приміщення, а забруднене повітря виводиться назовні через витяжну вентиляцію,
3. У виробничих приміщеннях травильних та гальванічних цехів, а також в складських для зберігання та розливу кислот та інших агресивних рідин повинні бути встановленні на видних місцях через кожні 25 м крани-гідранти для промивки очей, обличчя та рук при потраплянні на них кислот та лугів. Крани-гідранти повинні бути підключенні до водогону з харчовою водою.
Підлогу в кінці робочої зміни, а також у випадках пролиття кислот або лугів потрібно змивати водою з шлангу.
Прибирати приміщення, де використовуються отруйні речовини, повинні особи, які знають способи захисту від них та їх знешкодження (утилізації).
4. Повітря в приміщеннях, де виконується робота з отруйними речовинами, та в
кооомірках (складах), де вони зберігаються, повинне постійно відбиратись на аналіз.
Вміст сміттєзбірників для отруйних речовин повинен періодично утилізуватись.
5. Ремонт обладнання, в якому знаходились розчини з отруйними речовинами, повинен виконуватись спеціалістами, які ознайомленні з технікою безпеки при роботі з цими речовинами та їх властивостями, які є складовою частиною розчинів електролітів.
Всі роботи виконуються після проходження інструктажу під наглядом старшого технолога цеху.
Робітники, які виконують ремонтні роботи та інші, що стосуються виробничого обладнання цеху, повинні бути забезпеченні повним комплектом спецодягу та захисних засобів.
Роботи, що виконуються всередині ємностей - потрібно проводити у противогазах, з попереднім видаленням шкідливих газів та пилу з середини ємностей, а також зі спорядженням-страховкою, яка б забезпечувала швидку евакуацію робітника в разі втрати свідомості.
Прочищати обладнання, повітропроводи від осаду та видаляти розчини з ванн повинні робітники, що пройшли детальний інструктаж та мають спеціальний наряд-допуск на ці роботи підписаний начальником цеху. Ці роботи повинні бути механізовані та виконуватись під наглядом адміністративно-технічного персоналу.
Щоб уникнути можливості отруєння робітників сухим отруйним пилом очистку ванн та повітропроводів виконують тільки мокрим способом. Використовувати хімічні речовини для очистки можна тільки з дозволу технолога цеху.
6. Всі працівники на електрохімічних виробництвах повинні мати виробничий та
спеціальний одяг та захисні засоби (окуляри, респіратори, каски, щитки, взуття).
Працівники, що працюють в особливо небезпечних умовах праці, забезпечуються безкоштовним лікувально-профілактичним харчуванням та періодично один раз на рік проходять обов'язковий медичний огляд.
Спецодяг повинен періодично підлягати санітарно-гігієнічній обробці та ремонту. Спецодяг робітників, які працюють з ядовитими речовинами та їх розчинами повинен -знежирюватись.
Категорично забороняється виходити з підприємства в спецодязі.
7. Працюючі з отруйними речовинами постійно повинні бути забезпечені милом,
чистим рушником, захисними пастами та мазями для шкіри рук та обличчя.
При випадкових пораненнях рук під час роботи, необхідно негайно забинтувати місце поранення водонепроникним бинтом та звернутись за кваліфікованою допомогою до лікаря.
Всі працюючі з ядовитими речовинами та їх розчинами повинні після роботи приймати душ, а перед їдою мити руки теплою водою з милом.
При душевих повинні бути облаштовані умивальники з теплою водою, милом та періодично змінними чистими рушниками.
Гардероб для одягу робітників та душ ізолюються від виробничих приміщень.
Питна вода зберігається в бачках, які герметично закриваються, поза межами виробничих приміщень; температура води повинна підтримуватись в межах 15-20 °С.
Працюючим в електрохімічних цехах забороняється;
• курити на робочому місці;
• пробувати хімікати в сухому та рідкому стані на смак та на дотик;
• . доторкатись руками без рукавиць до отруйних речовин;
• наливати питну воду в лабораторний посуд;
• залишати лабораторну посуду (порожню) немитою;
• залишати хімічні речовини в посуді та в папері без відповідного напису;
• харчуватися в тому приміщенні, де проводились операції з розчиненням хімічних речовин, які виділяють гази.
13. Дія шуму на організм людини
Шум , ультразвук та інфразвук
Шум – це складний звук, який складається із сполучення за частотою та інтенсивністю звуків.
З фізіологічнго погляду – шумом є всякий небажаний, неприємний для сприйняття людиною звук (несприятливодіючий).
З фізичного погляду – це хвильові коливання пружного середовища.
Роберт Кох писав, що „...настане час, коли людство почне боротися з шумом, як з чумою та холерою”.
За характером порушення фізіологічних функцій шум поділяють на такий, що заважає(перешкоджає) мовному зв’язку, подразнювальний (спричиняє нервове напруження і внаслідок цього – зниження працездатності, загальну перевтому), шкідливий(порушує фізіологічні функції на тривалий період і спричиняє розвиток хронічних захворювань, погіршення слуху, гіпертонію, виразку шлунку), травмуючий (різко порушує фізіологічні функції організму людини).
Є дві групи джерел шуму: виробничий і побутовий.
Виробничим шумом називається шум на робочих місцях, який виникає під час виробничого процесу.
Джерела виробничого шуму:
- механічні процеси (машини та апарати, насоси, вентилятори, електродвигуни, верстати, електроінструменти );
- аеродинамічний(рух повітря, газу);
- гідродинамічний (рух рідин);
- електромагніти;
- транспортні засоби.
Виробничі шуми поділяються:
- за характером спектру (широкосмугові, тональні);
- за часовими характеристиками (постійні і непостійні).
Постійним вважається такий шум, рівень звуку якого за восьмигодинний робочий день змінюється не більше, як на 5 дБ.
Непостійні шуми діляться на шуми, які змінюються в часі, переривчасті; імпульсні.
Спектри бувають лінійні; суцільні; змішані.
На виробництві більшість джерел шуму мають змішаний і суцільний спектр.
Джерела побутового шуму – крик, гуркіт, радіо, телевізор, музичні інструменти тощо.
Основні фізичні характеристики шуму
Звуковими хвилями називається коливні збурення, що поширюються від джерела шуму в довкілля.
Будь-яке джерело шуму (звук, звукова хвиля) характеризується наступними параметрами.
Довжина хвилі– це відстань, яку проходить звукова хвиля протягом періоду коливань (відстань між двома сусідніми шарами повітря, що мають однаковий звуковий тиск, виміряний одночасно)
, (13)
де l – довжина хвилі, м;
С – швидкість поширення звукових хвиль (для повітря С= 340 м/с при 20 0С);
¦ – частота коливань, Гц.
Швидкість поширення звукових хвиль залежить від фізичних властивостей тіла (густини, пружності, тиску), в якому поширюється звук та від температури. У повітрі збільшення швидкості складає 0,6 м/с при підвищенні температури на 1ºС.
Частота коливань – це кількість коливань за одну секунду (одне коливання за секунду – 1 Гц). Слуховий апарат людського організму сприймає звукові коливаня у частотному діапазоні 16 – 20 000 Гц (частота 5 – 6 порядку). Найчутливіше вухо до коливань в діапазоні середніх частот 1000 – 3 000 Гц. Такі звуки називають “чутними”. “Нечутні” звуки за частотою нижче 16 Гц (інфразвуки), або вище 20 000 Гц ( ультразвуки).
Звуки з частотою 30 – 300 Гц є низькочастотні; 300 – 800 Гц – середньочастотні; більше 800 Гц – високочастотні.
Звуковим тиском Р, Па називається різниця між моментальним значенням повного тиску в збудженому середовищі і середнім тиском в незбудженому середовищі. Сприйняття людиною звуку залежить не тільки від частоти (f), а й від інтенсивності (I) і звукового тиску (Р) .
Швидкість коливного руху частинок у звуковій хвилі V, що залежить від амплітуди коливань (тобто від звукового тиску р), та частоти ¦
, (м/с) . (14)
Величина r××С називається питомим акустичним опором середовища, через яке поширюється звук. Для повітря при нормальному тиску (барометричний тиск 760 мм. рт. ст., t = 20 0С, густина r = 0,001205 г/см3, С = 344 м/с, r××С = 41г/см2×с).
Інтенсивність звуку, або сила звуку - 1 Вт/м² - це енергія, яка переноситься звуковою хвилею перпендикулярно до поверхні 1 м² за одиницю часу 1с визначається за формулою
, Вт/м2. . (15)
Звукова потужність джерела W, Вт визначається загальною кількістю звукової енергії, яка випромінюється джерелом шуму в навколишній простір за одиницю часу
W = I × S , (16)
де S – площа розповсюдження звукової хвилі , м2 .
При випромінюванні в сферу радіусом r –
, в напівсферу –
.
Величина Іо та Ро, за яких людина сприймає звук, називається порогом чутності (ПЧ). Порогом чутності називається найменша зміна звукового тиску, яку ми відчуваємо: при f = 1000 Гц; I0 = 10-12 Вт/м2; Р0= 2×10-5, Н/м2 (1 Па = 1 Н/м² ).
Поріг больової чутності (ПБЧ) – це найбільша сила звуку, яку може витримати людина при Р = 2×102 Па, I = 102 Вт/м2. Сила звуку ПБЧ перевищує силу звуку ПЧ в 1014 разів. Больовий поріг – це максимальний звуковий тиск, який сприймається вухом як звук. Між ПЧ та ПБЧ знаходиться область чуття.
Щоб не оперувати великими числами, американський вчений Бел запропонував логарифмічну шкалу.
Логарифмічна величина, яка характеризує інтенсивність шуму або звуку одержала назву рівня інтенсивності звукуL – одиниця вимірювання в белах, децибелах ( Б, дБ):
, дБ або
, Б (17)
де І – інтенсивність звуку в даній точці,
І0– інтенсивність порогу чутності.
Бел вказує, у скільки разів ця сила звуку I перевищує вихідну I0.
Рівнем інтенсивності звуку або “рівнем сили звуку” LI користуються під час акустичних розрахунків.
“Рівнями звукового тиску” користуються під час вимірюванні шуму
, дБ . (18)
Крім рівня інтенсивності звуку і рівня звукового тиску , введено поняття рівня звукової потужності
, дБ , (19)
де W0= 10-12 – порогове значення звукової потужності, Вт.
W – звукова потужність джерела :
Рівні звуку джерел шуму
| Джерело шуму | Рівень звукового тиску, дБ |
| Шелест листя, шум слабкого вітру | 10 – 20 |
| Шепіт на відстані 1 м | 30 – 40 |
| Тиха розмова | 50 – 60 |
| Гучна розмова | 60 – 70 |
| Шум на вулиці | 70 – 80 |
| Металоріжучі і ткацькі верстати (на робочому місці) | 80 – 90 |
| Пневмопреси, пневматична клепка на відстані 1 м | 110 – 120 |
| Реактивний двигун на відстані 1 м від сопла | 130 – 140 |
Дія шуму на організм людини
Шум на виробництві та в побуті негативно впливає на організм людини:
- підвищує витрати енергії за однакового фізичного навантаження;
- значно послаблює увагу, виникає апатія, втрачається пам’ять;
- збільшує кількість помилок під час роботи ( більше 50 % );
- сповільнює швидкість психічних реакцій.
Внаслідок дії цих факторів:
- понижується продуктивність праці майже на 40 %;
- погіршується якість роботи, підвищується втомлюваність, подразнення;
- сповільнюється реакція працівників на сигнали, що спричиняє НВ;
- збільшується брак продукції.
Шум шкідливо впливає на фізичний стан людини, а саме :
- пригнічує і уражає центральну нервову систему;
- спричиняє зміну швидкості дихання і пульсу;
- виникають серцево – судинні захворювання, гіпертонічна хвороба;
- порушується обмін речовин (зменшується виділення шлункового соку та його кислоти, що спричиняє збільшення захворювання гастритом, виразкою у два рази);
- призводить до професійних захворювань (туговухість, погіршується зір, розвивається нервова хвороба), передчасного старіння.
Як бачимо, шум є загальнобіологічним подразником, і в певних умовах може впливати на всі органи і системи організму.
Інколи глухонімих використовують на шумних виробництвах, а це злочин.
За 8 годин праці віддається багато енергії, а шум зумовлює додаткове навантаження на організм людини.
14. Гігієнічні характеристики та нормування шуму
В Україні і Міжнародній організації зі стандартизації застосовується принцип нормування шуму на основі граничних спектрів (гранично допустимих рівнів (ГДР) звукового тиску ) в октавних смугах частот. Граничні величини шуму на робочих місцях регламентуються ГОСТ 12.1.003-89 та ДСН 3.3.6.037– 99.
У нормах передбачені диференційовані вимоги до допустимих рівнів шуму в приміщеннях різного призначення в залежності від характеру праці в них. Шум вважається допустимим, якщо вимірювані рівні звукового тиску (Lp) у всіх октавних смугах частот нормованого діапазону (63 – 8000 Гц) будуть нижчі, ніж значення, що визначаються граничним спектром.
Допустимі рівні звукового тиску
| Робоче місце | Рівень звукового тиску, дБ в октавних смугах із середньогеометричними частотами, Гц | Рівні звуку та еквівалентні рівні звуку, дБА | |||||||
| Приміщення конструкторських бюро, програмістів, обчислювальних машин, лабораторій для теоретичних робіт і опрацювання експериментальних даних, прийому хворих в медпунктах | |||||||||
| Приміщення керування, робочі кімнати, лабораторії | |||||||||
| Кабінети спостережень і дистанційного керування: без мовного зв’язку по телефону з мовним зв’язком по телефону | 82 68 | 78 63 | 75 60 | 73 57 | 71 55 | 70 54 | 80 65 | ||
| Приміщення і дільниці точного збирання, приміщення лабораторій для виконання експериментальних робіт | |||||||||
| Постійні робочі місця і робочі зони у виробничих приміщеннях і на териториторії підприємств |
Використовується також принцип нормування, який ґрунтується на регламентуванні рівня звуку в дБА, що вимірюється при ввімкненні корегованої частотної характеристики А шумоміра. У цьому випадку здійснюється інтегральна оцінка всього шуму на відміну від спектральної .
Нормованою характеристикою постійного шуму на робочих місцях є рівні звукового тиску Lp, дБ в октавних смугах із середньогеометричними частотами 63, 125, 250, 500, 1000, 2000, 4000, 8000 Гц.
Нормованою характеристикою непостійного шуму на робочих місцях є інтегральний критерій – еквівалентний (за енергією) рівень звуку в дБА.
Найбільш раціонально під час встановлення граничнодопустимих рівнів шуму враховувати категорії важкості та напруженості праці.
Для окремих виробництв можна знижувати допустимі рівні звуку з врахуванням категорії важкості та напруженості праці згідно з таблицею.
Оптимальні рівні звуку на робочих місцях для робіт різних категорій важкості і напруженості
| Категорія напруженості праці | Категорія важкості праці | |||
| Легка | Середньої важкості | Важка | Дуже важка | |
| Мало напружена І | ||||
| Помірно напружена ІІ | ||||
| Напружена ІІІ | - | - | ||
| Дуже напружена ІV | - | - |
ДСН 3.3.6.037–99 передбачає:
- зони з рівнем звуку більше 80 дБА позначати знаками;
- робочих забезпечити засобами індивідуального захисту ;
- заборонити короткочасне перебування у зонах з Lp > 135 дБ.
Особливо небезпечний шум, який коливається з частотою f = 6–9 Гц, близькою до коливання органів тіла людини.
У приміщеннях з ЕОМ рівні звукового тиску, рівні звуку та еквівалентні рівні звуку на робочих місцях повинні відповідати вимогам ГОСТ 12.1.003 “ССБТ Шум. Общие требования безопасности”, ДСН 3.3.6-037-99 “Санітарні норми допустимих рівнів шуму на робочих місцях”, ГР № 2411-81 “Гігієнічні рекомендації по встановленню рівнів шуму на робочих місцях з урахуванням напруженості та тяжкості праці”, затверджених Міністерством охорони здоров’я України.
Рівні шуму на робочих місцях осіб, що працюють з відеотерміналами та ЕОМ, визначені ДСанПіН 3.3.2-007-98.
15. Методи та засоби захисту від дії шуму
Відповідно вимог ГОСТ 12.1.003–83 захист від дії шуму здійснюється розробленням шумобезпечної техніки і використання засобів і способів колективного та індивідуального захисту.
Захист працівників від шуму здійснюється як колективними, так і індивідуальними засобами (засоби залежать від кількості працівників).
Загальна класифікація засобів і способів колективного захисту від шуму наведена в ГОСТ 12.1.029 –80 ССБП “Засоби і методи захисту від шуму. Класифікація”, колективні.
У ГОСТ 12.4.051–87 “Засоби індивідуального захисту організму, слуху, загальні технічні умови і методи випробування” наведена класифікація засобів індивідуального захисту.
Існує цілий набір технічних, санітарно–гігієнічних, організаційно–технічних, медико–профілактичних заходів, які дають змогу ослабити вплив шуму на організм людини.
Методи і засоби боротьби з шумом прийнято поділяти на :
- методи зниження шуму на шляху поширення його від джерела (архітектурно–планові, акустичні );
- методи зниження шуму в джерелі його виникнення;
- засоби індивідуального захисту від шуму.
Способи і засоби колективного захисту від шуму залежно від способу реалізації можуть бути: акустичні; архітектурно–плановими; організаційно–технічними; медико–профілактичними.
Залежно від принципу дії акустичні засоби боротьби з шумом поділяються на такі : акустичною обробкою приміщень; зниження шуму звукоізоляцією; зниження шуму звукопоглинанням.
Зниження шуму на шляхах його поширення.
Методи зниження реалізуються використанням кожухів, екранів, перегородок з різних матеріалів; зміною напряму шуму, яка досягається використанням штучних поглиначів (куби, наповнені скловатою, конуси, шари, глушники шуму), які в залежності від принципу дії, поділяються на абсорбційні; реактивного типу (відбивачі); комбіновані (активного типу – дисонансні).
Архітектурно-планові методи захисту включають:
- раціональне розміщення приміщень і будинків;
- раціональне розміщення технологічного обладнання машин і механізмів;
- раціональне розміщення робочих місць;
- раціональне планування зон і режимів руху вантажних потоків;
- створення шумозахисних зон, зелених насаджень.
Зниження шуму акустичною обробкою приміщення.
Така обробка передбачає покривання стелі та верхньої частини стін звукопоглинальним матеріалом. Внаслідок цього знижується інтенсивність відбитих звукових хвиль. Додатково до стелі підвішують щити, резонаторні екрани, тобто штучні поглиначі. Ефективність акустичної обробки приміщення залежить від звукопоглинальних властивостей застосовуваних матеріалів та конструкцій, особливостей їх розташування, об’єму приміщення, його геометрії, місць розташування, джерел шуму. Ефект акустичної обробки більший в низьких приміщеннях (Н ≤ 6 м) витягнутої форми. Акустична обробка знижує шум до 8 дБА.
Зниження шуму звукоізоляцією.
Джерело шуму вміщають в ізольований кожух, приміщення з виводом органів управління ззовні. Оператора розташовують у спецкабіні. Засоби ізоляції залежно від конструкції поділяють на кожухи, кабіни, акустичні екрани, перегородки, звукоізоляційні матеріали, загородження будинків і приміщень – будь-якими будматеріалами (цегла, бетон). Стіна цегляна зменшує шум до 46, скло – до 30 дБ.
Зниження шуму звукопоглинанням.
Об'єкт, що випромінює шум, розташовують у кожусі (корпусі), внутрішні стіни якого покривають звукопоглинальним матеріалом (капронове волокно, дерев’яно-повстяні
плити, поролон, азбест, скловата). Товщина залежить від властивостей матеріалу (20–200 мм).
Методи зниження шуму в джерелі виникнення.
Це – найбільш дієвий спосіб боротьби з шумом. Створюють малошумні механічні передачі (використовують незвукові матеріали – пластмаси), зниження шуму у підшипникових вузлах (заміна підшипників кочення на підшипники ковзання – зменшення шуму 6–15 дБА), вентиляторах, заміна ударних процесів безударними, штампування– пресуваням, клепання – зварюванням. Якщо фактичний рівень інтенсивносі шуму більший за граничнодопустимого рівня, машину викидають або звикаются з її роботою.
Організаційно-технічні способи (засоби) захисту від шуму включають:
- використання малошумних процесів;
- забезпечення шумних машин засобами дистанційного управління і автоматичного контролю;
- використання малошумних машин, заміна конструктивних елементів машин;
- удосконалення технології ремонту та обслуговування машин;
- використання раціональних режимів праці та відпочинку на шумних виробництвах.
Медико–профілактичні заходизаключаються в постійному медичному нагляді та скеруванні на лікування, медогляди тощо.
Засоби індивідуального захисту (ЗІЗ) залежно від конструктивного виконання діляться на:
- протишумові вкладки, які знижують шум на величину 5–10 дБ;
- протишумові навушники, які знижують шум на величину до 20 дБ;
- шоломи і каски – використовуються при дії високочастотного шуму більше 800 Гц ( цей шум може проникнути через кістки черепної коробки);
- протишумові костюми.
Від носіння навушників і інших ЗІЗ можна дістати нервове потрясіння, їх носіння негативно впливає на здоров’я.
Повне виконання всіх заходів з ОП, постійний контроль за фактичним рівнем шуму, який повинен бути меншим від ГДР, зменшує захворювання працівників.
Для забезпечення нормованих рівнів шуму у виробничих приміщеннях та на робочих місцяхзастосовуються шумопоглинальні засоби, вибір яких обґрунтовується спеціальними інженерно-акустичними розрахунками.
Як засоби шумопоглинання повинні застосовуватися негорючі або важкогорючі спеціальні перфоровані плити, панелі, мінеральна вата з максимальним коефіцієнтом звукопоглинання в межах частот 31,5 – 8000 Гц, або інші матеріали аналогічного призначення, дозволені для оздоблення приміщень органами державного санітарно-епідеміологічного нагляду. Крім того, необхідно застосовувати підвісні стелі з аналогічними властивостями.
Інфразвук
Інфразвук – це звукові коливання у повітрі, в рідкому або твердому середовищах з частотою менше 20 Гц. Його людина не чує, однак дія його на організм відчутна.
Високий рівень інфразвуку спричиняє:
- порушення функції вестибулярного апарату, зумовлюючи запаморочення, біль голови;
- зниження уваги, працездатності;
- викликає почуття страху, загальну неміч (недомагання);
- негативно впливає на психіку людей.
У виробництвах інфразвук виникає під час роботи вентиляторів, компресорів, двигунів внутрішнього згоряння, дизельних двигунів, всіх механізмів, що працюють при частотах обертання менше 20 об/с, випромінюють іфразвук. Під час руху автомобіля зі швидкістю понад 100 км/год, він є джерелом інфразвуку, який утворюється за рахунок зриву повітряного потоку з його поверхні.
Згідно з чинним нормативним документом (ДСН 3.3.6.037–99) рівні звукового тиску в октавних смугах з середньогеометричними частотами 2, 4, 8, 16 Гц повинні бути не більшими за 104 дБ, а для смуг з частотою 32 Гц – не більшими за 102 дБ. Завдяки великій довжині інфразвук поширюється в атмосфері на великі відстані. Його неможливо зупинити за допомогою будівельних конструкцій і ЗІЗ.
Дієвим засобом захисту є зниження рівня інфразвуку в джерелі його випромінювання. З поміж таких заходів можна виділити:
- збільшення частот обертання валів до 20 і більше обертів на секунду;
- підвищення жорсткості коливних конструкцій великих розмірів;
- усунення низькочастотних вібрацій;
- внесення конструктивних змін у будову джерела, що дозволяє перейти із області інфразвукових в область звукових (під час застосуванні звукоізоляції і звукопоглинання).
Дата добавления: 2015-07-24; просмотров: 1457;
